k-part
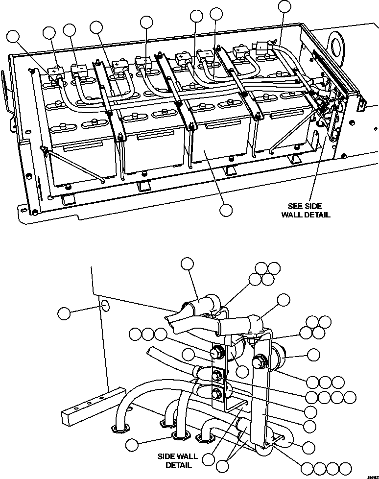
Номер на схеме Каталожный номер Название Количество Детали
? CH5435 CABLE (RED) 1
? PC0247 CAP, TERMINAL (RED) 4
? PC0246 CAP, TERMINAL (BLACK) 4
? CH3808 CABLE (RED) 2
? CH5720 CABLE (BLACK) 1
? CH5436 CABLE (RED) 1
? CH5721 CABLE (BLACK) 1
? VZ0639 BATTERY 4
? VP5374 PLUG, BUTTON 1
? 08038-00035 CAP, TERMINAL 5
? TD0791 CAPSCREW - 3/8" - 16NC X 1 1/4" 5
? TR4436 FLAT WASHER - 3/8" 10
? TC1231 LOCKWASHER - 3/8" 5
? TC1233 NUT - 3/8" - 16NC 5
? PC0291 INSULATOR, CENTER POST 1
? VC1387 CAPSCREW - 1/2" - 13NC X 1" 2
? TR5445 LOCKWASHER - 1/2" 2
? TR6008 FLAT WASHER - 1/2" 2
? EM7151 BUS BAR 1
? WA2859 GROMMET, RUBBER 2
? VZ1369 LOCKNUT, CONDULET 4
? EM7152 BUS BAR 1
? VZ2686 INSULATOR, STAND OFF 1

Dump Trucks Komatsu / AFE57-DF 830E-1AC S/N A30516 - A30517     MT. THORLEY(AFE57-DF) / BATTERY BOX    3/5(362 : 42416)
?
?
?
?
?
?
?
?
?
?
?
?
?
?
?
?
?
?
?
?
?
?
?
?
?
?
?
?
?
?
?
?
?
?
?
?
?
?
?
?
?
?
?