| Номер на схеме | Каталожный номер | Название | Количество | Детали | |||
|---|---|---|---|---|---|---|---|
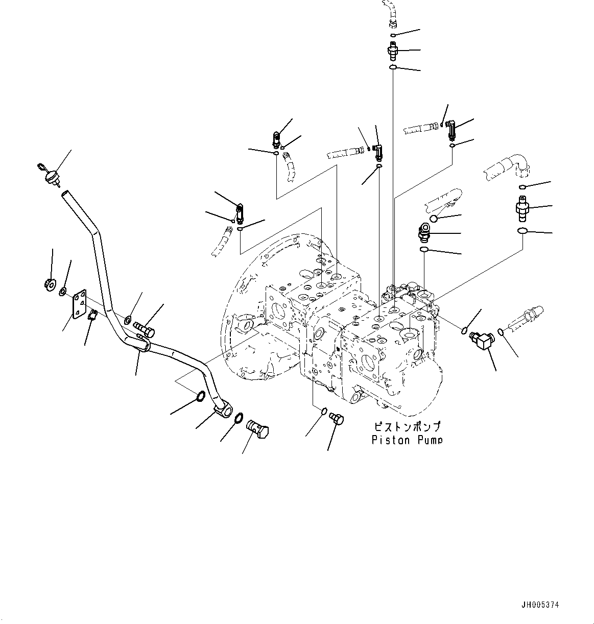
| ? | 207-01-31141 | Joint | 1 | SN: 80001-@ KIT-FLAG: _- SCC: SERIALNO: 80001-@ |
|||
| ? | 07005-03016 | Seal, Washer | 2 | SN: 80001-@ KIT-FLAG: _- SCC: SERIALNO: 80001-@ |
|||
| ? | 207-01-31150 | Gauge | 1 | SN: 80001-80194 KIT-FLAG: _- SCC: SERIALNO: 80001-80194 |
|||
| ? | 208-01-41411 | Tube | 1 | SN: 80001-@ KIT-FLAG: _- SCC: SERIALNO: 80001-@ |
|||
| ? | 208-01-41421 | Bracket | 1 | SN: 80001-@ KIT-FLAG: _- SCC: SERIALNO: 80001-@ |
|||
| ? | 01010-81240 | Bolt | 2 | SN: 80001-@ KIT-FLAG: _- SCC: SERIALNO: 80001-@ |
|||
| ? | 01643-31232 | Washer | 2 | SN: 80001-@ KIT-FLAG: _- SCC: SERIALNO: 80001-@ |
|||
| ? | 07283-32746 | Clip | 1 | SN: 80001-@ KIT-FLAG: _- SCC: SERIALNO: 80001-@ |
|||
| ? | 07283-52737 | Seat | 1 | SN: 80001-@ KIT-FLAG: _- SCC: SERIALNO: 80001-@ |
|||
| ? | 01643-31032 | Washer | 2 | SN: 80001-@ KIT-FLAG: _- SCC: SERIALNO: 80001-@ |
|||
| ? | 01597-01009 | Nut | 2 | SN: 80001-@ KIT-FLAG: _- SCC: SERIALNO: 80001-@ |
|||
| ? | 07040-11209 | Plug | 1 | SN: 80001-@ KIT-FLAG: _- SCC: SERIALNO: 80001-@ |
|||
| ? | 07002-11223 | O-ring | 1 | SN: 80001-@ KIT-FLAG: _- SCC: SERIALNO: 80001-@ |
|||
| ? | 02782-10212 | Elbow | 2 | SN: 80001-@ KIT-FLAG: _- SCC: SERIALNO: 80001-@ |
|||
| ? | 02896-11008 | O-ring | 2 | SN: 80001-@ KIT-FLAG: _- SCC: SERIALNO: 80001-@ |
|||
| ? | 07002-11423 | O-ring | 2 | SN: 80001-@ KIT-FLAG: _- SCC: SERIALNO: 80001-@ |
|||
| ? | 02782-1021A | Elbow | 2 | SN: 80001-@ KIT-FLAG: _- SCC: SERIALNO: 80001-@ |
|||
| ? | 02896-11008 | O-ring | 2 | SN: 80001-@ KIT-FLAG: _- SCC: SERIALNO: 80001-@ |
|||
| ? | 07002-11423 | O-ring | 2 | SN: 80001-@ KIT-FLAG: _- SCC: SERIALNO: 80001-@ |
|||
| ? | 02781-0031D | Union | 1 | SN: 80001-@ KIT-FLAG: _- SCC: SERIALNO: 80001-@ |
|||
| ? | 02896-11009 | O-ring | 1 | SN: 80001-@ KIT-FLAG: _- SCC: SERIALNO: 80001-@ |
|||
| ? | 07002-11423 | O-ring | 1 | SN: 80001-@ KIT-FLAG: _- SCC: SERIALNO: 80001-@ |
|||
| ? | 02783-10628 | Elbow | 1 | SN: 80001-@ KIT-FLAG: _- SCC: SERIALNO: 80001-@ |
|||
| ? | 02896-11018 | O-ring | 1 | SN: 80001-@ KIT-FLAG: _- SCC: SERIALNO: 80001-@ |
|||
| ? | 07002-12434 | O-ring | 1 | SN: 80001-@ KIT-FLAG: _- SCC: SERIALNO: 80001-@ |
|||
| ? | 206-62-73440 | Elbow | 1 | SN: 80001-@ KIT-FLAG: _- SCC: SERIALNO: 80001-@ |
|||
| ? | 207-62-72110 | Union | 1 | SN: 80001-@ KIT-FLAG: _- SCC: SERIALNO: 80001-@ |
|||
| ? | 07002-13334 | O-ring | 1 | SN: 80001-@ KIT-FLAG: _- SCC: SERIALNO: 80001-@ |
|||
| ? | 207-62-64740 | O-ring | 1 | SN: 80001-@ KIT-FLAG: _- SCC: SERIALNO: 80001-@ |
|||
| ? | 02896-61018 | O-ring | 1 | SN: 80001-@ KIT-FLAG: _- SCC: SERIALNO: 80001-@ |
|||
| ? | 07002-62034 | O-ring | 1 | SN: 80001-@ KIT-FLAG: _- SCC: SERIALNO: 80001-@ |