k-part
Номер на схеме Каталожный номер Название Количество Детали
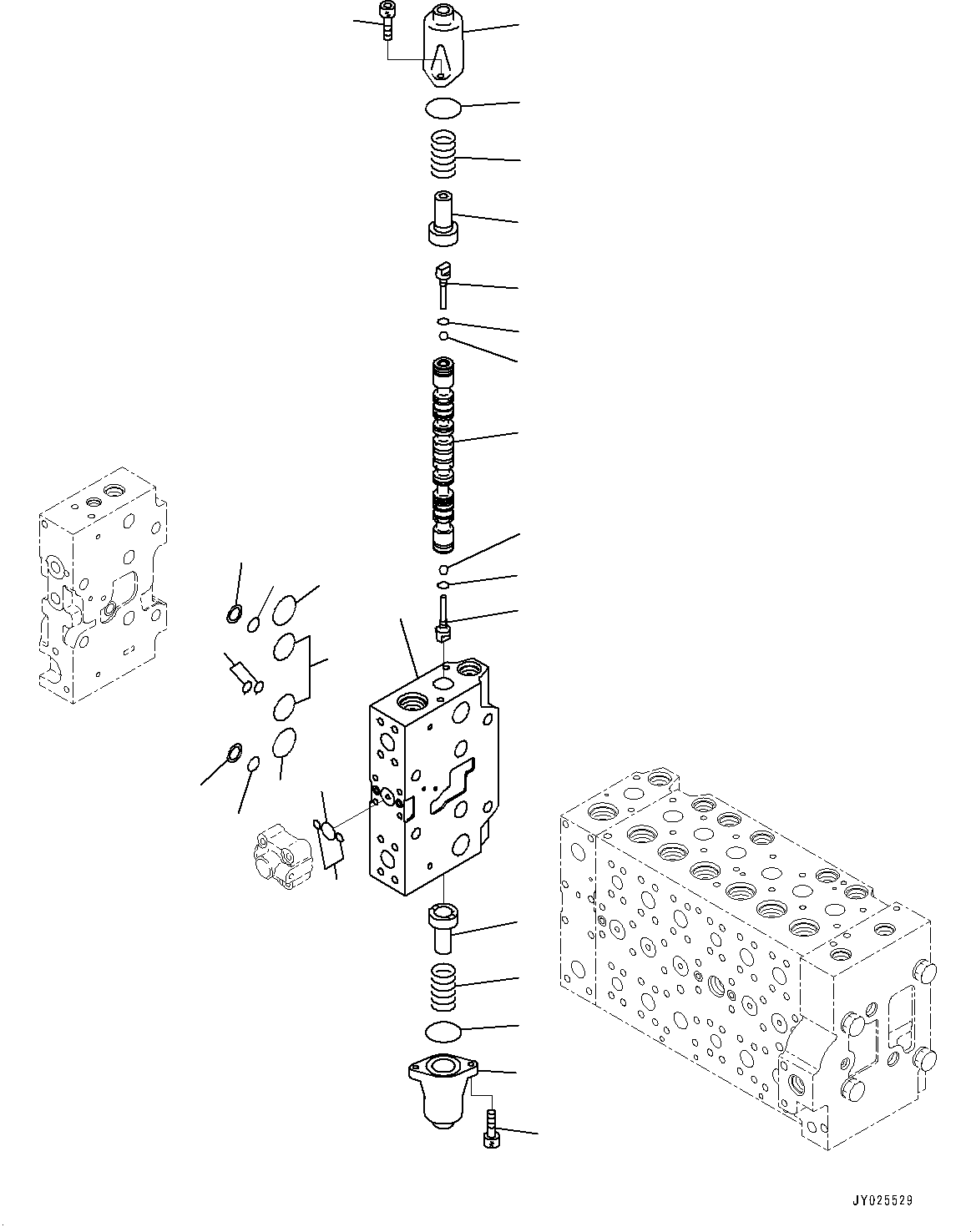
? 723-48-27302 Valve Assembly, Control 1
SN: 80152-
KIT-FLAG: _-
SCC:
SERIALNO: 80152-
? 723-48-27301 Valve Assembly, Control 1
SN: 80109-80151
KIT-FLAG: _-
SCC: A2
SERIALNO: 80109-80151
? • Body Subassembly 1
SN: 80001-
KIT-FLAG: _-
SCC: C1
SERIALNO: 80001-
? • • Block, Valve 1
SN: 80001-
KIT-FLAG: _-
SCC: C1
SERIALNO: 80001-
? • • Spool 1
SN: 80001-
KIT-FLAG: _-
SCC: C1
SERIALNO: 80001-
? 723-46-15130 • • Plug 2
SN: 80001-
KIT-FLAG: _-
SCC:
SERIALNO: 80001-
? 07002-10823 • • O-ring 2
SN: 80001-
KIT-FLAG: _-
SCC:
SERIALNO: 80001-
? 708-7T-16460 • • Ball 2
SN: 80001-
KIT-FLAG: _-
SCC:
SERIALNO: 80001-
? 723-46-15120 • • Retainer 2
SN: 80001-
KIT-FLAG: _-
SCC:
SERIALNO: 80001-
? 723-46-14110 • • Spring 2
SN: 80001-
KIT-FLAG: _-
SCC:
SERIALNO: 80001-
? 723-46-15111 • • Case 2
SN: 80001-
KIT-FLAG: _-
SCC:
SERIALNO: 80001-
? 07430-71380 • • O-ring 2
SN: 80001-
KIT-FLAG: _-
SCC:
SERIALNO: 80001-
? 01252-60820 • • Bolt, Hexagon Socket Head 4
SN: 80001-
KIT-FLAG: _-
SCC:
SERIALNO: 80001-
? 07000-11009 • • O-ring 2
SN: 80001-
KIT-FLAG: _-
SCC:
SERIALNO: 80001-
? 07000-12021 • • O-ring 1
SN: 80001-
KIT-FLAG: _-
SCC:
SERIALNO: 80001-
? 723-46-17530 • • O-ring 2
SN: 80001-
KIT-FLAG: _-
SCC:
SERIALNO: 80001-
? 723-11-19130 • • O-ring 2
SN: 80001-
KIT-FLAG: _-
SCC:
SERIALNO: 80001-
? 723-46-17520 • • Ring, Back-up 2
SN: 80001-
KIT-FLAG: _-
SCC:
SERIALNO: 80001-
? 07000-13032 • • O-ring 2
SN: 80001-
KIT-FLAG: _-
SCC:
SERIALNO: 80001-
? 723-46-17510 • • O-ring 2
SN: 80001-
KIT-FLAG: _-
SCC:
SERIALNO: 80001-

Excavators Komatsu / PC490LC-10 S/N 80001-UP(0000599C) / Control Valve, Inner Parts (22/24) (#80001-)(H003024 : H0120-002022)
?
?
?
?
?
?
?
?
?
?
?
?
?
?
?
?
?
?
?
?
?
?
?
?
?
?
?
?