k-part
Наименование Страница Код страницы
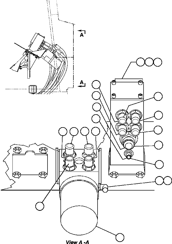
BRAKE VALVE PEDAL ASSEMBLY (PC0418) 086 55082

Номер на схеме Каталожный номер Название Количество Детали
? PB6905 STEERING CONTROL VALVE ASSM 1
? HA7382 HOSE - PORT "L" 1
? HA5569 HOSE - PORT "R" 1
? HA7382 HOSE - PORT "T" 1
? HA5569 HOSE - PORT "P" 1
? WB0584 FITTING, STRAIGHT ADAPTOR 8
? WB0593 FITTING, STRAIGHT ADAPTOR 1
? WB0574 FITTING, STRAIGHT ADAPTOR 1
? PC0418 BRAKE VALVE PEDAL ASSEMBLY (SEE INDEX) 1 55082
? MM0594 CAPSCREW - M8 X 1.25 X 25 4
? MM0470 LOCKWASHER - M8 4
? HA7331 HOSE - PORT "P2" 1
? HA7331 HOSE - PORT "P1" 1
? HA7331 HOSE - PORT "B1" 1
? HA7331 HOSE - PORT "B2" 1
? HA7389 HOSE - PORT "T" 1
? HA7360 HOSE - PORT "PX" 1
? HA7358 HOSE - PORT "LS" 1
? WB0499 FITTING, ADAPTOR - 90 DEG 1

Dump Trucks Komatsu / AFE50-GA 830E S/N GAE2144830E    ARCH MINERAL RUFFNER MINE-GLIDER KIT(AFE50-GA) / BRAKE/STEERING VALVE PIPING(084 : 41732)
?
?
?
?
?
?
?
?
?
?
?
?
?
?
?
?
?
?
?
?