k-part
Номер на схеме Каталожный номер Название Количество Детали
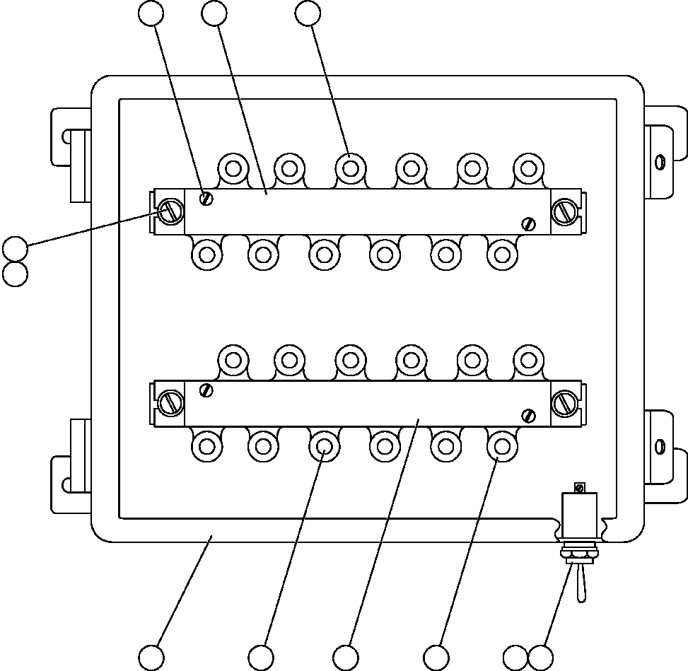
? TZ0876 JUNCTION BOX ASSEMBLY - L.H. 1
? TZ0549 • BOX 1
? VS8479 • BOARD, TERMINAL 2
? VF2231 • MACHINE SCREW - #10 - 24NC X 3/8" 4
? DC3101 • LOCKWASHER - #10 - 24NC X 3/8" 4
? SR8325 • SWITCH, TOGGLE 1
? PB3324 • BOOT, TOGGLE SWITCH 1
? WA3367 • NUT ASSEMBLY 24
? EL4108 STRIP, CIRCUIT I.D. 1
? EL4107 STRIP, CIRCUIT I.D. 1
? VM2951 SCREW, SELF-TAPPING - #6 - 32NC x 5/16" 4

Dump Trucks Komatsu / AFE50-GC 830E S/N GAE2170 & GAE2173 & GAE2175 & GAE2177            GLIDER KIT(AFE50-GC) / L.H. JUNCTION BOX ASSEMBLY(180 : 41848)
?
?
?
?
?
?
?
?
?
?
?