k-part
Наименование Страница Код страницы
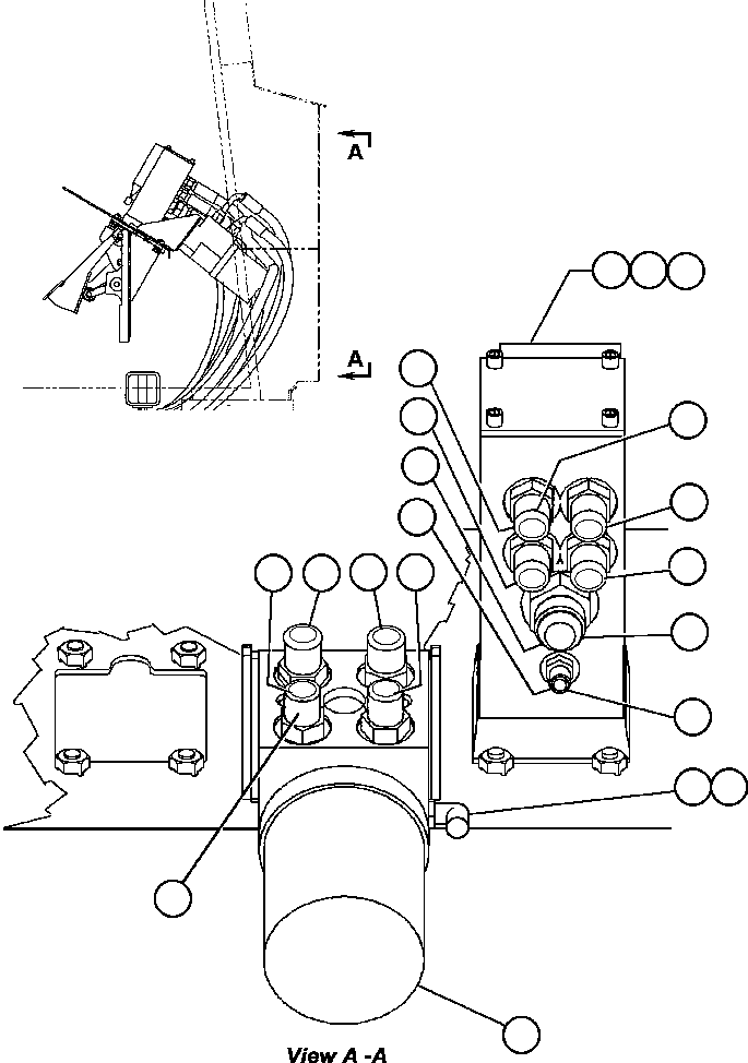
STEERING CONTROL UNIT (PB6905) 068 14608
BRAKE VALVE PEDAL ASSEMBLY (PC0418) 148 55082

Номер на схеме Каталожный номер Название Количество Детали
? PB6905 STEERING CONTROL VALVE ASSEMBLY (SEE INDEX) 1 14608
? HA7382 HOSE, PORT "L" 1
? HA5569 HOSE, PORT "R" 1
? HA7382 HOSE, PORT "T" 1
? HA5569 HOSE, PORT "P" 1
? WB0584 FITTING, STRAIGHT ADAPTER 8
? WB0593 FITTING, STRAIGHT ADAPTER 1
? WB0574 FITTING, STRAIGHT ADAPTER 1
? PC0418 BRAKE VALVE PEDAL ASSEMBLY (SEE INDEX) 1 55082
? MM0594 CAPSCREW - M8 X 1.25 X 25 4
? MM0470 LOCKWASHER - M8 4
? HA7331 HOSE, PORT "P2" 1
? HA7331 HOSE, PORT "P1" 1
? HA7331 HOSE, PORT "B1" 1
? HA7331 HOSE, PORT "B2" 1
? HA7389 HOSE, PORT "T" 1
? HA7360 HOSE, PORT "PX" 1
? HA7358 HOSE, PORT "LS" 1
? WB0499 FITTING, ADAPTER - 90 DEG 1

Dump Trucks Komatsu / AFE50-GC 830E S/N GAE2170 & GAE2173 & GAE2175 & GAE2177            GLIDER KIT(AFE50-GC) / BRAKE/STEERING VALVE PIPING(146 : 41732)
?
?
?
?
?
?
?
?
?
?
?
?
?
?
?
?
?
?
?
?