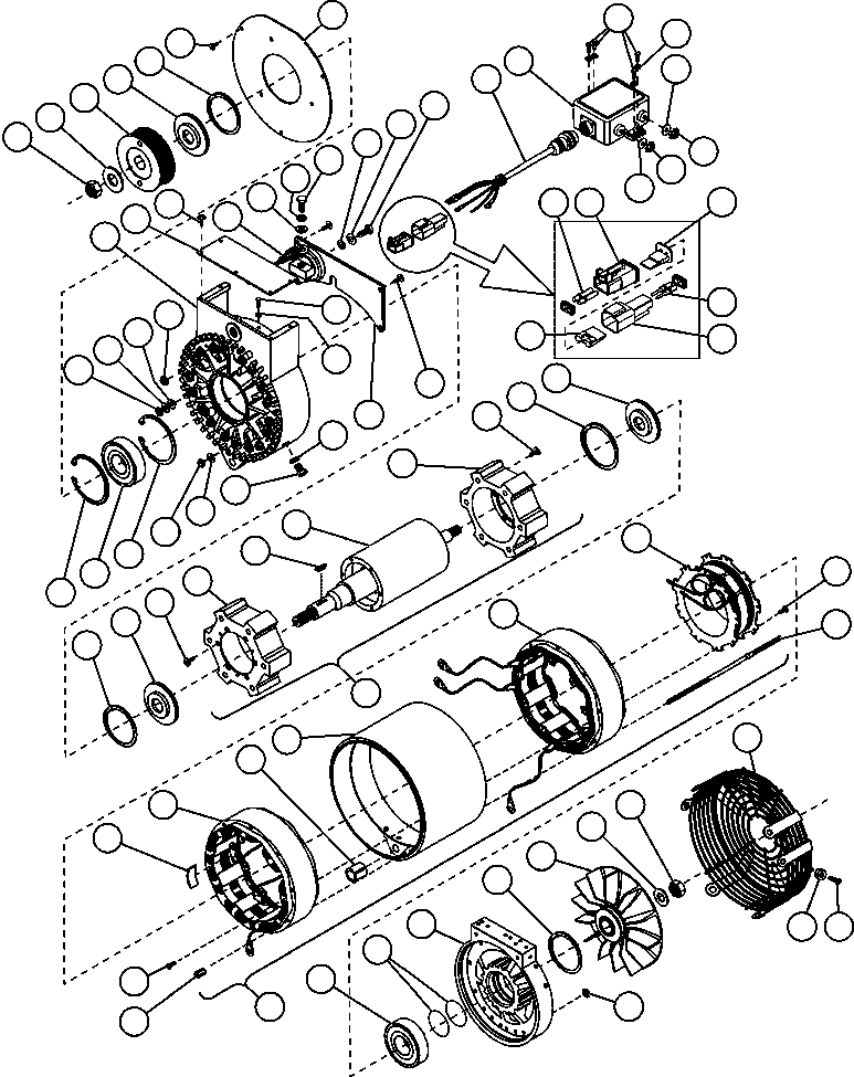
| Номер на схеме | Каталожный номер | Название | Количество | Детали | |||
|---|---|---|---|---|---|---|---|
| ? | BF4962 | LOCKNUT - 5/8" - 18NF (1)/(2) | 1 | ||||
| ? | BF4963 | FLAT WASHER - 5/8" (1)/(2) | 1 | ||||
| ? | PULLEY (SUPPLIED WITH ENGINE) | 1 | |||||
| ? | BF4957 | BUSHING, PULLEY | 1 | ||||
| ? | BF4864 | RING, RETAINING | 2 | ||||
| ? | XA2112 | SCREW, PAN - #8 - 32NC X 3/8" (1) | 15 | ||||
| ? | BF1970 | PLATE, COVER | 1 | ||||
| ? | BF1989 | RING, BEVELED RETAINER (2) | 1 | ||||
| ? | BF4865 | BEARING, FRONT | 1 | ||||
| ? | BF1988 | RING, BEVELED RETAINER (2) | 1 | ||||
| ? | XA2122 | JAM NUT - 1/4" - 28NF (1) | 18 | ||||
| ? | XA2121 | FLAT WASHER - 1/4" (1) | 12 | ||||
| ? | XA3294 | INSULATOR | 6 | ||||
| ? | BF2002 | LOCKNUT - #8 - 32NC (1)/(2) | 18 | ||||
| ? | BF4973 | FLAT WASHER - 1/4" (1)/(2) | 6 | ||||
| ? | BF4969 | CAPSCREW - M10 X 1.50 X 20 (1)/(2) | 2 | ||||
| ? | XA3310 | LOCKWASHER - M10 (1) | 2 | ||||
| ? | BF4980 | LOCKWASHER - 3/8" (1) | 1 | ||||
| ? | BF4979 | CAPSCREW - M10 X 1.40 X 20 (1)/(2) | 1 | ||||
| ? | XA2098 | HOUSING, DRIVE END | 1 | ||||
| ? | XA3295 | COVER, CONTROL UNIT | 1 | ||||
| ? | XA3302 | SWITCH, THERMAL | 1 | ||||
| ? | XA2113 | CAPSCREW - 1/2" - 13NC X 1" (1) | 1 | ||||
| ? | XA3312 | LOCKWASHER - 1/2" (1) | 1 | ||||
| ? | XA3313 | FLAT WASHER - 1/2" (1) | 1 | ||||
| ? | XA0188 | COVER, STUD ASSEMBLY | 1 | ||||
| ? | BF4967 | CAPSCREW - M12 X 1.75 X 25 (1)/(2) | 1 | ||||
| ? | BF4966 | LOCKWASHER - M12 (1)/(2) | 1 | ||||
| ? | BF1996 | FLAT WASHER - 1/2" (1)/(2) | 1 | ||||
| ? | XA3296 | SHELL CONNECTOR | 1 | ||||
| ? | XA3297 | PIN CONNECTOR, FEMALE | 2 | ||||
| ? | XA3298 | PLUG, WEDGE LOCK | 1 | ||||
| ? | XA3299 | SHELL CONNECTOR | 1 | ||||
| ? | XA3300 | RECEPTACLE, WEDGE LOCK | 1 | ||||
| ? | XA3301 | PIN CONNECTOR, MALE | 2 | ||||
| ? | XA2130 | HARNESS | 1 | ||||
| ? | XA2109 | REGULATOR | 1 | ||||
| ? | BF4970 | SCREW, HEX - M5 X 0.8 X 12 (1)/(2) | 4 | ||||
| ? | XA2114 | WASHER, BELLVILLE (1)/(2) | 4 | ||||
| ? | XA2118 | WASHER, BELLVILLE (1) | 1 | ||||
| ? | XA2117 | LOCKNUT - M6 X 1.00 (1) | 1 | ||||
| ? | XA2115 | NUT - M5 X 0.8 (1)/(2) | 1 | ||||
| ? | XA2116 | WASHER, BELLVILLE (1)/(2) | 1 | ||||
| ? | BF4860 | BUSHING, PULLEY | 1 | ||||
| ? | XA2099 | SHAFT & CORE, ROTOR ASSEMBLY | 1 | ||||
| ? | BF3719 | CAPSCREW - #10 - 32NF X 1/2" (1)/(2) | 12 | ||||
| ? | XA2100 | ROTOR ASSEMBLY | 2 | ||||
| ? | XA2101 | SHAFT & CORE ASSEMBLY | 1 | ||||
| ? | BF1999 | KEY, WOODRUFF - 5/32" X 3/4" (1)/(2) | 1 | ||||
| ? | XA2103 | RING, SPIRAL | 2 | ||||
| ? | XA2102 | RING, CARRIER | 1 | ||||
| ? | XA2104 | FIELD COIL ASSEMBLY | 1 | ||||
| ? | BF3722 | PAN SCREW - #8 - 32NC X 3/8" (1)/(2) | 16 | ||||
| ? | BF3723 | NUT, HEX HEAD - #8 - 32NC (1)/(2) | 9 | ||||
| ? | BF4978 | WEDGE, STATOR | 6 | ||||
| ? | XA2105 | STATOR, DRIVE END (2) | 1 | ||||
| ? | BF1981 | BUSHING, TENSION | 1 | ||||
| ? | SHELL (2) | 1 | |||||
| ? | XA2106 | STATOR, ANTI DRIVE END | 1 | ||||
| ? | XA3304 | COIL, FIELD | 1 | ||||
| ? | BF1980 | STUD - #8 - 32NC X 8 5/8" | 9 | ||||
| ? | XA2108 | BEARING, ANTI DRIVE END | 1 | ||||
| ? | XA2110 | O-RING | 2 | ||||
| ? | XA2107 | HOUSING, ANTI DRIVE END | 1 | ||||
| ? | XA2096 | FAN | 1 | ||||
| ? | BF4975 | WASHER, BELLVILLE (1)/(2) | 1 | ||||
| ? | BF4976 | NUT - M16 X 1.50 (1)/(2) | 1 | ||||
| ? | XA2097 | GUARD, FAN | 1 | ||||
| ? | BF4977 | SCREW, PAN - M5 X 0.8 X 25 (1)/(2) | 6 | ||||
| ? | XA2119 | GROMMET | 6 | ||||
| ? | NOTE: (1) INCLUDED IN XA3306 SMALL PARTS PACKAGE. | ||||||
| ? | XA3306 INCLUDES 2 EACH ITEMS 40 AND 41. | ||||||
| ? | ONLY 1 EACH NEEDED. | ||||||
| ? | (2) NOT SERVICED SEPARATELY. |