k-part
Номер на схеме Каталожный номер Название Количество Детали
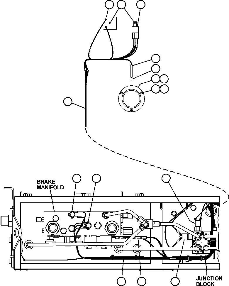
? EK2362 HARNESS 1
? VZ3250 DIODE 2
? PB8308 SWITCH, PRESSURE 1
? PB6784 SWITCH, PRESSURE 1
? PB6785 SWITCH, PRESSURE 1
? PB6992 SWITCH, PRESSURE 1
? PB7069 TIMER 1
? SG3408 NUT - #10 - 24NC 2
? PB4767 RELAY 1
? DL4172 SLEEVE, INSULATING 2
? SF9896 KNIFE, DISCONNECT - 14-16 AWG 2
? VS0035 LIGHT, DOME 2
? SR6747 BULB 2
? VF2231 MACHINE SCREW - #10 - 24NC X 3/8" 6
? DC3101 LOCKWASHER - #10 - 24NC X 3/8" 6

Dump Trucks Komatsu / AFE50-GC 830E S/N GAE2170 & GAE2173 & GAE2175 & GAE2177            GLIDER KIT(AFE50-GC) / BRAKE CABINET WIRING(210 : 55588)
?
?
?
?
?
?
?
?
?
?
?
?
?
?
?
?