| Номер на схеме | Каталожный номер | Название | Количество | Детали | |||
|---|---|---|---|---|---|---|---|
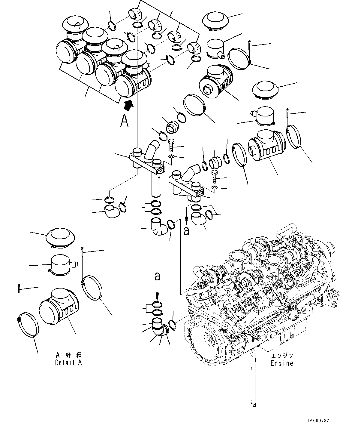
| ? | 6240-81-7402 | Air Cleaner Assembly | 6 | SN: 60001-60014 KIT-FLAG: _- SCC: SERIALNO: 60001-60014 |
|||
| ? | 600-185-6100 | • Element Assembly | 1 | SN: 60001-60014 KIT-FLAG: _- SCC: SERIALNO: 60001-60014 |
|||
| ? | 600-184-1671 | • • O-ring | 1 | SN: 60001-60014 KIT-FLAG: _- SCC: SERIALNO: 60001-60014 |
|||
| ? | 600-185-6110 | • • Element, Outer | 1 | SN: 60001-60014 KIT-FLAG: _- SCC: SERIALNO: 60001-60014 |
|||
| ? | • • Element, Inner | 1 | SN: 60001-60014 KIT-FLAG: _- SCC: C1 SERIALNO: 60001-60014 |
||||
| ? | 6240-11-9910 | Band | 12 | SN: 60001-60014 KIT-FLAG: _- SCC: SERIALNO: 60001-60014 |
|||
| ? | 6643-11-4641 | Bolt | 12 | SN: 60001-60014 KIT-FLAG: _- SCC: SERIALNO: 60001-60014 |
|||
| ? | 600-183-7521 | Pre-cleaner | 6 | SN: 60001-60014 KIT-FLAG: _- SCC: SERIALNO: 60001-60014 |
|||
| ? | 600-181-5470 | Hood | 6 | SN: 60001-60014 KIT-FLAG: _- SCC: SERIALNO: 60001-60014 |
|||
| ? | 42C-01-13150 | Hose | 4 | SN: 60001-60014 KIT-FLAG: _- SCC: SERIALNO: 60001-60014 |
|||
| ? | 42C-01-13290 | Clamp, Hose | 4 | SN: 60001-60014 KIT-FLAG: _- SCC: SERIALNO: 60001-60014 |
|||
| ? | 07299-00160 | Clamp, Hose | 4 | SN: 60001-60014 KIT-FLAG: _- SCC: SERIALNO: 60001-60014 |
|||
| ? | 42C-01-14581 | Duct, L.H. | 1 | SN: 60001-60014 KIT-FLAG: _- SCC: SERIALNO: 60001-60014 |
|||
| ? | 42C-01-14591 | Duct, R.H. | 1 | SN: 60001-60014 KIT-FLAG: _- SCC: SERIALNO: 60001-60014 |
|||
| ? | 01010-D1225 | Bolt | 8 | SN: 60001-60014 KIT-FLAG: _- SCC: SERIALNO: 60001-60014 |
|||
| ? | 01643-71232 | Washer | 8 | SN: 60001-60014 KIT-FLAG: _- SCC: SERIALNO: 60001-60014 |
|||
| ? | 568-02-22240 | Elbow | 2 | SN: 60001-60014 KIT-FLAG: _- SCC: SERIALNO: 60001-60014 |
|||
| ? | 07299-00160 | Clamp, Hose | 4 | SN: 60001-60014 KIT-FLAG: _- SCC: SERIALNO: 60001-60014 |
|||
| ? | 42C-01-11263 | Hose | 2 | SN: 60001-60014 KIT-FLAG: _- SCC: SERIALNO: 60001-60014 |
|||
| ? | 07299-00160 | Clamp, Hose | 6 | SN: 60001-60014 KIT-FLAG: _- SCC: SERIALNO: 60001-60014 |
|||
| ? | 42C-01-13190 | Cover | 1 | SN: 60001-60014 KIT-FLAG: _- SCC: SERIALNO: 60001-60014 |
|||
| ? | 07289-00170 | Clamp, Hose | 3 | SN: 60001-60014 KIT-FLAG: _- SCC: SERIALNO: 60001-60014 |
|||
| ? | 569-02-12230 | Hose | 2 | SN: 60001-60014 KIT-FLAG: _- SCC: SERIALNO: 60001-60014 |
|||
| ? | 42C-01-13290 | Clamp, Hose | 2 | SN: 60001-60014 KIT-FLAG: _- SCC: SERIALNO: 60001-60014 |
|||
| ? | 07299-00160 | Clamp, Hose | 2 | SN: 60001-60014 KIT-FLAG: _- SCC: SERIALNO: 60001-60014 |