| Номер на схеме | Каталожный номер | Название | Количество | Детали | |||
|---|---|---|---|---|---|---|---|
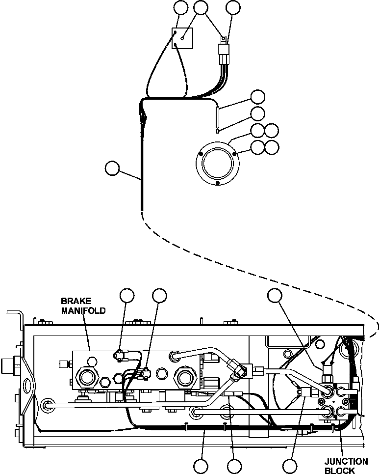
| ? | EK2362 | HARNESS | 1 | ||||
| ? | VZ3250 | DIODE | 2 | ||||
| ? | PB8308 | SWITCH, PRESSURE | 1 | ||||
| ? | PB6784 | SWITCH, PRESSURE | 1 | ||||
| ? | PB6785 | SWITCH, PRESSURE | 1 | ||||
| ? | PB6992 | SWITCH, PRESSURE | 1 | ||||
| ? | PB7069 | TIMER | 1 | ||||
| ? | SG3408 | NUT - #10 - 24NC | 2 | ||||
| ? | PB4767 | RELAY | 1 | ||||
| ? | DL4172 | SLEEVE, INSULATING | 2 | ||||
| ? | SF9896 | KNIFE, DISCONNECT | 2 | ||||
| ? | VS0035 | LIGHT, DOME | 2 | ||||
| ? | SR6747 | BULB, LIGHT | 2 | ||||
| ? | VF2231 | SCREW, MACHINE - #10 - 24NC X 3/8" | 6 | ||||
| ? | DC3101 | LOCKWASHER - #10 | 6 |