k-part
Наименование Страница Код страницы
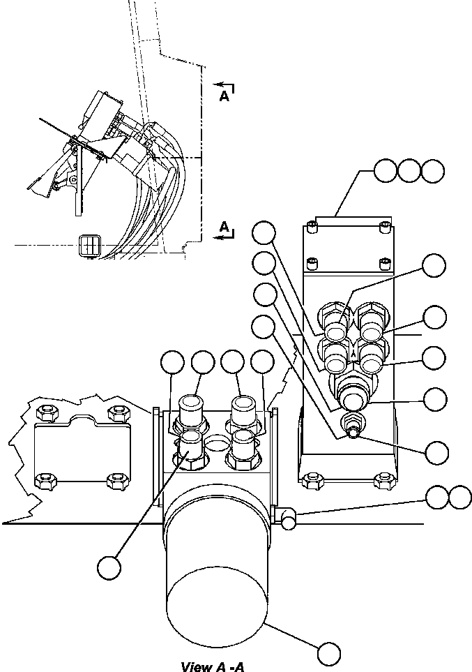
STEERING CONTROL UNIT (PB6905) 126 14608
BRAKE VALVE PEDAL ASSEMBLY (PC0418) 246 55082

Номер на схеме Каталожный номер Название Количество Детали
? PB6905 STEERING CONTROL VALVE ASSM (SEE INDEX) 1 14608
? HA7643 HOSE - PORT "L" 1
? HA7641 HOSE - PORT "R" 1
? HA7643 HOSE - PORT "T" 1
? HA7641 HOSE - PORT "P" 1
? WB0584 FITTING, STRAIGHT ADAPTOR 8
? WB0593 FITTING, STRAIGHT ADAPTOR 1
? WB0574 FITTING, STRAIGHT ADAPTOR 1
? PC0418 BRAKE VALVE PEDAL ASSEMBLY (SEE INDEX) 1 55082
? MM0594 CAPSCREW - M8 X 1.25 X 25 4
? MM0470 LOCKWASHER - M8 4
? HA7668 HOSE - PORT "P2" 1
? HA7668 HOSE - PORT "P1" 1
? HA7668 HOSE - PORT "B1" 1
? HA7668 HOSE - PORT "B2" 1
? HA7389 HOSE - PORT "T" 1
? HA7667 HOSE - PORT "PX" 1
? HA7642 HOSE - PORT "LS" 1
? WB0499 FITTING, ADAPTOR - 90 DEG 1

Dump Trucks Komatsu / AFE50-BE 830E S/N A30706-A30708  DIAVIK(AFE50-BE) / BRAKE/STEERING VALVE PIPING(244 : 41732)
?
?
?
?
?
?
?
?
?
?
?
?
?
?
?
?
?
?
?
?