k-part
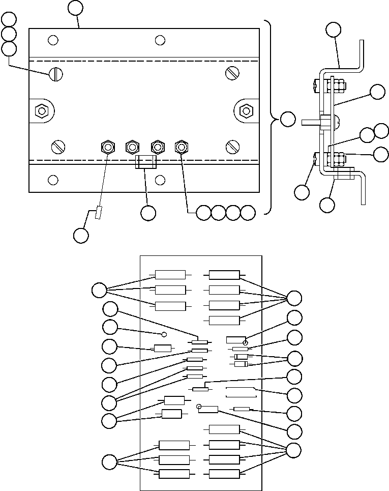
Номер на схеме Каталожный номер Название Количество Детали
? VE6118 PANEL 1
? VE4727 BASE 1
? VE2266 MODULE 1
? VE4728 CABLE WITH TERMINALS 1
? VE4729 RESISTOR - 1/2 WATT, 475,000 OHM 14
? VS7580 RESISTOR - 1/4 WATT, 16,200 OHM 2
? VP9546 RESISTOR - 1/2 WATT, 39 OHM 2
? VS7018 RESISTOR - 1/4 WATT, 10,000 OHM 2
? VS7017 RESISTOR - 1/4 WATT, 4,990 OHM 1
? VP9545 RESISTOR - 1/2 WATT, 39 OHM 1
? VE2616 DIODE 2
? VP9512 CAPACITOR - 1 MFD, 50 VOLT 2
? VJ8262 CAPACITOR - 0.01 MFD, 200 VOLT 1
? VS7629 I C MODULE 1
? VJ6014 POTENTIOMETER - 1 WATT, 2,000 OHM 2
? VP9538 TERMINAL - 0.372" LONG 1
? VS8040 MACHINE SCREW - #10 - 32NF X 3/4" 4
? DC3101 LOCKWASHER - #10 8
? VS6662 FLAT WASHER - #10 8
? SF2755 NUT 8
? VE5952 MACHINE SCREW - NYLON - #10 - 32NF 4
? VE5953 NUT 12
? VS8434 GROMMET, RUBBER 1
? VE4730 FLAT WASHER 4

Dump Trucks Komatsu / AFE50-AA 830E S/N A30624 COTEAU(AFE50-AA) / PANEL - VMM (VE6118)(502 : 64067)
?
?
?
?
?
?
?
?
?
?
?
?
?
?
?
?
?
?
?
?
?
?
?
?
?
?
?
?
?
?
?
?
?
?
?
?