k-part
Номер на схеме Каталожный номер Название Количество Детали
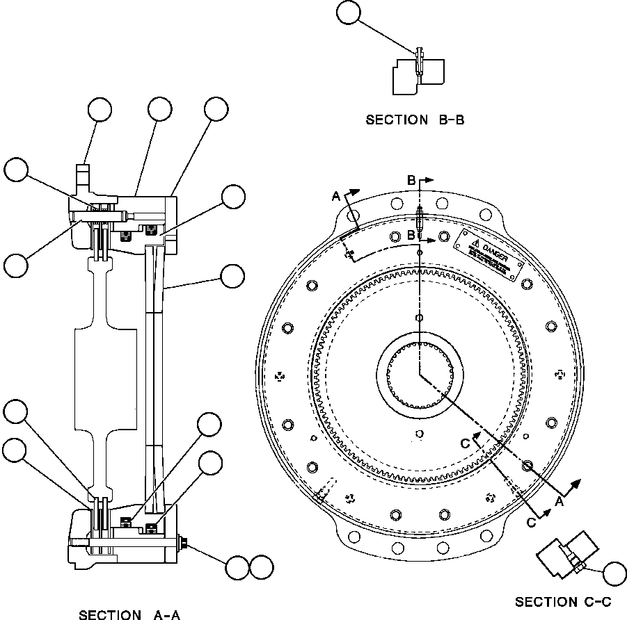
? ED4280 HOUSING 1
? EF6158 HOUSING, PISTON 1
? ED5327 CAP, END 1
? EF6157 PISTON 1
? PB9661 SEAL 1
? PB9662 SEAL 1
? WA0360 FLAT WASHER - 1/2" (HARDENED) 12
? WA5664 CAPSCREW - (12 PT) 12
? ED4300 SPRING, BELLEVILLE 2
? ED4276 DISC, ANCHOR - SEPARATOR 3
? ED0675 DISC, HUB - FRICTION 2
? VG7407 PIN 12
? WA5665 SPRING, COMPRESSION 12
? PB7509 SCREW, BLEEDER 1
? EF6161 ADAPTOR, BLEEDER 1
? VM0314 PLUG, O-RING 1

Dump Trucks Komatsu / AFE48-U  930E S/N A30034-A30037, A30040-A30048 & A30060 MORENCI(AFE48-U) / PARKING BRAKE ASSEMBLY (EF6160)(076 : 60019)
?
?
?
?
?
?
?
?
?
?
?
?
?
?
?