k-part
Номер на схеме Каталожный номер Название Количество Детали
? MM0459 FLAT WASHER - M6 14
? MM0469 LOCKWASHER - M6 14
? SM3046 NUT (SPECIAL) 14
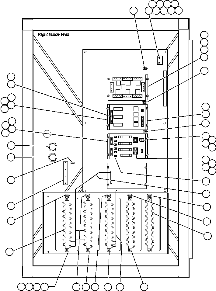
? SM3001 RELAY BOARD - #6 1
? SM3189 • RELAY
? EC8824 NAME PLATE - RB6 1
? EC8822 NAME PLATE - RB4 1
? SM1955 RELAY BOARD - #4 1
? SM3196 • BREAKER, CIRCUIT - 5 AMP 2
? SM3188 • BREAKER, CIRCUIT - 15 AMP 1
? SM3189 • RELAY 4
? SM3039 • MODULE, STEERING BLEEDDOWN 1
? EC8825 NAME PLATE - DB1 1
? SM1963 DIODE BOARD - #1 1
? SM3124 • DIODE 22
? ED3922 RESISTOR 1
? WB2401 NAME PLATE - TB30 1
? WB2402 STRIP, CIRCUIT ID 1
? WB2403 STRIP, CIRCUIT ID 1
? WB2375 NAME PLATE - TB29 1
? WB2346 STRIP, CIRCUIT ID 1
? WB2374 NAME PLATE - TB28 1
? WB2345 STRIP, CIRCUIT ID 1
? WB2373 NAME PLATE - TB27 1
? PB5732 BOARD, TERMINAL 5
? MM0206 LOCKWASHER - M5 (INTERNAL TOOTH) 10
? MM0459 FLAT WASHER - M6 10
? MM0373 NUT - M5 (EXTERNAL TOOTH) 10
? WB2344 STRIP, CIRCUIT ID 1
? WB2372 NAME PLATE - TB26 1
? JG9371 BUS, GROUND 1
? TZ7542 NAME PLATE - GB3 1
? EF9762 HARNESS - CAB CONTROL/TROLLEY 1
? EF9764 HARNESS - CAB & JUNCTION BOX 1
? EG5411 HARNESS - INT DDR CONN 1
? EF8485 HARNESS - RB2/P1 1
? TZ7376 NAME PLATE - DIAG 1
? EG4524 PLATE, MOUNTING (DDECIII DIAG) 1
? VN7120 MACHINE SCREW - #4 - 40NC X 1/2" 4
? VN9762 FLAT WASHER - #4 4
? VN9809 LOCKWASHER - #4 (EXTERIOR TOOTH) 4
? VN9708 NUT - #4 - 40NC 4
? ED3922 RESISTOR 1
? PB8602 CONTACT, SOCKET 20
? PB8597 HOUSING, 6 POSITION PLUG 1
? PB8603 STRAIN RELIEF 4
? VW7336 SET SCREW - #6 X 5/8" 4
? PB9061 HOUSING, PLUG 1
? PB8590 HOUSING, 8 POSITION PLUG 1
? PB8591 CONTACT, INNERGY 8

Dump Trucks Komatsu / AFE47-W  730E S/N 32806-32807 & 32817-32819 & 32821 & 32823 & 32834    ISCOR(AFE47-W) / CONTROL CABINET ASSEMBLY - R.H. SIDE(396 : 55338)
?
?
?
?
?
?
?
?
?
?
?
?
?
?
?
?
?
?
?
?
?
?
?
?
?
?
?
?
?
?
?
?
?
?
?
?
?
?
?
?
?
?
?
?
?
?
?
?
?
?
?
?
?
?
?
?
?