| Номер на схеме | Каталожный номер | Название | Количество | Детали | |||
|---|---|---|---|---|---|---|---|
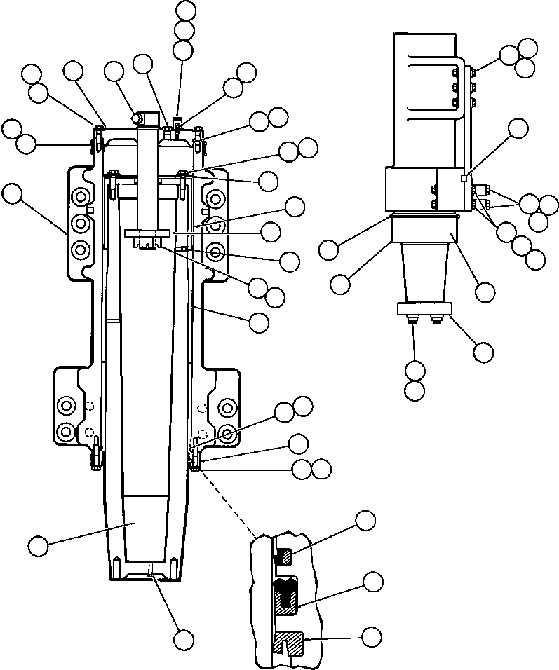
| ? | EF8365 | FRONT SUSPENSION ASSM - 13" | 1 | ||||
| ? | WA2892 | • PLATE, WARNING | 2 | ||||
| ? | R1073 | • DRIVE SCREW - #6 X 3/16" | 8 | ||||
| ? | VN9087 | • CAPSCREW - 5/8" - 11NC X 2 1/2" | 24 | ||||
| ? | WA0361 | • FLAT WASHER - 5/8" | 48 | ||||
| ? | EF5477 | • CAP, SUSPENSION | 1 | ||||
| ? | TY8879 | • PLUG, VENT | 1 | ||||
| ? | TM9278 | • PROTECTOR | 1 | ||||
| ? | C1602 | • CAPSCREW - 3/8" - 16NC X 1" | 2 | ||||
| ? | C0312 | • LOCKWASHER - 3/8" | 2 | ||||
| ? | PB2194 | • CHARGING VALVE ASSM (1)/(2) | 1 | ||||
| ? | TD7179 | • • CORE, VALVE | 1 | ||||
| ? | TR9993 | • • CAP | 1 | ||||
| ? | TF1144 | • • O-RING | 1 | ||||
| ? | WA0052 | • • O-RING | 1 | ||||
| ? | VD5076 | • GASKET (1)/(2) | 1 | ||||
| ? | WA0105 | • SEAL, O-RING (1) | 4 | ||||
| ? | WA1280 | • RING, BACKUP (1) | 4 | ||||
| ? | VN9105 | • CAPSCREW - 7/8" - 9NC X 3" | 12 | ||||
| ? | WA0363 | • FLAT WASHER - 7/8" | 12 | ||||
| ? | TZ7658 | • BEARING, BRONZE (UPPER) | 1 | ||||
| ? | TY8125 | • WASHER, SNUBBER | 1 | ||||
| ? | H2981 | • BALL, STEEL - 3/4" | 2 | ||||
| ? | VW4451 | • NUT, WHEEL | 1 | ||||
| ? | VC2629 | • PIN | 1 | ||||
| ? | EF7977 | • PISTON | 1 | ||||
| ? | EF8396 | • BEARING, BRONZE (LOWER) | 1 | ||||
| ? | VN9129 | • CAPSCREW - 5/8" - 11NC X 3 3/4" | 24 | ||||
| ? | VM0314 | • PLUG, O-RING | 1 | ||||
| ? | VJ3911 | • OIL, SUSPENSION - STANDARD (5 GAL CAN) | 4 | ||||
| ? | AK3761 | • ADDITIVE, OIL (5 GAL CAN) | 1 | ||||
| ? | TZ9718 | • HOUSING | 1 | ||||
| ? | PB7977 | • SEAL, ROD BUFFER - 13" (1) | 1 | ||||
| ? | PB9790 | • SEAL, ROD DOUBLE LIP - 13" (1) | 1 | ||||
| ? | PB9789 | • SEAL, WIPER - 13" (1) | 1 | ||||
| ? | TZ1626 | • PLATE | 1 | ||||
| ? | TZ8637 | • PLUG, SENSOR | 1 | ||||
| ? | WA0404 | NUT - 1 1/2" - 6NC | 10 | ||||
| ? | TZ1637 | KEY, SHEAR | 1 | ||||
| ? | EB2080 | CAPSCREW - 1/2" - 13NC X 10 3/4" | 8 | ||||
| ? | TX9710 | SPACER | 4 | ||||
| ? | TZ4354 | BOOT | 1 | ||||
| ? | TZ4355 | WIRE, BOOT | 1 | ||||
| ? | WA1754 | CLAMP, HOSE | 2 | ||||
| ? | VN9182 | CAPSCREW - 1/2" - 13NC X 6" | 6 | ||||
| ? | WA0368 | FLAT WASHER - 1 1/2" | 24 | ||||
| ? | TY2149 | FLAT WASHER | 8 | ||||
| ? | TZ1439 | PLATE, RETAINING | 1 | ||||
| ? | WA4817 | CAPSCREW - 1 1/4" - 12NF X 5" (12 POINT) | 8 | ||||
| ? | AK3869 | NOTE: (1) INCLUDED IN AK3869 SUSPENSION KIT. | |||||
| ? | AK1887 | (2) INCLUDED IN AK1887 CHARGING VALVE KIT. | |||||
| ? | (QUANTITIES SHOWN ARE FOR ONE SIDE ONLY) |