| Номер на схеме | Каталожный номер | Название | Количество | Детали | |||
|---|---|---|---|---|---|---|---|
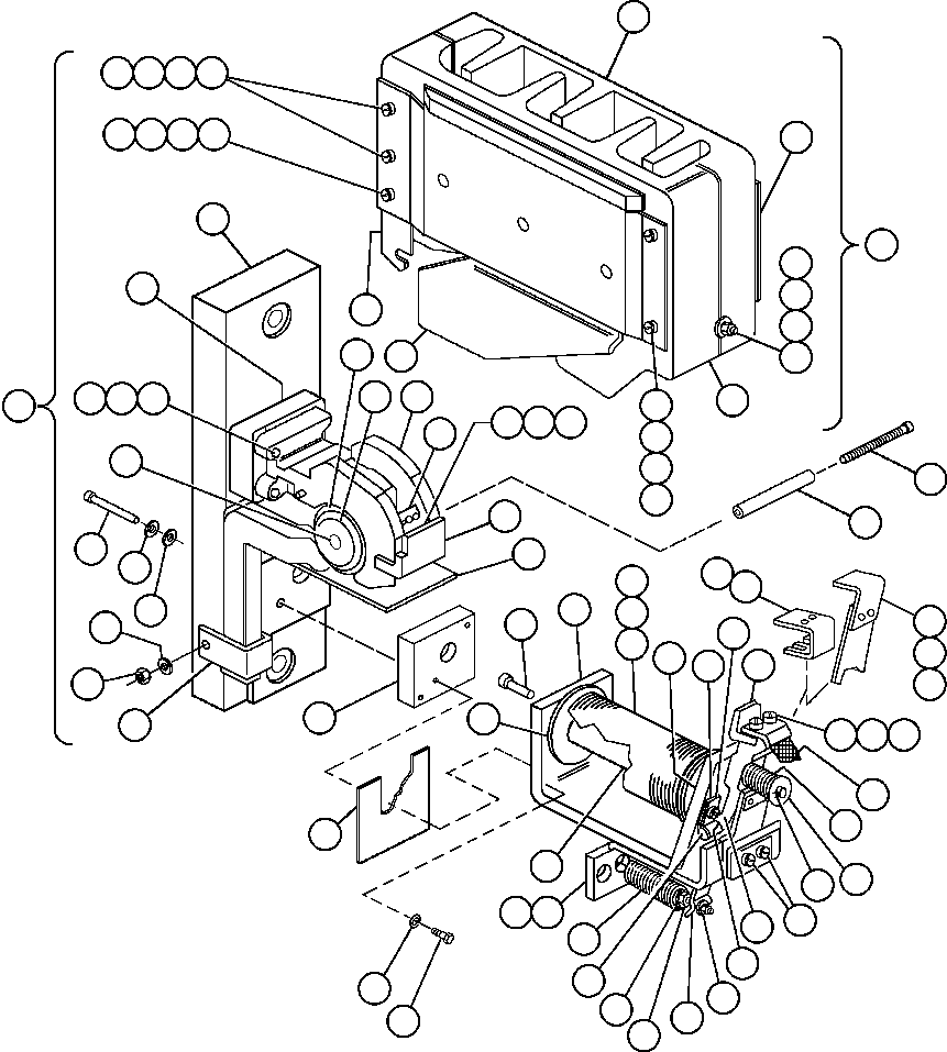
| ? | VE1317 | CONTACTOR | 1 | ||||
| ? | VS8925 | MAGNET, FRAME | 1 | ||||
| ? | VS8908 | CORE | 1 | ||||
| ? | VS9207 | SCREW WITH LOCKWASHER - #8 - 36NF X 1/2" | 1 | ||||
| ? | VS9322 | FRAME, SPRING BRACKET | 1 | ||||
| ? | VK0979 | SCREW WITH LOCKWASHER - 3/8" - 16NC X 3/4" | 2 | ||||
| ? | VM0242 | SPRING WITH PLUG | 1 | ||||
| ? | VE5771 | LOCKWASHER - #10 (EXTERNAL TOOTH) | 1 | ||||
| ? | SF2755 | NUT, HEX - #10 - 32NF (ZINC PL) | 1 | ||||
| ? | VS9034 | CALIBRATING SCREW - #10 - 32NF X 2 7/16" | 1 | ||||
| ? | BF1890 | ARMATURE ASSEMBLY | 1 | ||||
| ? | R3869 | SCREW - 5/16" X 5/8" | 2 | ||||
| ? | C1538 | • LOCKWASHER - 5/16" | 2 | ||||
| ? | VM0275 | SHUNT | 1 | ||||
| ? | VS9172 | PIN, 5/16" X 2 7/8" | 1 | ||||
| ? | VS9171 | CLAMP | 2 | ||||
| ? | VS9209 | SCREW WITH LOCKWASHER - #10 - 32NF X 1/2" | 2 | ||||
| ? | VS8285 | CONTACT ARM | 1 | ||||
| ? | VE5761 | COTTER PIN | 1 | ||||
| ? | VS9175 | SEAT SPRING | 1 | ||||
| ? | VM0253 | SPRING | 1 | ||||
| ? | VJ7860 | SCREW - 5/16" - 18NC X 1 1/4" | 4 | ||||
| ? | VE4696 | LOCKWASHER - 5/16" | 8 | ||||
| ? | AK1960 | FLAT WASHER - 5/16" (ZINC PL) | 8 | ||||
| ? | DC3584 | LOCKWASHER - 1/4" | 3 | ||||
| ? | VE4347 | NUT, HEX - 1/4" - 20NC | 3 | ||||
| ? | VE2250 | BOLT - 5/16" - 18NC X 2 1/4" | 2 | ||||
| ? | VE2249 | BOLT - 5/16" - 18NC X 2" | 2 | ||||
| ? | C1603 | SCREW - 3/8" - 16NC X 1 1/4" | 1 | ||||
| ? | C0312 | • LOCKWASHER - 3/8" | 1 | ||||
| ? | VJ8979 | CLAMP | 1 | ||||
| ? | VJ9150 | BOLT, HEX HD - 1/4" - 20NC X 3 1/2" | 1 | ||||
| ? | VE4604 | FLAT WASHER - #8 | 1 | ||||
| ? | VJ8710 | INSULATION FLANGE, 2 3/8" X 1/32" | 2 | ||||
| ? | BF1891 | CORE FLANGE - 2" OD | 2 | ||||
| ? | BF1892 | CORE | 1 | ||||
| ? | VS6662 | FLAT WASHER - #10 | 2 | ||||
| ? | VJ9158 | SCREW - #10 - 32NC X 3/8" | 2 | ||||
| ? | H2643 | • LOCKWASHER - #10 | 2 | ||||
| ? | VS6881 | FLAT WASHER - 5/16" (BRASS) | 2 | ||||
| ? | VS7830 | SPACER - 2 3/16" | 1 | ||||
| ? | VM0217 | ARCING HORN | 1 | ||||
| ? | VM0229 | ARCING HORN | 1 | ||||
| ? | VE7738 | SUPPORT BLOCK | 1 | ||||
| ? | VS7165 | BLOCK | 1 | ||||
| ? | VS7166 | BLOCK | 1 | ||||
| ? | VS7132 | INSULATION | 1 | ||||
| ? | VE2248 | SHIM - 0.035" | 1 | ||||
| ? | VM0229 | ARCING HORN | 1 | ||||
| ? | (NOT USED THIS APPLICATION) | ||||||
| ? | VJ1124 | BLOWOUT COIL SUPPORT | 1 | ||||
| ? | VE3288 | LOCKING PLATE | 1 | ||||
| ? | VE0252 | SPRING WASHER | 1 | ||||
| ? | VE1183 | CONTACT TIP | 2 | ||||
| ? | VJ0846 | ARC CHUTE | 1 | ||||
| ? | VS6697 | SUPPORT | 2 | ||||
| ? | VJ8965 | SIDE, ARC CHUTE | 1 | ||||
| ? | VJ8966 | SIDE, ARC CHUTE | 1 | ||||
| ? | VE5778 | POLE PIECE | 1 | ||||
| ? | VE1076 | POLE PIECE | 1 | ||||
| ? | VE5779 | MACHINE SCREW - 1/4" - 20NC X 1 1/4" | 1 | ||||
| ? | TR1307 | WASHER, PLAIN - 1/4" | 2 | ||||
| ? | DC3584 | LOCKWASHER - 1/4" | 6 | ||||
| ? | TD1549 | NUT, HEX - 1/4" - 20NC (ZINC PL) | 6 | ||||
| ? | VE5781 | BOLT, HEX HEAD - 1/4" - 20NC X 3 1/4" | 5 | ||||
| ? | VF6144 | FLAT WASHER - 1/4" | 2 | ||||
| ? | VS6695 | BUSHING - 5/32" | 4 | ||||
| ? | VS6696 | BUSHING - 3/8" | 4 | ||||
| ? | VM0250 | COIL, OPERATING | 1 |