k-part
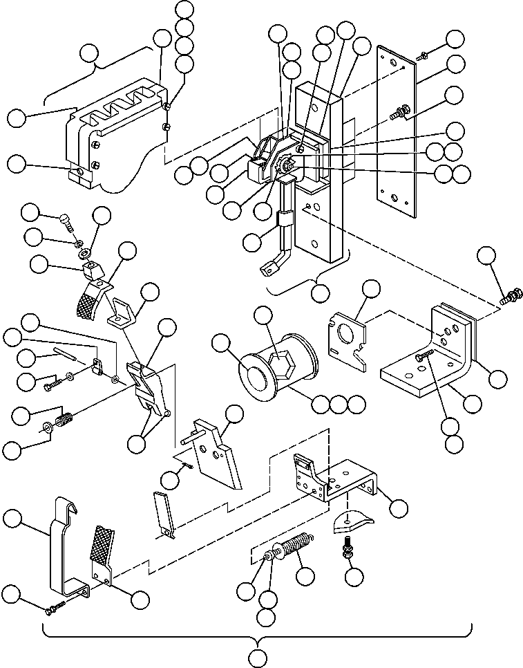
Номер на схеме Каталожный номер Название Количество Детали
? TV3419 CONTACTOR 1
? VS8893 BASE 1
? VS9207 SCREW WITH LOCKWASHER - #8 - 36NF X 1/2" 1
? VS8939 FRAME, MAGNET 1
? VS9318 STOP 1
? C5746 SCREW - 1/4" - 20NC X 3/4" 2
? C5774 • LOCKWASHER - 1/4" 2
? VE5759 SPRING WITH PLUG 1
? SD4235 LOCKWASHER - 1/4" (INTERNAL TOOTH) 1
? SF2755 NUT, HEX - #10 - 32NF 2
? VS9034 CALIBRATING SCREW - #10 - 32NF X 2 7/16" 1
? BF1890 ARMATURE ASSEMBLY 1
? R3869 SCREW - 5/16" - 18NC X 5/8" 2
? C1538 • LOCKWASHER - 5/16" 2
? VS8971 HORN WITH SPRING 1
? VM0276 SHUNT, FLEXIBLE 1
? VS9172 PIN - 5/16" X 2 7/8", STN STL 1
? VS9171 CLAMP 2
? VS6881 FLAT WASHER - 5/16" (BRASS) 2
? VS9209 SCREW WITH LOCKWASHER - #10 - 32NF X 1/2" 4
? VE5760 ARM 1
? VJ0819 BUSHING, PLAIN 2
? VM0252 SPRING 1
? VE5761 COTTER PIN - 3/32" X 1/2" 1
? VS9175 SEAT, SPRING 1
? VM0228 ARCING HORN 1
? VJ7860 SCREW, HEX SOC HD - 5/16" - 18NC X 1 1/4" 2
? 120386 FLAT WASHER - 5/16" 6
? VE4696 LOCKWASHER - 5/16" 2
? VS9285 CONTACTOR TIP 2
? VS9173 ARCING HORN 1
? VM0293 BLOWOUT COIL WITH STATIONARY CONTACT SUPPORT 1
? TR8320 SCREW, SL FIL HD - #10 - 32NF X 1/2" 2
? DC3101 LOCKWASHER - #10 3
? VS9071 POLE PIECE 1
? VS9072 POLE PIECE 1
? VE5763 MACHINE SCREW - #10 - 32NF X 3" (BRASS) 1
? VS8897 INSULATION TUBE - 0.546" 2
? VS8897 INSULATION TUBE - 0.546" 1
? VS8898 INSULATION TUBE - 2.230" 1
? VS8903 SHIELD - 0.060" 2
? VE5764 INSULATION TUBE - 2.227" 1
? (NOT USED THIS APPLICATION) 2
? VS8895 CORE, BLOWOUT COIL 1
? VS8894 CORE, MAGNET 1
? VS8899 INSULATION - 2 1/4" 1
? H6820 SCREW - 5/16" - 18NC X 1 1/4" 4
? C1538 • LOCKWASHER - 5/16" 4
? C1603 SCREW - 3/8" - 16NC X 1 1/4" 1
? C0312 • LOCKWASHER - 3/8" 1
? VE5765 MACHINE SCREW (SPECIAL) 1
? VS9049 SHIELD 1
? VE5766 MACHINE SCREW (SPECIAL) 2
? VJ9158 SCREW - #10 - 32NF X 3/8" 4
? H2648 • LOCKWASHER - #10 4
? VS6662 FLAT WASHER - #10 4
? VE4604 FLAT WASHER - #8 1
? VE2248 SHIM - 0.035" 1
? VE3288 LOCKING PLATE 1
? VE5767 ARC CHUTE 1
? VE5768 SIDE, ARC CHUTE 1
? VE5769 SIDE, ARC CHUTE 1
? VS8275 PIN 2
? VE5770 SCREW, SL HEX HD - #10 - 32NF X 1/4" 4
? VE4600 FLAT WASHER - #10 (NARROW) 8
? VS6662 FLAT WASHER - #10 4
? SF2755 NUT, HEX - #10 - 32NF 4
? VM0186 COIL, OPERATING 1
? VE0252 SPRING WASHER 1

Dump Trucks Komatsu / AFE47-X 730E S/N 32820 & 32835-32836  FOSCOR(AFE47-X) / CONTACTOR - (GF) & (MF) (TV3419)(414 : 64097)
?
?
?
?
?
?
?
?
?
?
?
?
?
?
?
?
?
?
?
?
?
?
?
?
?
?
?
?
?
?
?
?
?
?
?
?
?
?
?
?
?
?
?
?
?
?
?
?
?
?
?
?
?
?
?
?
?
?
?
?
?
?
?
?
?
?
?
?