| Номер на схеме | Каталожный номер | Название | Количество | Детали | |||
|---|---|---|---|---|---|---|---|
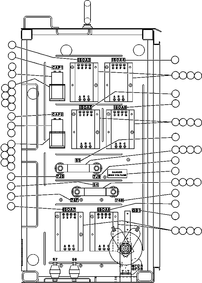
| ? | PB4252 | PANEL, ISO | 6 | ||||
| ? | MM0469 | LOCKWASHER - M6 | 12 | ||||
| ? | MM0459 | FLAT WASHER - M6 | 12 | ||||
| ? | MM0176 | NUT - M6 X 1.00 | 12 | ||||
| ? | WA3108 | PLATE, HIGH VOLTAGE WARNING | 1 | ||||
| ? | PB3347 | SHUNT | 2 | ||||
| ? | VC1387 | CAPSCREW - 1/2" - 13NC X 1" | 4 | ||||
| ? | TR5445 | LOCKWASHER - 1/2" | 4 | ||||
| ? | TR6008 | FLAT WASHER - 1/2" | 4 | ||||
| ? | TF6376 | MACHINE SCREW - #10 - 24NC X 1 1/4" | 2 | ||||
| ? | VS8432 | BRACKET | 2 | ||||
| ? | TC4830 | MACHINE SCREW - #6 - 32NC X 5/8" | 6 | ||||
| ? | DF4944 | LOCKWASHER - #6 | 6 | ||||
| ? | HE5125 | FLAT WASHER - #6 | 6 | ||||
| ? | DC3101 | LOCKWASHER - #10 | 2 | ||||
| ? | DF0017 | NUT - #10 - 24NC | 2 | ||||
| ? | VE5107 | CAPACITOR | 2 | ||||
| ? | TV4966 | MACHINE SCREW - #10 - 32NF | 4 | ||||
| ? | TZ7528 | NAME PLATE - ISOA3 | 1 | ||||
| ? | TZ7529 | NAME PLATE - ISOA4 | 1 | ||||
| ? | TZ7530 | NAME PLATE - ISOA5 | 1 | ||||
| ? | EB7405 | NAME PLATE - ISOA8 | 1 | ||||
| ? | TZ7545 | NAME PLATE - S3 | 1 | ||||
| ? | ED0363 | NAME PLATE - 7J9 | 1 | ||||
| ? | EB7406 | NAME PLATE - S4 | 1 | ||||
| ? | ED0375 | NAME PLATE - 74B | 1 | ||||
| ? | TZ7541 | NAME PLATE - GB1 | 1 | ||||
| ? | TZ7531 | NAME PLATE - ISOA6 | 1 | ||||
| ? | TZ7532 | NAME PLATE - ISOA7 | 1 | ||||
| ? | ED0374 | NAME PLATE - 74F | 1 | ||||
| ? | ED0371 | NAME PLATE - 7J5 | 1 | ||||
| ? | EC7254 | NAME PLATE - CAP2 | 1 | ||||
| ? | EC7253 | NAME PLATE - CAP1 | 1 |