| Номер на схеме | Каталожный номер | Название | Количество | Детали | |||
|---|---|---|---|---|---|---|---|
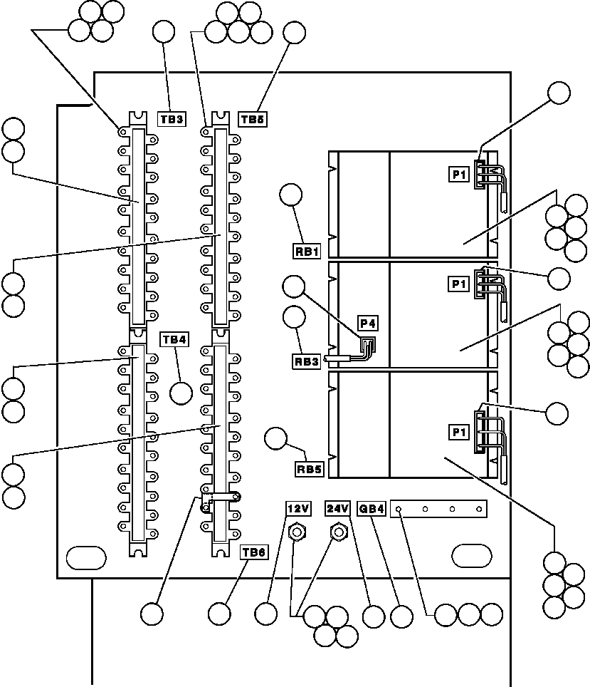
| ? | VS8193 | STRIP, TERMINAL | 4 | ||||
| ? | MM0206 | LOCKWASHER - M5 | 7 | ||||
| ? | MM0459 | FLAT WASHER - M6 | 15 | ||||
| ? | MM0373 | NUT - M5 | 7 | ||||
| ? | MM0176 | NUT - M6 X 1.00 | 4 | ||||
| ? | TZ7537 | NAME PLATE - TB3 | 1 | ||||
| ? | EC8817 | NAME PLATE - TB5 | 1 | ||||
| ? | MM0469 | LOCKWASHER - M6 | 12 | ||||
| ? | SM1943 | PANEL, RELAY ASSM (TURN SIGNAL) | 1 | ||||
| ? | SM3027 | • MODULE, FLASHER | 1 | ||||
| ? | SM3188 | • BREAKER, CIRCUIT - 15 AMP | 3 | ||||
| ? | SM3189 | • RELAY | 4 | ||||
| ? | SM1951 | PANEL, RELAY ASSM (STOP LIGHTS) | 1 | ||||
| ? | SM3035 | • MODULE, LIGHT DISPLAY | 1 | ||||
| ? | SM3188 | • BREAKER, CIRCUIT - 15 AMP | 4 | ||||
| ? | SM3189 | • RELAY | 4 | ||||
| ? | SM1959 | PANEL, RELAY ASSM (HEAD LIGHTS) | 1 | ||||
| ? | SM3043 | • MODULE, LIGHT DISPLAY | 1 | ||||
| ? | SM3188 | • BREAKER, CIRCUIT - 15 AMP | 4 | ||||
| ? | SM3189 | • RELAY | 4 | ||||
| ? | DC3584 | LOCKWASHER - 1/4" | 4 | ||||
| ? | SP8417 | FLAT WASHER - 1/4" | 4 | ||||
| ? | TD1548 | CAPSCREW - 1/4" - 20NC X 5/8" | 4 | ||||
| ? | EC8819 | NAME PLATE - RB1 | 1 | ||||
| ? | EC8821 | NAME PLATE - RB3 | 1 | ||||
| ? | EC8818 | NAME PLATE - TB6 | 1 | ||||
| ? | EC8823 | NAME PLATE - RB5 | 1 | ||||
| ? | TZ7539 | NAME PLATE - GB4 | 1 | ||||
| ? | TZ7377 | NAME PLATE - 24VDC | 1 | ||||
| ? | TA7409 | INSULATOR, STAND-OFF | 2 | ||||
| ? | SD5020 | LOCKWASHER - 1/4" | 2 | ||||
| ? | TZ7378 | NAME PLATE - 12VDC | 1 | ||||
| ? | TZ7538 | NAME PLATE - TB4 | 1 | ||||
| ? | SM3046 | NUT (SPECIAL) | 6 | ||||
| ? | ED8151 | HARNESS - RB1 (P1) | 1 | ||||
| ? | ED8152 | HARNESS - RB3 (P1/P2) | 1 | ||||
| ? | ED8155 | HARNESS - RB5 (P1) | 1 | ||||
| ? | ED8154 | HARNESS - RB3 (P4) | 1 | ||||
| ? | EB7418 | BAR, BUS | 1 | ||||
| ? | MM0581 | CAPSCREW - M6 - 1.00 X 16 | 6 | ||||
| ? | ED0913 | ROD, THREADED | 2 | ||||
| ? | TD1549 | NUT - 1/4" - 20NC | 2 | ||||
| ? | VM2951 | SET SCREW - #6 - 32NC X 5/16" | 8 | ||||
| ? | WB2095 | STRIP, CIRCUIT I.D. | 1 | ||||
| ? | WB0779 | STRIP, CIRCUIT I.D. | 1 | ||||
| ? | WB2096 | STRIP, CIRCUIT I.D. | 1 | ||||
| ? | WB2098 | STRIP, CIRCUIT I.D. | 1 |