| Номер на схеме | Каталожный номер | Название | Количество | Детали | |||
|---|---|---|---|---|---|---|---|
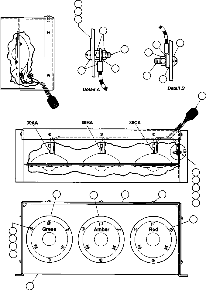
| ? | EB2846 | LIGHT ASSEMBLY - GREEN | 1 | ||||
| ? | SR6747 | • LAMP, MINIATURE | 1 | ||||
| ? | VE8588 | • LENS, GREEN | 1 | ||||
| ? | VE8106 | • GASKET, LENS | 1 | ||||
| ? | VE8590 | • RING, RETAINER | 1 | ||||
| ? | VE8591 | • GASKET, BOWL | 1 | ||||
| ? | EB2847 | LIGHT ASSEMBLY - AMBER | 1 | ||||
| ? | SR6747 | • LAMP, MINIATURE | 1 | ||||
| ? | VE8586 | • LENS, AMBER | 1 | ||||
| ? | VE8106 | • GASKET, LENS | 1 | ||||
| ? | VE8590 | • RING, RETAINER | 1 | ||||
| ? | VE8591 | • GASKET, BOWL | 1 | ||||
| ? | EB2848 | LIGHT ASSEMBLY - RED | 1 | ||||
| ? | SR6747 | • LAMP, MINIATURE | 1 | ||||
| ? | VE8587 | • LENS, RED | 1 | ||||
| ? | VE8106 | • GASKET, LENS | 1 | ||||
| ? | VE8590 | • RING, RETAINER | 2 | ||||
| ? | VE8591 | • GASKET, BOWL | 1 | ||||
| ? | EB3791 | HARNESS, INDICATOR LIGHT (1) | 1 | ||||
| ? | EF9164 | HARNESS, INDICATOR LIGHT (2) | 1 | ||||
| ? | EB4080 | HOUSING, INDICATOR LIGHT (1) | 1 | ||||
| ? | EC3027 | HOUSING, INDICATOR LIGHT (2) | |||||
| ? | HD6007 | MACHINE SCREW - #10 - 24NC X 3/4" | 10 | ||||
| ? | DF0017 | NUT - #10 - 24NC | 13 | ||||
| ? | DC3101 | LOCKWASHER - #10 | 13 | ||||
| ? | VC5344 | FLAT WASHER - #10 | 1 | ||||
| ? | EB4084 | COVER, HOUSING (1) | 1 | ||||
| ? | EC3030 | COVER, HOUSING (2) | 1 | ||||
| ? | WA2853 | SHEET METAL SCREW - #12 - 24NC X 5/8" | 7 | ||||
| ? | SD4245 | LOCKWASHER - #10 (EXTERNAL TOOTH) | 4 | ||||
| ? | SR6747 | BULB - 24V (REPLACEMENT FOR REF. 1, 2, 3) | 1 | ||||
| ? | NOTE: (1) INCLUDED IN EB3789 R.H. PAYLOAD LIGHT ASSM. | ||||||
| ? | (2) INCLUDED IN EF9163 L.H. PAYLOAD LIGHT ASSM. | ||||||
| ? | (QUANTITIES SHOWN ARE FOR ONE ASSM) |