| Номер на схеме | Каталожный номер | Название | Количество | Детали | |||
|---|---|---|---|---|---|---|---|
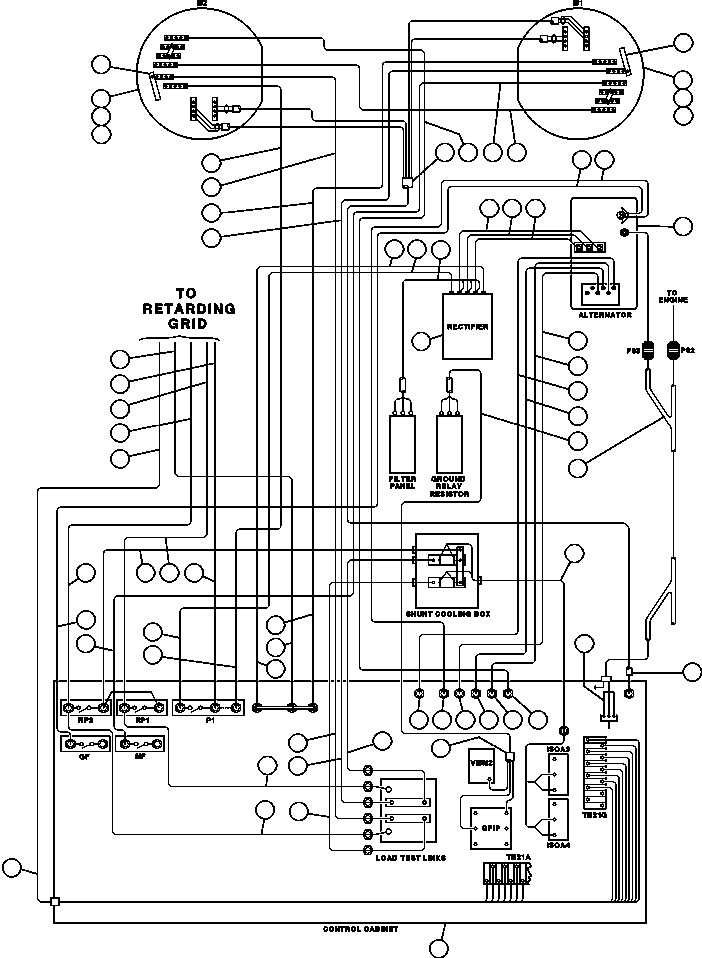
| ? | PB9266 | ALTERNATOR/BLOWER ASSEMBLY | 1 | ||||
| ? | PB9732 | WHEEL, MOTORIZED DRIVE (788FS10) | 2 | ||||
| ? | VN3270 | CAPSCREW - 1 1/4" - 7NC X 5" | 96 | ||||
| ? | WA0366 | FLAT WASHER - 1 1/4" | 96 | ||||
| ? | TK5255 | BAR, BUS | 2 | ||||
| ? | TG5720 | CAPSCREW - 3/8" - 16NC X 1" | 2 | ||||
| ? | TR1376 | CAPSCREW - 3/8" - 16NC X 1 1/4" | 2 | ||||
| ? | PB6489 | RECTIFIER | 1 | ||||
| ? | BD5535 | CABINET, CONTROL | 1 | ||||
| ? | CH2531 | CABLE - 74AF (DRIVE WHEEL TO DRIVE WHEEL) | 1 | ||||
| ? | CH2522 | CABLE - 7J4 (MF CONTACTOR TO LEFT WHEEL MOTOR) | 1 | ||||
| ? | CH2524 | CABLE - 7J9 (S3 SHUNT TO RIGHT WHEEL MOTOR) | 1 | ||||
| ? | ED3913 | CABLE - G.E. CONDUIT | 1 | ||||
| ? | CH2151 | CABLE - 7J2 (P1 CONTACTOR TO RIGHT WHEEL MOTOR) | 1 | ||||
| ? | CH2153 | CABLE - 7J1R (CONTROL CABINET TO RIGHT WHEEL MOTOR) | 1 | ||||
| ? | CH2152 | CABLE - 7J10 (LEFT WHEEL, MOTOR TO CONTROL CABINET) | 1 | ||||
| ? | CH2154 | CABLE - 7J1L (CONTROL CABINET TO LEFT WHEEL MOTOR) | 1 | ||||
| ? | CH2592 | CABLE - 74 (ALTERNATOR TO GF CONTACTOR) | 1 | ||||
| ? | CH2595 | CABLE - 74AA (ALTERNATOR TO AFSE CONTACTOR) | 1 | ||||
| ? | CH3120 | CABLE - T1 (ALTERNATOR TO RECTIFIER) | 1 | ||||
| ? | CH3121 | CABLE - T2 (ALTERNATOR TO RECTIFIER) | 1 | ||||
| ? | CH3122 | CABLE - T3 (ALTERNATOR TO RECTIFIER) | 1 | ||||
| ? | CH2596 | CABLE - 75X (ALTERNATOR - T15 TO MFSE PANEL) | 1 | ||||
| ? | CH2594 | CABLE - 74D (ALTERNATOR - T14 TO S6 SHUNT | 1 | ||||
| ? | CH2593 | CABLE - 71J (ALTERNATOR - T13 TO AFSE PANEL) | 1 | ||||
| ? | CH2591 | CABLE - 71G (ALTERNATOR - T16 TO S7 SHUNT) | 1 | ||||
| ? | TZ9163 | HARNESS - (GRR PANEL TO GRR CONTACTOR) | 1 | ||||
| ? | YA3199 | HARNESS - (TO ALTERNATOR (ESS)/ENGINE CONTROL) | 1 | ||||
| ? | CH3149 | CABLE - 7J10 (CONTROL CABINET TO BLOWN GRID) | 1 | ||||
| ? | CH2667 | CABLE - 7J2 (P1 CONTACTOR TO BLOWN GRID) | 1 | ||||
| ? | CH2669 | CABLE - 7J8 (RP1 CONTACTOR TO BLOWN GRID) | 1 | ||||
| ? | CH2668 | CABLE - 7J7 (RP2 CONTACTOR TO BLOWN GRID) | 1 | ||||
| ? | EG0002 | HARNESS - (CONTROL CABINET TO BLOWN GRID) | 1 | ||||
| ? | CH2160 | CABLE - 7GA2 (RECTIFIER TO P1 CONTACTOR) | 1 | ||||
| ? | CH2157 | CABLE - 7J1 (RP2 CONTACTOR TO LOAD TEST BOX) | 1 | ||||
| ? | CH2158 | CABLE - 7J7 (RP2 CONTACTOR TO LOAD TEXT BOX) | 1 | ||||
| ? | CH2159 | CABLE - 7J8 (RP1 CONTACTOR TO CONTROL CABINET) | 1 | ||||
| ? | CH2156 | CABLE - 7J1LS (CONTROL CABINET TO LOAD TEST BOX) | 1 | ||||
| ? | CH2155 | CABLE - 7J1RS (CONTROL CABINET TO LOAD TEST BOX) | 1 | ||||
| ? | CH3123 | CABLE - 7GA1 (RECTIFIER TO CONTROL CABINET) | 1 | ||||
| ? | EC7734 | HARNESS - (RECTIFIER TO FILTER PANEL) | 1 | ||||
| ? | EC7269 | HARNESS - (SHUNT 1 & 2 TO ISOA 3 & 4) | 1 |