k-part
Номер на схеме Каталожный номер Название Количество Детали
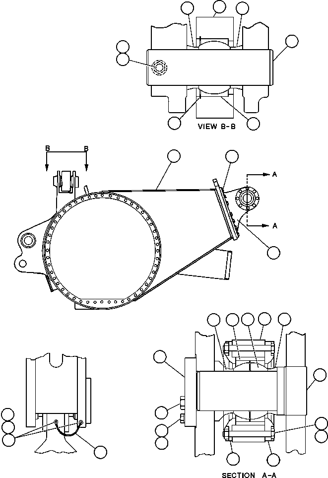
? YA2598 HOUSING, AXLE 1
? VN9106 CAPSCREW - 1 1/4" - 7NC X 3" 20
? EF6104 PIVOT EYE ASSEMBLY 1
? ED4355 • BUSHING 1
? PB9622 • BEARING, SPHERICAL 1
? ED4352 • EYE, PIVOT 1
? EG1348 PLATE, LOCK 1
? TZ2813 SPACER 2
? EG1347 PIN, PIVOT 1
? VN9189 CAPSCREW - 3/4" - 10NC X 6 1/2" 8
? VL2993 LOCKNUT - 3/4" - 10NC 8
? ED4353 RETAINER 1
? ED4354 RETAINER 1
? C1637 CAPSCREW - 5/8" - 11NC X 3 3/4" 3
? C1541 LOCKWASHER - 5/8" 3
? EC8134 CAPSCREW - 1" - 8NC X 3 1/4" 4
? VL4462 WIRE, GROUND 1
? MM0642 WELD STUD - M8 X 25 2
? MM0470 LOCKWASHER - M8 2
? MM0177 NUT - M8 X 1.25 2
? MM0173 CAPSCREW - M20 X 2.50 X 2.00 2
? MM0697 NUT - M20 X 2.50 2
? VN9350 RING, SNAP (1) 2
? WA6182 BEARING, SPHERICAL (1) 2
? EC4160 SPACER 4
? EC1737 BAR, ANTI-SWAY (1) 1
? EC4162 PIN 2
? NOTE: (1) INCLUDED IN EF7590 ANTI-SWAY BAR W/BEARINGS.

Dump Trucks Komatsu / AFE47-Y 730E S/N 32822   JWANENG(AFE47-Y) / DRIVE AXLE & MOUNTING(076 : 55017)
?
?
?
?
?
?
?
?
?
?
?
?
?
?
?
?
?
?
?
?
?
?
?
?
?
?
?
?
?