| Наименование | Страница | Код страницы |
|---|---|---|
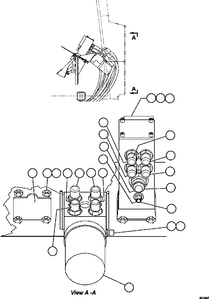
| RETARD/BRAKE VALVE ASSM PC0420 | 204 | 60065 |
| STEERING CONTROL UNIT PB9881 | 086 | 60104 |
| Номер на схеме | Каталожный номер | Название | Количество | Детали | |||
|---|---|---|---|---|---|---|---|
| ? | PB9881 | STEERING CONTROL VALVE ASSEMBLY (SEE INDEX) | 1 | 60104 | |||
| ? | HA7382 | HOSE - PORT "L" | 1 | ||||
| ? | HA5569 | HOSE - PORT "R" | 1 | ||||
| ? | HA7382 | HOSE - PORT "T" | 1 | ||||
| ? | HA5569 | HOSE - PORT "P" | 1 | ||||
| ? | WB0584 | FITTING, STRAIGHT ADAPTOR | 8 | ||||
| ? | WB0593 | FITTING, STRAIGHT ADAPTOR | 1 | ||||
| ? | WB0574 | FITTING, STRAIGHT ADAPTOR | 2 | ||||
| ? | PC0420 | RETARD/BRAKE VALVE ASSEMBLY (SEE INDEX) | 1 | 60065 | |||
| ? | MM0594 | CAPSCREW - M8 X 1.25 X 25 | 8 | ||||
| ? | MM0470 | LOCKWASHER - M8 | 8 | ||||
| ? | HA7331 | HOSE - PORT "P2" | 1 | ||||
| ? | HA7331 | HOSE - PORT "P1" | 1 | ||||
| ? | HA7331 | HOSE - PORT "B1" | 1 | ||||
| ? | HA7331 | HOSE - PORT "B2" | 1 | ||||
| ? | HA7389 | HOSE - PORT "T" | 1 | ||||
| ? | HA7360 | HOSE - PORT "PX" | 1 | ||||
| ? | HA7358 | HOSE - PORT "LS" | 1 | ||||
| ? | EC7875 | PLATE, COVER | 1 |