| Номер на схеме | Каталожный номер | Название | Количество | Детали | |||
|---|---|---|---|---|---|---|---|
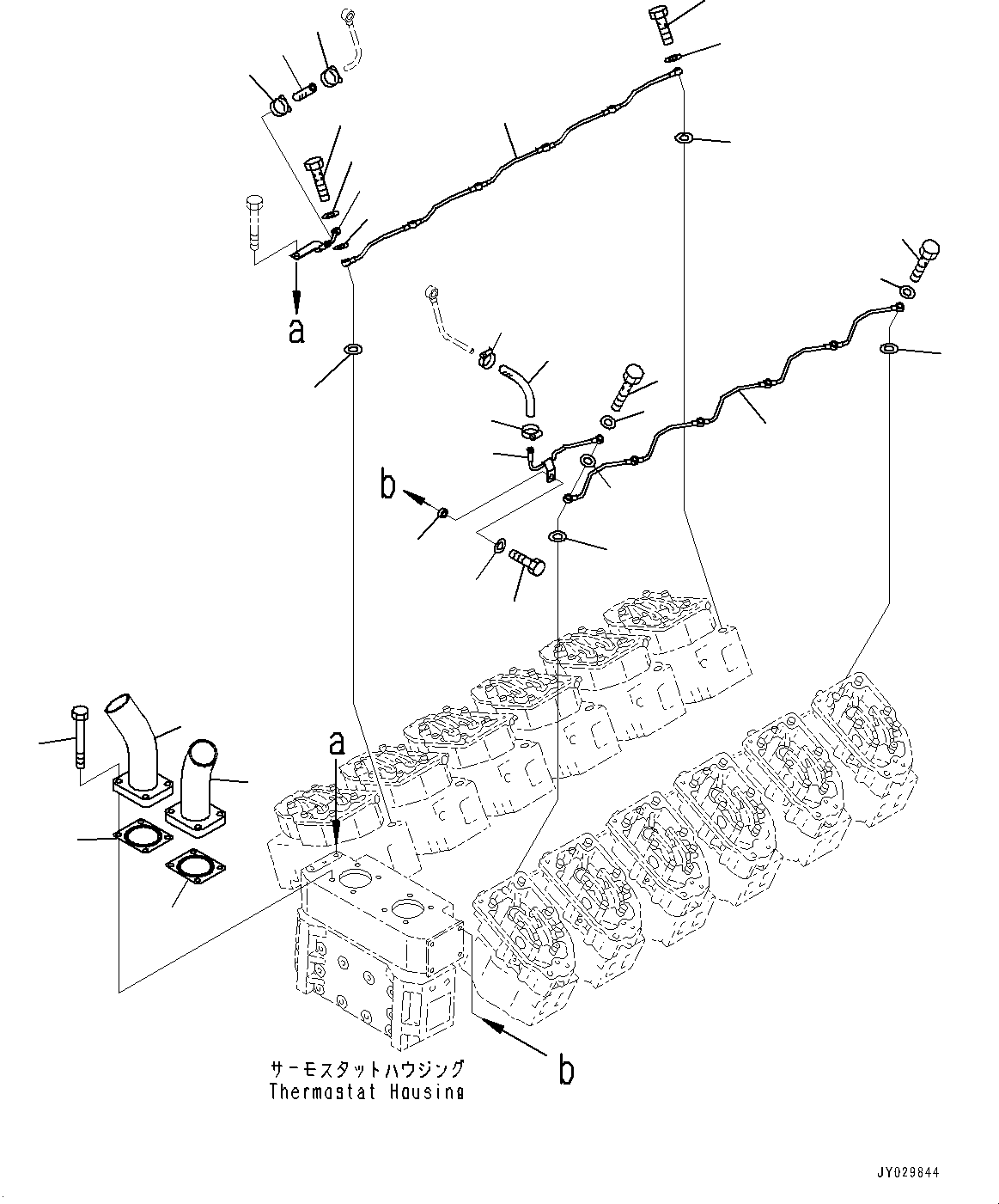
| ? | 6215-11-6180 | Tube, Outlet L.H. | 1 | SN: 502254- KIT-FLAG: _- SCC: SERIALNO: 502254- |
|||
| ? | 6215-11-6190 | Tube, Outlet R.H. | 1 | SN: 502254- KIT-FLAG: _- SCC: SERIALNO: 502254- |
|||
| ? | 6215-11-6831 | Gasket | 2 | SN: 502254- KIT-FLAG: S- SCC: SERIALNO: 502254- |
|||
| ? | 01011-81030 | Bolt | 6 | SN: 505510- KIT-FLAG: _- SCC: SERIALNO: 505510- |
|||
| ? | 01011-81030 | Bolt | 4 | SN: 505256-505509 KIT-FLAG: _- SCC: SERIALNO: 505256-505509 |
|||
| ? | 01011-81030 | Bolt | 6 | SN: 502254- KIT-FLAG: _- SCC: SERIALNO: 502254- |
|||
| ? | 07206-30710 | Bolt, Joint | 10 | SN: 502254- KIT-FLAG: _- SCC: SERIALNO: 502254- |
|||
| ? | 6215-11-6560 | Bolt, Joint | 2 | SN: 502254- KIT-FLAG: _- SCC: SERIALNO: 502254- |
|||
| ? | 01010-81035 | Bolt | 1 | SN: 502254- KIT-FLAG: _- SCC: SERIALNO: 502254- |
|||
| ? | 01643-31032 | Washer | 1 | SN: 502254- KIT-FLAG: _- SCC: SERIALNO: 502254- |
|||
| ? | 6219-11-6510 | Tube, Air Vent | 2 | SN: 502254- KIT-FLAG: _- SCC: SERIALNO: 502254- |
|||
| ? | 6219-11-6530 | Tube, L.H. | 1 | SN: 502254- KIT-FLAG: _- SCC: SERIALNO: 502254- |
|||
| ? | 6219-61-6580 | Tube, R.H. | 1 | SN: 502254- KIT-FLAG: _- SCC: SERIALNO: 502254- |
|||
| ? | 6219-61-6710 | Hose, R.H. | 1 | SN: 502254- KIT-FLAG: _- SCC: SERIALNO: 502254- |
|||
| ? | 6219-61-6730 | Hose, L.H. | 1 | SN: 502254- KIT-FLAG: _- SCC: SERIALNO: 502254- |
|||
| ? | 07003-01015 | Gasket | 26 | SN: 502254- KIT-FLAG: S- SCC: SERIALNO: 502254- |
|||
| ? | 07281-00197 | Clamp | 4 | SN: 502254- KIT-FLAG: _- SCC: SERIALNO: 502254- |
|||
| ? | 417-823-1460 | Spacer | 1 | SN: 502254- KIT-FLAG: _- SCC: SERIALNO: 502254- |