| Номер на схеме | Каталожный номер | Название | Количество | Детали | |||
|---|---|---|---|---|---|---|---|
| ? | MM0178 | NUT, M10 X 1.50 | 10 | ||||
| ? | MM0471 | LOCKWASHER - M10 | 10 | ||||
| ? | MM0713 | FLAT WASHER - M10 (HARDENED) (ZINC) | 10 | ||||
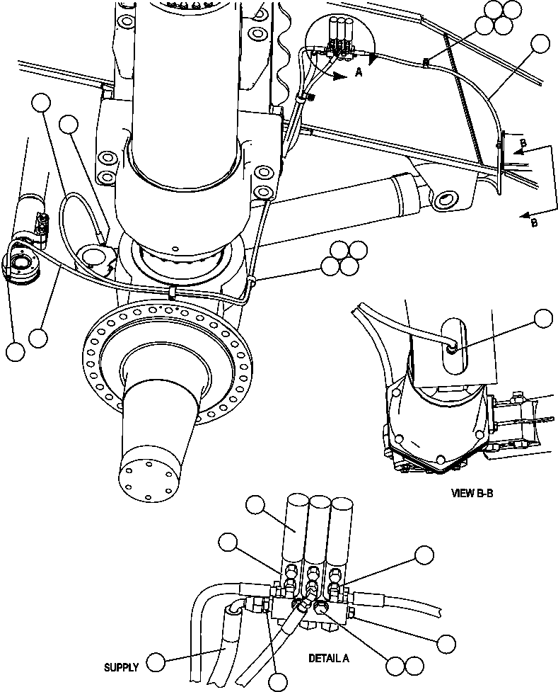
| ? | VN9907 | CLAMP, VINYL - 5/8" | 4 | ||||
| ? | TA1968 | HOSE | 2 | ||||
| ? | WB0574 | FITTING, 37 DEG FLARE, STRAIGHT ADAPTER | 2 | ||||
| ? | TC6058 | CLAMP - 1 1/2" I.D. | 6 | ||||
| ? | VW7990 | CAP, PROTECTIVE | 6 | ||||
| ? | WB0252 | FITTING, ELBOW - 90 DEG | 6 | ||||
| ? | C5770 | PLUG, PIPE | 2 | ||||
| ? | MM0064 | CAPSCREW - M10 X 1.50 X 45 | 4 | ||||
| ? | WB0462 | FITTING, STRAIGHT | 2 | ||||
| ? | HA5583 | HOSE | 2 | ||||
| ? | TA4410 | INJECTOR (3 PIECE) (1) | 2 | ||||
| ? | WB0252 | FITTING, 37 DEG FLARE, 90 DEG ELBOW | 2 | ||||
| ? | HA0101 | HOSE | 2 | ||||
| ? | HA0516 | HOSE | 2 | ||||
| ? | WB0499 | FITTING, 37 DEG FLARE, 90 DEG ELBOW | 2 |