k-part
Номер на схеме Каталожный номер Название Количество Детали
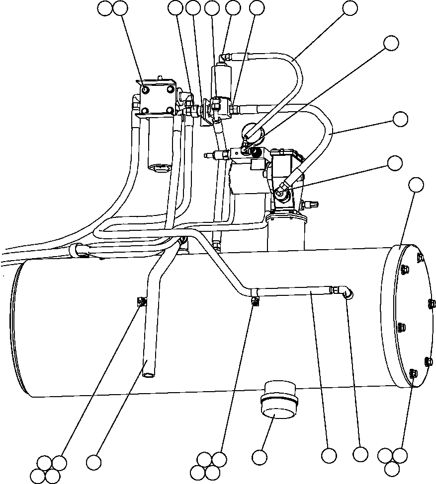
? C1601 CAPSCREW - 3/8" - 16NC X 3/4" 4
? WA4726 FLAT WASHER - 3/8" (ZINC) 4
? WB0362 FITTING, 37 DEG FLARE, STRAIGHT ADAPTER 1
? WA5468 FITTING, BULKHEAD 1
? WB0258 FITTING, 37 DEG FLARE, 90 DEG ELBOW 2
? WB0255 FITTING, 37 DEG FLARE, 90 DEG ELBOW 1
? WB0469 FITTING, 37 DEG FLARE, STRAIGHT ADAPTER 1
? HA6083 HOSE 1
? WB0372 FITTING, 37 DEG FLARE, 90 DEG ELBOW 1
? HA6198 HOSE 1
? EG8967 COVER 1
? MM0618 CAPSCREW - M12 X 1.75 X 30 (ZINC) 6
? MM0472 LOCKWASHER - M12 6
? MM0705 FLAT WASHER - M12 (HARDENED) 6
? WB0265 FITTING, 37 DEG FLARE, 90 DEG ELBOW 1
? HA5568 HOSE 1
? VL4063 FITTING, PIPE CAP 1
? TG2568 CLAMP, VINYL - 7/8" 1
? MM0178 NUT - M10 X 1.50 2
? MM0471 LOCKWASHER - M10 2
? MM0713 FLAT WASHER - M10 (HARDENED) (ZINC) 2
? TN4043 HOSE, HEATER 1
? TR9441 CLAMP, VINYL - 1 1/4" 1

Dump Trucks Komatsu / AFE47-EA 730E S/N A30427 & A30428      OCP(AFE47-EA) / AUTOMATIC LUBRICATION - PUMP INSTALLATION - 1(422 : 55849)
?
?
?
?
?
?
?
?
?
?
?
?
?
?
?
?
?
?
?
?
?
?
?
?
?
?
?