k-part
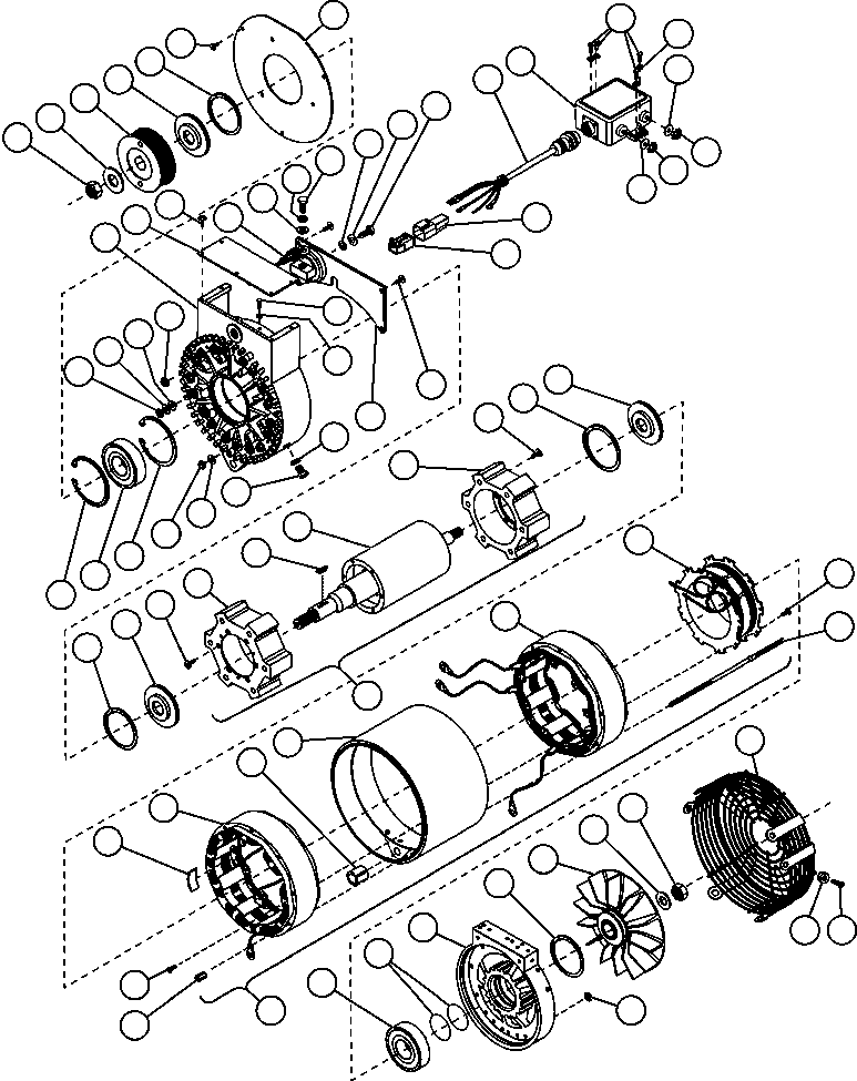
Номер на схеме Каталожный номер Название Количество Детали
? BF4962 LOCKNUT - 5/8" - 18NF (2)/(3) 1
? BF4963 WASHER, BELLEVILLE (2)/(3) 1
? PULLEY (1) 1
? BF4957 BUSHING, PULLEY 1
? BF4864 RING, RETAINING (3) 2
? BF1970 PLATE, COVER 1
? BF1989 RING, RETAINING - BEVELED (2)/(3) 1
? BF4865 BEARING, FRONT 1
? BF1988 RING, RETAINING - BEVELED (2)/(3) 1
? XA2098 HOUSING, DRIVE END 1
? XA3295 • COVER, CONTROL UNIT 1
? XA3302 • SWITCH, THERMAL 1
? XA2113 • CAPSCREW - 1/2" - 13NC X 1" (2)/(3) 1
? XA3312 • LOCKWASHER - 1/2" (3) 1
? XA3313 • FLAT WASHER - 1/2" (3) 1
? XA0188 • COVER, STUD ASSEMBLY 1
? BF4967 • CAPSCREW - M12 X 1.75 X 25 (2)/(3) 1
? BF4966 • LOCKWASHER - M12 (2)/(3) 1
? BF1996 • FLAT WASHER - M12 (2)/(3) 1
? XA3601 • SHELL, CONNECTOR - MALE 1
? XA3602 • SHELL, CONNECTOR - FEMALE 1
? XA2130 • HARNESS 1
? XA2112 • SCREW - #8 - 32NC X 3/8" (2)/(3) 15
? XA2122 • JAM NUT - 1/4" - 28NF (2)/(3) 18
? XA2121 • FLAT WASHER - 1/4" (2)/(3) 12
? XA2120 • INSULATOR (3) 12
? BF2002 • LOCKNUT - #8 - 32NC (2)/(3)/(4) 18
? BF4973 • FLAT WASHER - 1/4" (2)/(3) 6
? BF4969 • CAPSCREW - M10 X 1.50 X 20 (2)/(3) 2
? BF4968 • LOCKWASHER - M10 (2)/(3) 2
? BF4980 • LOCKWASHER - 3/8" (2)/(3) 1
? BF4979 • CAPSCREW - M10 X 1.40 X 20 (2)/(3) 1
? XA2109 REGULATOR 1
? XA2117 • LOCKNUT - M6 X 1.00 (2)/(3) 2
? XA2116 • WASHER, BELLEVILLE (2)/(3) 1
? BF4970 SCREW, HEX HEAD - M5 X 0.8 X 12 (2)/(3) 4
? XA2114 WASHER, BELLEVILLE (3) 2
? XA2118 WASHER, BELLEVILLE (2)/(3) 2
? XA2115 NUT - M5 X 0.8 (2)/(3) 1
? BF4860 BUSHING, PULLEY 1
? XA2099 SHAFT & CORE, ROTOR ASSEMBLY 1
? BF3719 • CAPSCREW - #10 - 32NF X 1/2" (2)/(3) 12
? XA2100 • ROTOR ASSEMBLY 2
? XA2101 • SHAFT & CORE ASSEMBLY 1
? BF1999 • KEY, WOODRUFF - 5/32" X 3/4" (2)/(3) 1
? XA2102 RING, CARRIER 1
? XA2104 FIELD COIL ASSEMBLY 1
? BF1981 • BUSHING, TENSION 1
? • SHELL (2) 1
? XA2105 • STATOR, DRIVE END 1
? XA2106 • STATOR, ANTI-DRIVE END 1
? BF3723 • NUT - #8 - 32NC (2)/(3)/(5) 9
? BF4978 • WEDGE, STATOR (5) 6
? XA3304 • COIL, FIELD 1
? BF3722 • • SCREW, PAN HEAD - #8 - 32NC X 3/ 16
? BF1980 • STUD - #8 - 32NC X 8 5/8" 9
? XA2108 BEARING, ANTI-DRIVE END 1
? XA2107 HOUSING, ANTI-DRIVE END 1
? XA2110 • O-RING (3) 2
? XA2096 FAN 1
? XA2103 • RING, SPIRAL (3) 2
? BF4975 WASHER, BELLEVILLE (2)/(3) 1
? BF4976 NUT - M16 X 1.50 (2)/(3) 1
? XA2097 GUARD, FAN 1
? BF4977 • SCREW - M5 X 0.8 X 25 (2)/(3) 6
? XA2119 • GROMMET 6
? NOTE: (1) SUPPLIED WITH ENGINE.
? (2) NOT SERVICED SEPARATELY.
? (3) INCLUDED IN XA3306 SMALL GOODS PACKAGE.
? (4) ALSO INCLUDED IN XA2107 ANTI-DRIVE END HOUSING.
? (5) ALSO INCLUDED IN XA2105 DRIVE END STATOR &
? XA2106 ANTI-DRIVE END STATOR.

Dump Trucks Komatsu / AFE47-EA 730E S/N A30427 & A30428      OCP(AFE47-EA) / BATTERY CHARGING ALTERNATOR (XA3319)(352 : 61065)
?
?
?
?
?
?
?
?
?
?
?
?
?
?
?
?
?
?
?
?
?
?
?
?
?
?
?
?
?
?
?
?
?
?
?
?
?
?
?
?
?
?
?
?
?
?
?
?
?
?
?
?
?
?
?
?
?
?
?
?
?
?
?
?
?
?
?
?
?
?
?
?
?
?
?