k-part

Номер на схеме Каталожный номер Название Количество Детали
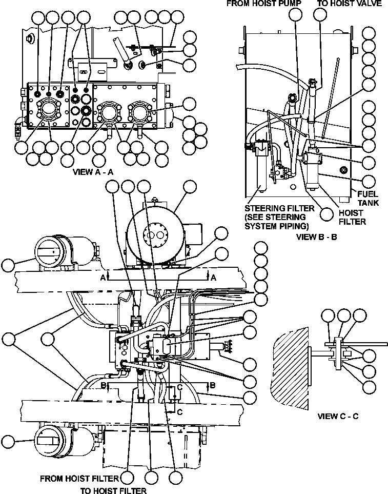
? EK7086 CYLINDER, HOIST (SEE FIG 55620) 2 55620
? EK4066 TANK, HYDRAULIC (SEE FIG 55621) 1 55621
? HA2463 HOSE 2
? HA7431 HOSE 2
? HA7340 HOSE 1
? HA7894 HOSE 1
? HA5194 HOSE 1
? HA7332 HOSE 1
? EJ1018 HOIST PUMP MODULE (SEE FIG 55484 & 55485) (1) 1 55484
? HA7339 HOSE 1
? WB0508 FITTING, ELBOW - 90 DEG 3
? HA7454 HOSE 1
? HA7695 HOSE 1
? HA4273 HOSE 1
? HA6502 HOSE 3
? PC0184 SHAFT, DRIVE (SEE FIG 55350) 1 55350
? TG2568 CLAMP, VINYL 3
? C1602 CAPSCREW - 3/8" - 16NC X 1" 1
? WA0720 FLAT WASHER - 3/8" 1
? C0312 LOCKWASHER - 3/8" 1
? C1521 NUT - 3/8" - 16NC 1
? VL9963 CLAMP, SPLIT 8
? WA0237 O-RING 6
? C1629 CAPSCREW - 5/8" - 11NC X 1 3/4" 8
? C1541 LOCKWASHER - 5/8" 19
? C1640 CAPSCREW - 5/8" - 11NC X 4 1/4" 8
? WB0581 FITTING, STRAIGHT 2
? WB0601 FITTING, STRAIGHT 1
? EK4069 GUARD 1
? MM0042 CAPSCREW - M10 X 1.50 X 25 4
? MM0461 FLAT WASHER - M10 4
? WB0297 FITTING, ELBOW - 45 DEG 1
? PB2717 PROBE, TEMP 1
? PB2639 PROBE, LEVEL 1
? PB3019 REDUCER, BAFFLED 1
? HA7768 HOSE 1
? PC0171 VALVE, SHUT-OFF - 3" 1
? PC0171 VALVE, SHUT-OFF - 3" 1
? HA7333 HOSE 1
? WB0585 FITTING, STRAIGHT 1
? VM0314 PLUG, BOSS - 3/8" 1
? VM0317 PLUG, BOSS - 3/4" 1
? EH1236 FILTER ASSEMBLY 1
? PB9715 • FILTER, HI-PRESSURE (SEE INDEX) 1 55504
? PB7034 • SEAL, CABLE 2
? PB7740 • SLEEVE, TERMINAL 2
? PB7743 • CONNECTOR, FEMALE 1
? TF3231 CLAMP, SPLIT 6
? WA0187 O-RING 3
? C1614 CAPSCREW - 1/2" - 13NC X 1 1/2" 12
? C1540 LOCKWASHER - 1/2" 16
? WB0996 FITTING, SPLIT SWIVEL 1
? PB6770 COUPLING, QUICK DISCONNECT - MALE 1
? EG1215 PLATE 1
? TH5601 CLAMP, HALF 1
? TH5602 GROMMET 1
? C7591 CAPSCREW - 1/4" - 20NC X 2" 2
? C5774 LOCKWASHER - 1/4" 2
? VG7000 MOUNT, CENTER BONDED 3
? C1637 CAPSCREW - 5/8" - 11NC X 3 3/4" 3
? WA0361 FLAT WASHER - 5/8" 3
? TD5915 WASHER (SPECIAL) 6
? C1525 NUT - 5/8" - 11NC 3
? PC1438 PLUG, FLANGE 1
? NOTE: (1) NOT SOLD AS AN ASSEMBLY.
? ORDER INDIVIDUAL COMPONENT PARTS.

Dump Trucks Komatsu / AFE47-BZ 730E  S/N A30246-A30256  HAMMERSLEY IRON(AFE47-BZ) / HYDRAULIC SYSTEM PIPING(298 : 55619)
?
?
?
?
?
?
?
?
?
?
?
?
?
?
?
?
?
?
?
?
?
?
?
?
?
?
?
?
?
?
?
?
?
?
?
?
?
?
?
?
?
?
?
?
?
?
?
?
?
?
?
?
?
?
?
?
?
?
?
?
?
?
?
?
?
?
?
?
?
?
?
?
?
?
?
?
?