k-part
Номер на схеме Каталожный номер Название Количество Детали
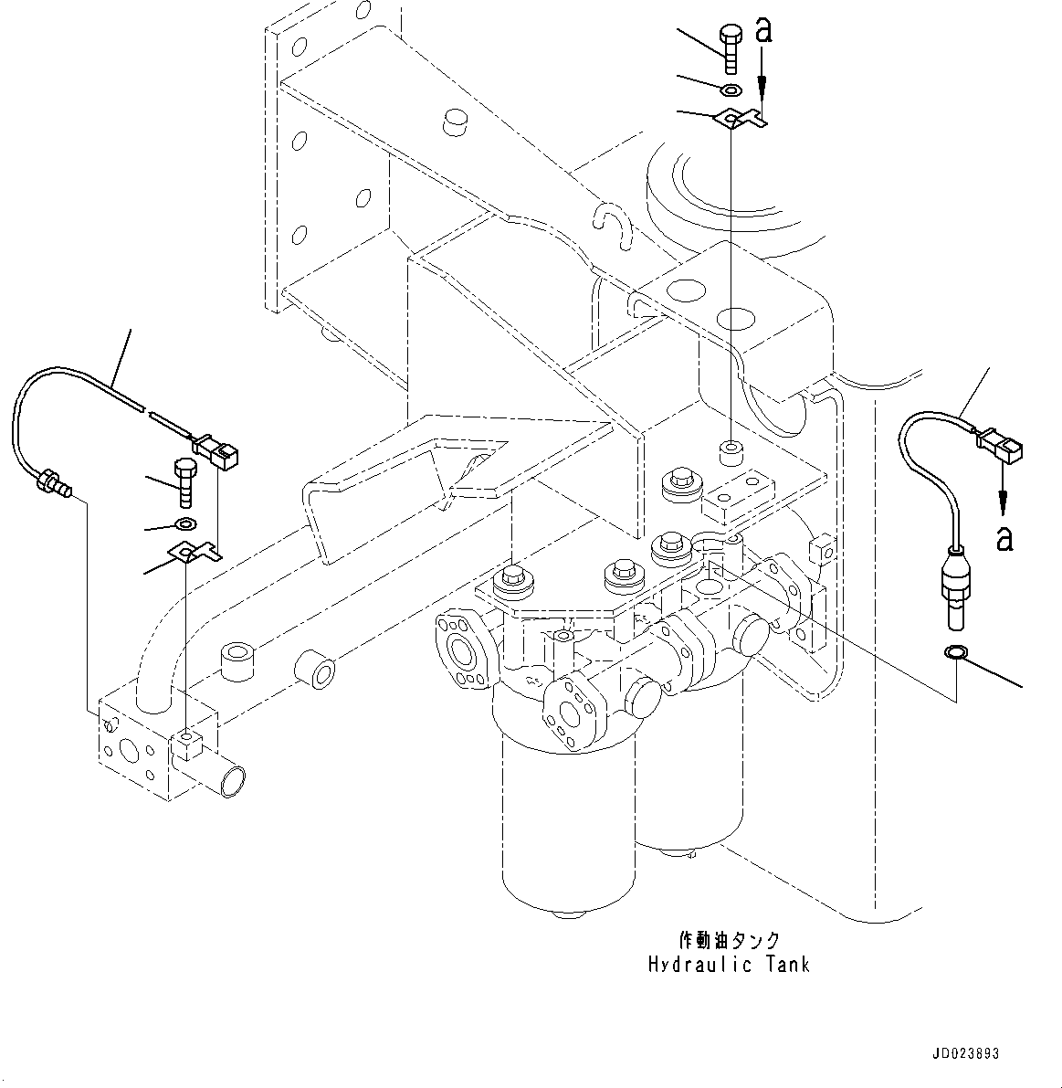
? 7861-93-3320 Sensor, Temperature 1
SN: 7758-
KIT-FLAG: _-
SCC:
SERIALNO: 7758-
? 08193-21012 Clip 1
SN: 7758-
KIT-FLAG: _-
SCC:
SERIALNO: 7758-
? 01010-81016 Bolt 1
SN: 7758-
KIT-FLAG: _-
SCC:
SERIALNO: 7758-
? 01643-31032 Washer 1
SN: 7758-
KIT-FLAG: _-
SCC:
SERIALNO: 7758-
? 7861-93-1930 Sensor, Pressure, Transmission Filter 1
SN: 7758-
KIT-FLAG: _-
SCC:
SERIALNO: 7758-
? 07005-01612 Seal, Washer 1
SN: 7758-
KIT-FLAG: _-
SCC:
SERIALNO: 7758-
? 08193-21012 Clip 1
SN: 7758-
KIT-FLAG: _-
SCC:
SERIALNO: 7758-
? 01010-81016 Bolt 1
SN: 7758-
KIT-FLAG: _-
SCC:
SERIALNO: 7758-
? 01643-31032 Washer 1
SN: 7758-
KIT-FLAG: _-
SCC:
SERIALNO: 7758-

Dump Trucks Komatsu / HD405-7 S/N 7594-UP(0000492c) / Hydraulic Tank, Sensor (#7758-)(H003023 : H0150-006023)
?
?
?
?
?
?
?
?
?