k-part

Номер на схеме Каталожный номер Название Количество Детали
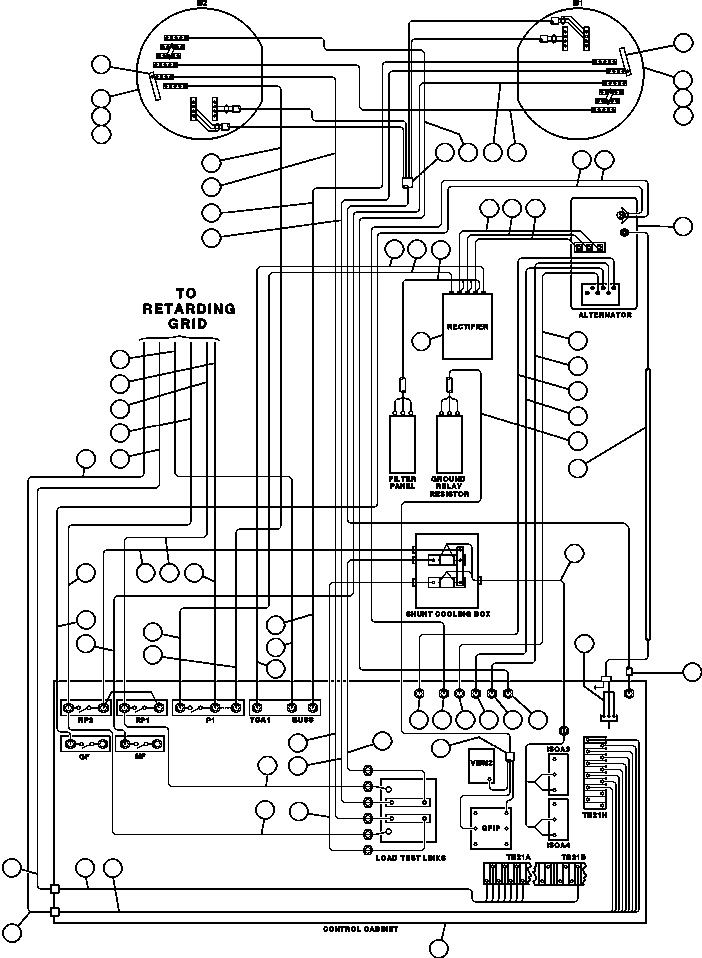
? PB9266 ALTERNATOR/BLOWER ASSEMBLY (SEE INDEX) 1 64104A
? PB9732 WHEEL, MOTORIZED DRIVE (788FS10) (SEE INDEX) 2 64099A
? VN3270 CAPSCREW - 1 1/4" - 7NC X 5" 96
? WA0366 FLAT WASHER - 1 1/4" 96
? TK5255 BAR, BUS 2
? TG5720 CAPSCREW - 3/8" - 16NC X 1" 2
? TR1376 CAPSCREW - 3/8" - 16NC X 1 1/4" 2
? PB6489 RECTIFIER 1
? EK3497 CABINET, CONTROL (SEE INDEX) 1 41437
? CH2531 CABLE - 74AF (DRIVE WHEEL TO DRIVE WHEEL) 1
? CH2597 CABLE - 7J4 (MF CONTACTOR TO LEFT WHEEL MOTOR) 1
? CH2524 CABLE - 7J9 (S3 SHUNT TO RIGHT WHEEL MOTOR) 1
? ED3913 CABLE - G.E. CONDUIT 1
? CH3193 CABLE - 7J2 (P1 CONTACTOR TO RIGHT WHEEL MOTOR) 1
? CH2153 CABLE - 7J1R (CONTROL CABINET TO RIGHT WHEEL MOTOR) 1
? CH3194 CABLE - 7J10 (P2 CONTACTOR TO LEFT WHEEL MOTOR) 1
? CH2154 CABLE - 7J1L (CONTROL CABINET TO LEFT WHEEL MOTOR) 1
? CH2599 CABLE - 74 (ALTERNATOR TO GF CONTACTOR) 1
? CH2595 CABLE - 74AA (ALTERNATOR TO AFSE CONTACTOR) 1
? CH3924 CABLE - T1 (ALTERNATOR TO RECTIFIER) 1
? CH3925 CABLE - T2 (ALTERNATOR TO RECTIFIER) 1
? CH3926 CABLE - T3 (ALTERNATOR TO RECTIFIER) 1
? CH2596 CABLE - 75XX (ALTERNATOR - T15 TO MFSE PANEL) 1
? CH2594 CABLE - 74D (ALTERNATOR - T14 TO S6 SHUNT 1
? CH2593 CABLE - 71J (ALTERNATOR - T13 TO AFSE PANEL) 1
? CH2591 CABLE - 71G (ALTERNATOR - T16 TO S7 SHUNT) 1
? TZ9163 HARNESS - (GRR PANEL TO GRR CONTACTOR) 1
? HARNESS - (TO ALTERNATOR - ESS) (GE SUPPLIED) 1
? CH3940 CABLE - 7GA1 (CONTROL CABINET TO BLOWN GRID) 1
? CH3941 CABLE - 7J2 (P1 CONTACTOR TO BLOWN GRID) 1
? CH3938 CABLE - 7J8 (RP1 CONTACTOR TO BLOWN GRID) 1
? CH3939 CABLE - 7J7 (RP2 CONTACTOR TO BLOWN GRID) 1
? EB2399 HARNESS - 3 STEP RETARDING 1
? EK2361 HARNESS - 7 STEP RETARDING 1
? CH3197 CABLE - 7J1 (RP2 CONTACTOR TO LOAD TEST BOX) 1
? CH3198 CABLE - 7J7 (RP2 CONTACTOR TO LOAD TEST BOX) 1
? CH3199 CABLE - 7J8 (RP1 CONTACTOR TO CONTROL CABINET) 1
? CH2156 CABLE - 7J1LS (CONTROL CABINET TO LOAD TEST BOX) 1
? CH2155 CABLE - 7J1RS (CONTROL CABINET TO LOAD TEST BOX) 1
? CH3911 CABLE - 7GA1 (RECTIFIER TO CONTROL CABINET) 1
? CH3901 CABLE - 7GA2 (RECTIFIER TO P1 CONTACTOR) 1
? (NOT USED THIS APPLICATION)
? (NOT USED THIS APPLICATION)
? EC7269 CABLE - (SHUNT 1 & 2 TO ISOA 3 & 4) 1
? EC7734 CABLE - (RECTIFIER TO FILTER PANEL) 1

Dump Trucks Komatsu / AFE47-BW 730E S/N A30230 & A30232-A30235 & A30238-A30242  ROBE RIVER(AFE47-BW) / ELECTRIC POWER COMPONENTS WIRING(192 : 55564)
?
?
?
?
?
?
?
?
?
?
?
?
?
?
?
?
?
?
?
?
?
?
?
?
?
?
?
?
?
?
?
?
?
?
?
?
?
?
?
?
?
?
?
?
?
?
?
?
?
?
?
?
?
?
?
?
?
?
?
?
?
?
?
?
?
?
?
?
?
?