| Номер на схеме | Каталожный номер | Название | Количество | Детали | |||
|---|---|---|---|---|---|---|---|
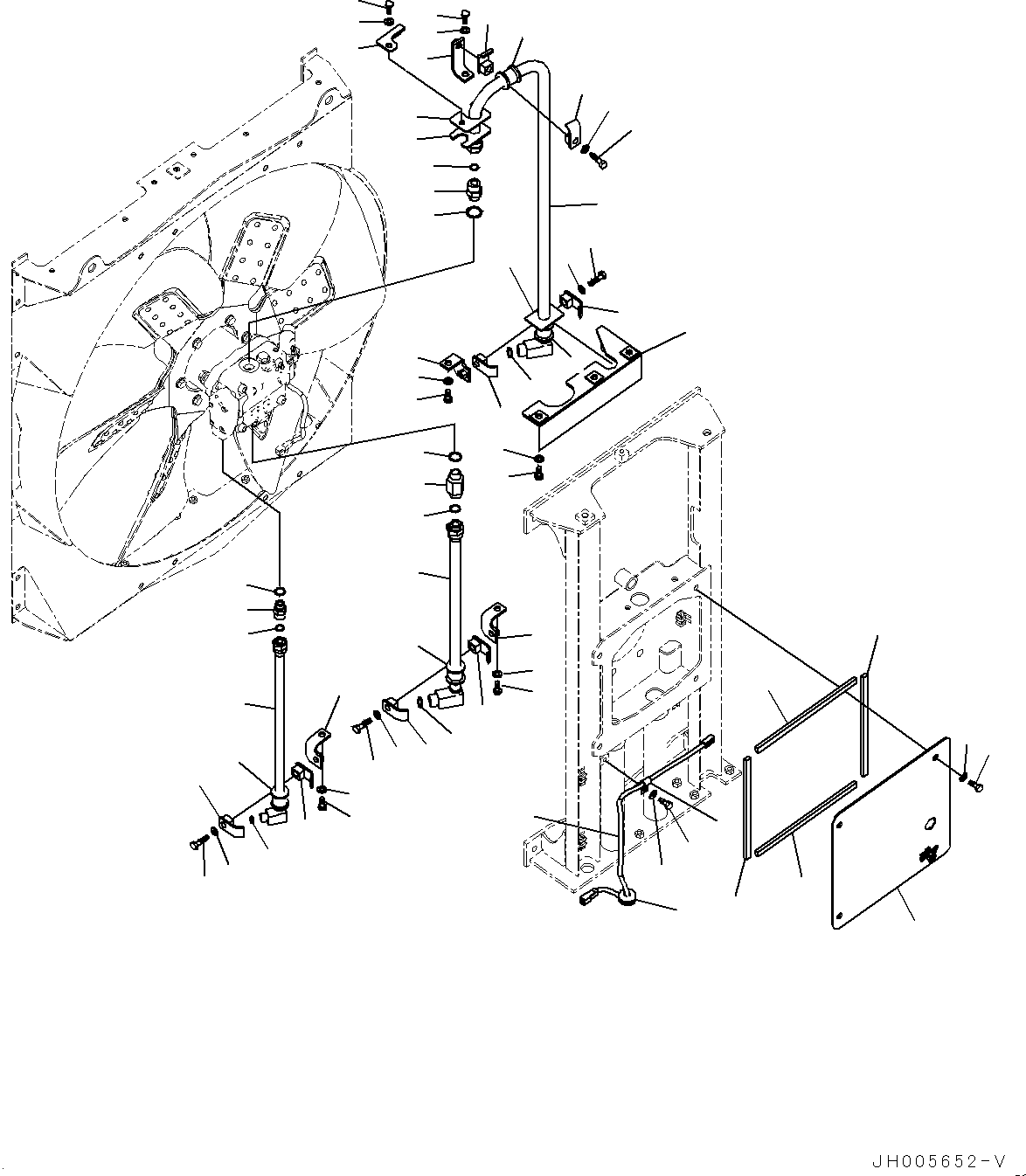
| ? | 21M-03-21331 | Hose | 1 | SN: 65001- KIT-FLAG: _- SCC: ; SERIALNO: 26541103-; 26541103- |
|||
| ? | 07289-00070 | Clamp | 4 | SN: 65001- KIT-FLAG: _- SCC: ; SERIALNO: 26541103-; 26559673- |
|||
| ? | 21M-03-21340 | Hose | 1 | SN: 65001- KIT-FLAG: _- SCC: A2; SERIALNO: 26541103-26559672; 65001- |
|||
| ? | 07289-00070 | Clamp | 4 | SN: 65001- KIT-FLAG: _- SCC: ; SERIALNO: 65001-; 65001- |
|||
| ? | 14X-01-35650 | Clip | 1 | SN: 65001- KIT-FLAG: _- SCC: ; SERIALNO: 65001-; 65001- |
|||
| ? | 01010-81245 | Bolt | 1 | SN: 65001- KIT-FLAG: _- SCC: ; SERIALNO: 65001-; 65001- |
|||
| ? | 01643-31232 | Washer | 1 | SN: 65001- KIT-FLAG: _- SCC: ; SERIALNO: 65001-; 65001- |
|||
| ? | 21M-03-15142 | Tube | 1 | SN: 65001- KIT-FLAG: _- SCC: ; SERIALNO: 65001-; 65001- |
|||
| ? | 6212-61-6821 | Gasket | 1 | SN: 65001- KIT-FLAG: _- SCC: ; A2 SERIALNO: 65052-; 65001-65051 |
|||
| ? | 01010-81040 | Bolt | 4 | SN: 65001- KIT-FLAG: _- SCC: ; SERIALNO: 65001-; 65052- |
|||
| ? | 01643-31032 | Washer | 4 | SN: 65001- KIT-FLAG: _- SCC: ; SERIALNO: 65001-65051; 65001- |
|||
| ? | 21N-03-31491 | Tank | 1 | SN: 65052- KIT-FLAG: _- SCC: ; SERIALNO: 65001-; 65001- |
|||
| ? | 21N-03-31490 | Tank | 1 | SN: 65001-65051 KIT-FLAG: _- SCC: ; SERIALNO: 65001-; 65001- |
|||
| ? | 21N-03-32360 | • Cap Assembly | 1 | SN: 65001- KIT-FLAG: _- SCC: ; SERIALNO: 65001-; 65001- |
|||
| ? | 21N-03-32351 | • Cap Assembly | 1 | SN: 65052- KIT-FLAG: _- SCC: ; SERIALNO: 65001-; 65001- |
|||
| ? | 21N-03-32350 | • Cap Assembly | 1 | SN: 65001-65051 KIT-FLAG: _- SCC: ; SERIALNO: 65001-; 65001- |
|||
| ? | ND071370-0190 | • Switch | 1 | SN: 65001- KIT-FLAG: _- SCC: ; SERIALNO: 65001-; 65001- |
|||
| ? | 209-03-71331 | Band | 1 | SN: 65001- KIT-FLAG: _- SCC: ; SERIALNO: 65001-; 65001- |
|||
| ? | 01010-80820 | Bolt | 2 | SN: 65001- KIT-FLAG: _- SCC: ; SERIALNO: 65001-; 65001- |
|||
| ? | 01643-30823 | Washer | 2 | SN: 65001- KIT-FLAG: _- SCC: ; SERIALNO: 65001-; 65001- |
|||
| ? | 21M-03-22240 | Hose | 1 | SN: 65001- KIT-FLAG: _- SCC: ; SERIALNO: 65001-; 65001- |
|||
| ? | 04434-51212 | Clip | 3 | SN: 65001- KIT-FLAG: _- SCC: ; SERIALNO: 65001-; 65001- |
|||
| ? | 01010-81225 | Bolt | 1 | SN: 65001- KIT-FLAG: _- SCC: ; SERIALNO: 65001-; 65001- |
|||
| ? | 01643-31232 | Washer | 1 | SN: 65001- KIT-FLAG: _- SCC: ; SERIALNO: 65001-; 65001- |
|||
| ? | 175-61-17240 | Collar | 1 | SN: 65001- KIT-FLAG: _- SCC: ; SERIALNO: 65001-; 65001- |
|||
| ? | 01010-81285 | Bolt | 1 | SN: 65001- KIT-FLAG: _- SCC: ; SERIALNO: 65001-; |
|||
| ? | 01643-31232 | Washer | 1 | SN: 65001- KIT-FLAG: _- SCC: ; SERIALNO: ; |
|||
| ? | 206-03-43340 | Clip | 7 | SN: 65001- KIT-FLAG: _- SCC: ; SERIALNO: ; |
|||
| ? | 208-03-58290 | Hose | 1 | SN: 65001- KIT-FLAG: _- SCC: ; SERIALNO: ; |
|||
| ? | 20Y-03-18140 | Hose | 1 | SN: 65001- KIT-FLAG: _- SCC: ; SERIALNO: ; |
|||
| ? | 209-03-71290 | Hose | 1 | SN: 65001- KIT-FLAG: _- SCC: ; SERIALNO: ; |
|||
| ? | 21M-03-22260 | Joint | 1 | SN: 65001- KIT-FLAG: _- SCC: ; SERIALNO: ; |
|||
| ? | 07261-20911 | Hose | 1 | SN: 65001- KIT-FLAG: _- SCC: ; SERIALNO: ; |
|||
| ? | 07281-00197 | Clamp | 2 | SN: 65001- KIT-FLAG: _- SCC: ; SERIALNO: ; |
|||
| ? | 04434-51212 | Clip | 9 | SN: 65001- KIT-FLAG: _- SCC: ; SERIALNO: ; |
|||
| ? | 01010-81225 | Bolt | 7 | SN: 65001- KIT-FLAG: _- SCC: ; SERIALNO: ; |
|||
| ? | 01643-31232 | Washer | 7 | SN: 65001- KIT-FLAG: _- SCC: ; SERIALNO: ; |
|||
| ? | 04435-51512 | Clip | 1 | SN: 65001- KIT-FLAG: _- SCC: ; SERIALNO: ; |
|||
| ? | 04434-51512 | Clip | 1 | SN: 65001- KIT-FLAG: _- SCC: ; SERIALNO: ; |
|||
| ? | 01010-81225 | Bolt | 2 | SN: 65001- KIT-FLAG: _- SCC: ; SERIALNO: ; |
|||
| ? | 01643-31232 | Washer | 2 | SN: 65001- KIT-FLAG: _- SCC: ; SERIALNO: ; |
|||
| ? | 01010-81250 | Bolt | 1 | SN: 65001- KIT-FLAG: _- SCC: ; SERIALNO: ; |
|||
| ? | 01643-31232 | Washer | 1 | SN: 65001- KIT-FLAG: _- SCC: ; SERIALNO: ; |
|||
| ? | 195-33-11220 | Spacer | 1 | SN: 65001- KIT-FLAG: _- SCC: ; SERIALNO: ; |
|||
| ? | 08034-20834 | Band | 3 | SN: 65001- KIT-FLAG: _- SCC: ; SERIALNO: ; |
|||
| ? | 154-03-71770 | Cover | 2 | SN: 65001- KIT-FLAG: _- SCC: ; SERIALNO: ; |