| Номер на схеме | Каталожный номер | Название | Количество | Детали | |||
|---|---|---|---|---|---|---|---|
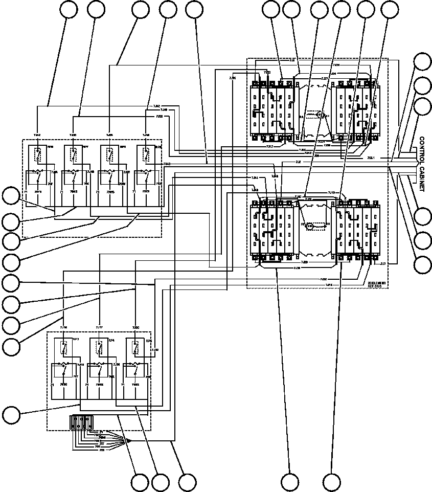
| ? | CH3903 | CABLE - 7J8 | 1 | ||||
| ? | CH3905 | CABLE - 7GA1 | 1 | ||||
| ? | CH3906 | CABLE - 7J2 | 1 | ||||
| ? | EC9911 | HARNESS - 7 STEP | 1 | ||||
| ? | EB2399 | HARNESS - 3 STEP | 1 | ||||
| ? | CH3904 | CABLE - 7J7 | 1 | ||||
| ? | CH2179 | CABLE - 7J34 | 1 | ||||
| ? | CH2601 | CABLE - 7J27 | 1 | ||||
| ? | CH2199 | CABLE - 7J38 | 1 | ||||
| ? | CH2195 | CABLE - 7J24 | 1 | ||||
| ? | CH2192 | CABLE - 7J40 | 1 | ||||
| ? | CH2191 | CABLE - 7J23 | 1 | ||||
| ? | CH2198 | CABLE - 7J20 | 1 | ||||
| ? | CH2186 | CABLE - 7J36 | 1 | ||||
| ? | CH2188 | CABLE - 7J48 | 1 | ||||
| ? | CH2197 | CABLE - 7J46 | 1 | ||||
| ? | CH2180 | CABLE - 7J34 | 1 | ||||
| ? | CH2175 | CABLE - 7J38 | 1 | ||||
| ? | CH2182 | CABLE - 7J42 | 1 | ||||
| ? | CH2189 | CABLE - 7J44 | 1 | ||||
| ? | CH2190 | CABLE - 7J40 | 1 | ||||
| ? | CH2187 | CABLE - 7J36 | 1 | ||||
| ? | CH2185 | CABLE - 7J32 | 1 | ||||
| ? | CH2177 | CABLE - 7J30 | 1 | ||||
| ? | CH2193 | CABLE - 7J17 | 1 | ||||
| ? | CH2178 | CABLE - 7J15 | 1 | ||||
| ? | CH2184 | CABLE - 7J16 | 1 | ||||
| ? | EC9904 | HARNESS | 1 | ||||
| ? | CH2196 | CABLE - 7J18 | 1 |