| Номер на схеме | Каталожный номер | Название | Количество | Детали | |||
|---|---|---|---|---|---|---|---|
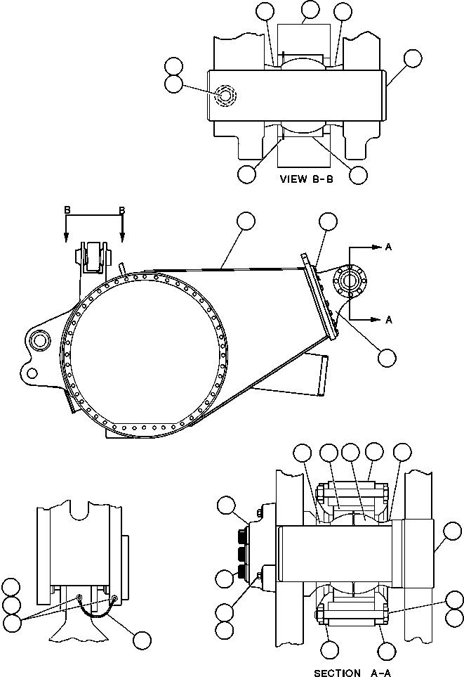
| ? | EJ5443 | HOUSING, AXLE | 1 | ||||
| ? | VN9106 | CAPSCREW - 1 1/4" - 7NC X 3" | 20 | ||||
| ? | EF6104 | PIVOT EYE ASSEMBLY | 1 | ||||
| ? | ED4355 | • BUSHING | 1 | ||||
| ? | PB9622 | • BEARING, SPHERICAL (1) | 1 | ||||
| ? | ED4352 | • EYE, PIVOT | 1 | ||||
| ? | EG1348 | PLATE, LOCK (1) | 1 | ||||
| ? | TZ2813 | SPACER (1) | 2 | ||||
| ? | EG1347 | PIN, PIVOT (1) | 1 | ||||
| ? | VN9189 | CAPSCREW - 3/4" - 10NC X 6 1/2" | 8 | ||||
| ? | VL2993 | LOCKNUT - 3/4" - 10NC (1) | 8 | ||||
| ? | ED4353 | RETAINER | 1 | ||||
| ? | ED4354 | RETAINER | 1 | ||||
| ? | VN9087 | CAPSCREW - 5/8" - 11NC X 2 1/2" (1) | 3 | ||||
| ? | C1541 | LOCKWASHER - 5/8" (1) | 3 | ||||
| ? | WB1059 | CAPSCREW - 1 1/4" - 7NC X 4 1/2" (1) | 4 | ||||
| ? | VL4462 | WIRE, GROUND | 1 | ||||
| ? | MM0642 | WELD STUD - M8 X 25 | 2 | ||||
| ? | MM0470 | LOCKWASHER - M8 | 2 | ||||
| ? | MM0177 | NUT - M8 X 1.25 | 2 | ||||
| ? | MM0173 | CAPSCREW - M20 X 2.50 X 200 (2) | 2 | ||||
| ? | MM0697 | NUT - M20 X 2.50 (2) | 2 | ||||
| ? | VN9350 | RING, SNAP (2) | 2 | ||||
| ? | PC0829 | BEARING, SPHERICAL (2) | 2 | ||||
| ? | EC4160 | SPACER (2) | 4 | ||||
| ? | EC1737 | BAR, ANTI-SWAY | 1 | ||||
| ? | EC4162 | PIN (2) | 2 | ||||
| ? | AK3944 | NOTE: (1) INCLUDED IN AK3944 PIN KIT. | |||||
| ? | AK3736 | (2) INCLUDED IN AK3736 PIN KIT. |