| Номер на схеме | Каталожный номер | Название | Количество | Детали | |||
|---|---|---|---|---|---|---|---|
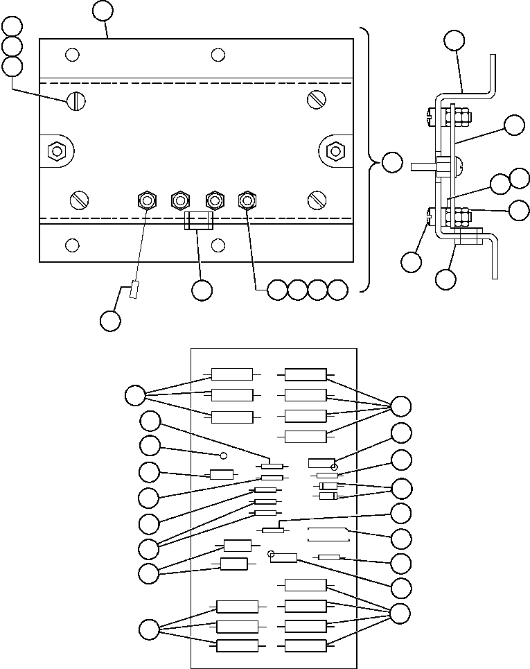
| ? | VE6118 | PANEL | 1 | ||||
| ? | VE4727 | BASE | 1 | ||||
| ? | VE2266 | MODULE | 1 | ||||
| ? | VE4728 | CABLE WITH TERMINALS | 1 | ||||
| ? | VE4729 | RESISTOR - 1/2 WATT, 475,000 OHM | 14 | ||||
| ? | VS7580 | RESISTOR - 1/4 WATT, 16,200 OHM | 2 | ||||
| ? | VP9546 | RESISTOR - 1/2 WATT, 39 OHM | 2 | ||||
| ? | VS7018 | RESISTOR - 1/4 WATT, 10,000 OHM | 2 | ||||
| ? | VS7017 | RESISTOR - 1/4 WATT, 4,990 OHM | 1 | ||||
| ? | VP9545 | RESISTOR - 1/2 WATT, 39 OHM | 1 | ||||
| ? | VE2616 | DIODE | 2 | ||||
| ? | VP9512 | CAPACITOR - 1 MFD, 50 VOLT | 2 | ||||
| ? | VJ8262 | CAPACITOR - 0.01 MFD, 200 VOLT | 1 | ||||
| ? | VS7629 | I C MODULE | 1 | ||||
| ? | VJ6014 | POTENTIOMETER - 1 WATT, 2,000 OHM | 2 | ||||
| ? | VP9538 | TERMINAL - 0.372" LONG | 1 | ||||
| ? | VS8040 | MACHINE SCREW - #10 - 32NF X 3/4" | 4 | ||||
| ? | DC3101 | LOCKWASHER - #10 | 8 | ||||
| ? | VS6662 | FLAT WASHER - #10 | 8 | ||||
| ? | SF2755 | NUT | 8 | ||||
| ? | VE5952 | MACHINE SCREW - NYLON - #10 - 32NF | 4 | ||||
| ? | VE5953 | NUT | 12 | ||||
| ? | VS8434 | GROMMET, RUBBER | 1 | ||||
| ? | VE4730 | FLAT WASHER | 4 |