|
Номер на схеме |
Каталожный номер |
Название |
Количество |
Детали |
|
|
|
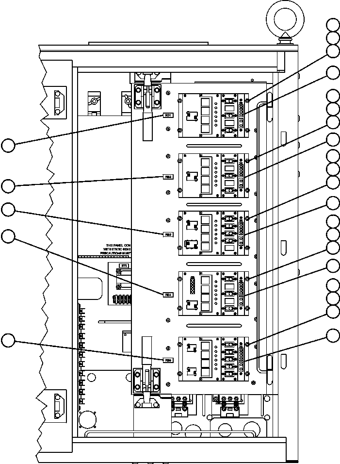
? |
EC8823 |
PLATE, NAME - RB5 |
1 |
|
|
|
|
? |
EC8822 |
PLATE, NAME - RB4 |
1 |
|
|
|
|
? |
EC8821 |
PLATE, NAME - RB3 |
1 |
|
|
|
|
? |
EC8820 |
PLATE, NAME - RB2 |
1 |
|
|
|
|
? |
EC8819 |
PLATE, NAME - RB1 |
1 |
|
|
|
|
? |
MM0459 |
FLAT WASHER - M6 |
20 |
|
|
|
|
? |
MM0469 |
LOCKWASHER - M6 |
20 |
|
|
|
|
? |
MM0007 |
CAPSCREW - M6 X 1.00 X 12 |
20 |
|
|
|
|
? |
SM5648 |
BOARD, RELAY - TURN SIGNAL - RB1 (SEE FIG 60475) |
1 |
|
60475 |
|
|
? |
SM1947 |
BOARD, RELAY - PAYLOAD - RB2 (SEE FIG 60475) OPTIONAL |
1 |
|
60475 |
|
|
? |
SM1951 |
BOARD, RELAY - STOP LIGHT - RB3 (SEE FIG 60475) |
1 |
|
60475 |
|
|
? |
SM5651 |
BOARD, RELAY - PARKING BRAKE - RB4 (SEE FIG 60475) |
1 |
|
60475 |
|
|
? |
SM1959 |
BOARD, RELAY - HEAD LIGHT - RB5 (SEE FIG 60475) |
1 |
|
60475 |
|