k-part
Номер на схеме Каталожный номер Название Количество Детали
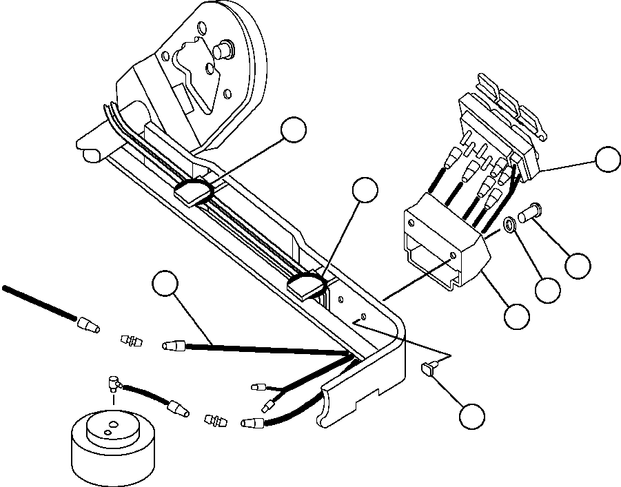
? VE8861 SEAT FRAME ASSEMBLY 1
? VE9079 • KIT, ELECTRIC CONTROL VALVE 1
? • • VALVE, CONTROL (1) 1
? • • SCREW, PHILLIPS HEAD - M4 X 1 (1) 2
? • • WASHER, FLAT - M4 (1) 2
? • • HOUSING, VALVE (1) 1
? • • NUT, TEE - M4 (1) 2
? • • HOSE - 290MM (1) 1
? • • STRAP, TIE (1) 2
? NOTE: NS = NOT SHOWN
? FITTING, HOSE (1) 1
? BF0588 HOSE, PLASTIC 1
? NOTE: (1) NOT SERVICED SEPARATELY.

Dump Trucks Komatsu / AFE47-BN 730E S/N A30212-A30213   QUE BRADA BLANCA(AFE47-BN) / OPERATOR
?
?
?
?
?
?
?
?