| Номер на схеме | Каталожный номер | Название | Количество | Детали | |||
|---|---|---|---|---|---|---|---|
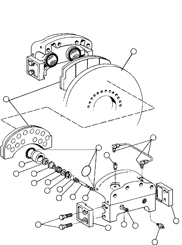
| ? | TN1386 | DISC - 19" (NOT INCLUDED IN ASSEMBLY) | 1 | ||||
| ? | VE3909 | LINING | 2 | ||||
| ? | VE5669 | PISTON | 4 | ||||
| ? | VE5670 | KIT, STANDARD SEAL | 1 | ||||
| ? | VJ7241 | RETAINER PLATE | 2 | ||||
| ? | VJ7242 | RETAINER PLATE | 2 | ||||
| ? | VJ7237 | THREADED RING | 4 | ||||
| ? | VJ7238 | WASHER | 4 | ||||
| ? | VJ7239 | ADJUSTER PIN | 4 | ||||
| ? | VJ7240 | GRIP ASSEMBLY | 8 | ||||
| ? | AK0171 | TUBING | 1 | ||||
| ? | TH7593 | • FITTING | 1 | ||||
| ? | VJ7246 | • O-RING | 2 | ||||
| ? | VJ5758 | ADJUSTER SPRING | 4 | ||||
| ? | VJ7233 | INNER GUIDE | 4 | ||||
| ? | VJ7234 | OUTER GUIDE | 4 | ||||
| ? | VJ7235 | RETAINING RING | 4 | ||||
| ? | VJ7236 | LOCKRING | 4 | ||||
| ? | VL7692 | CAPSCREW - 5/8" - 11NC X 2" | 8 | ||||
| ? | TR6102 | SCREW, BLEEDER | 3 | ||||
| ? | SD2582 | LOCKWASHER - 5/16" | 4 | ||||
| ? | VG7446 | HEX NUT - 5/16" - 24NF | 4 |