k-part
Номер на схеме Каталожный номер Название Количество Детали
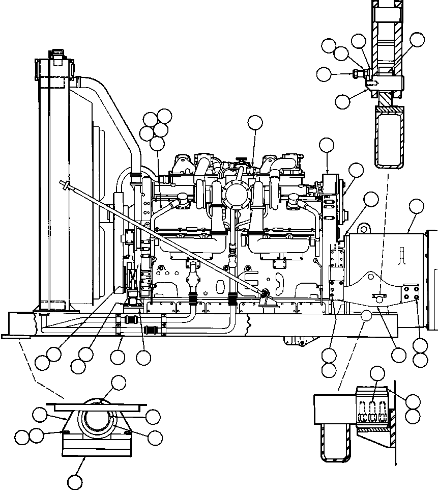
? PB7938 ENGINE - 12V 149T1B 1
? PB6876 ALTERNATOR - 24V 1
? VE4035 BELT, ALTERNATOR 1
? PB6733 ALTERNATOR & BLOWER ASSEMBLY 1
? TN1019 PIN 2
? VW2236 SET SCREW 4
? E5222 NUT, JAM - 3/4" - 10NC 4
? C1542 LOCKWASHER - 3/4" 22
? TN1018 PLATE 2
? PB4177 RACE, INNER 2
? C1544 LOCKWASHER - 1" 8
? D1784 CAPSCREW - 1" - 8NC X 2 1/4" 8
? VM6531 CAP 2
? E4477 CAPSCREW, TAPERHEAD - 3/4" - 10NC X 1 1/32" 12
? EB3747 CRADLE - R.H. 1
? EB3748 CRADLE - L.H. 1
? C1630 CAPSCREW - 5/8" - 11NC X 2" 8
? C1541 LOCKWASHER - 5/8" 8
? JG8978 TRUNNION, ENGINE 1
? YA2170 FRAME, SUB 1
? JG4787 SPACER 1
? C1649 CAPSCREW - 3/4" - 10NC X 3 1/4" 1
? VN3672 PIVOT 1
? VM3891 BUSHING 3
? TM1312 PIN, PIVOT 1
? E1473 CAPSCREW - 1 1/4" - 7NC X 2 1/2" 1
? C1645 CAPSCREW - 3/4" - 10NC X 2 1/4" 8
? C1644 CAPSCREW - 3/4" - 10NC X 2" 6
? TM5149 HOSE 3
? CD9707 CLAMP, WORM DRIVE 3
? TF6924 CLAMP, VINYL 3
? SR6310 CAPSCREW - 7/16" - 14NC X 3/4" 3
? C5775 LOCKWASHER - 2/16" 3
? TA5787 ADAPTOR ASSEMBLY 1
? WA0361 FLAT WASHER 5
? VW5737 CAPSCREW - 5/8" - 11NC X 2" 10
? C5771 NUT - 5/8" - 11NC 6
? TM3466 SHIM - .004 (4 HOLE) 12
? SM3468 SHIM - .007 (4 HOLE) 8
? TM3467 SHIM - .004 (3 HOLE) 4
? TM3469 SHIM - .007 (3 HOLE) 4
? TW6616 SHIM - .010 (4 HOLE) 12
? VE6356 ELEMENT, FILTER (SPIN ON) 4
? TZ7387 WIRE, GROUND - 24V ALTERNATOR 1

Dump Trucks Komatsu / AFE44-A 510E S/N 31682-3, 31697-9, 31712-8, 31724-5, 31734-5 COAL & ALLIED(AFE44-A) / ENGINE MOUNT & MISCELLANEOUS(040 : 25052)
?
?
?
?
?
?
?
?
?
?
?
?
?
?
?
?
?
?
?
?
?
?
?
?
?
?
?
?
?
?
?
?
?
?
?
?
?