| Номер на схеме | Каталожный номер | Название | Количество | Детали | |||
|---|---|---|---|---|---|---|---|
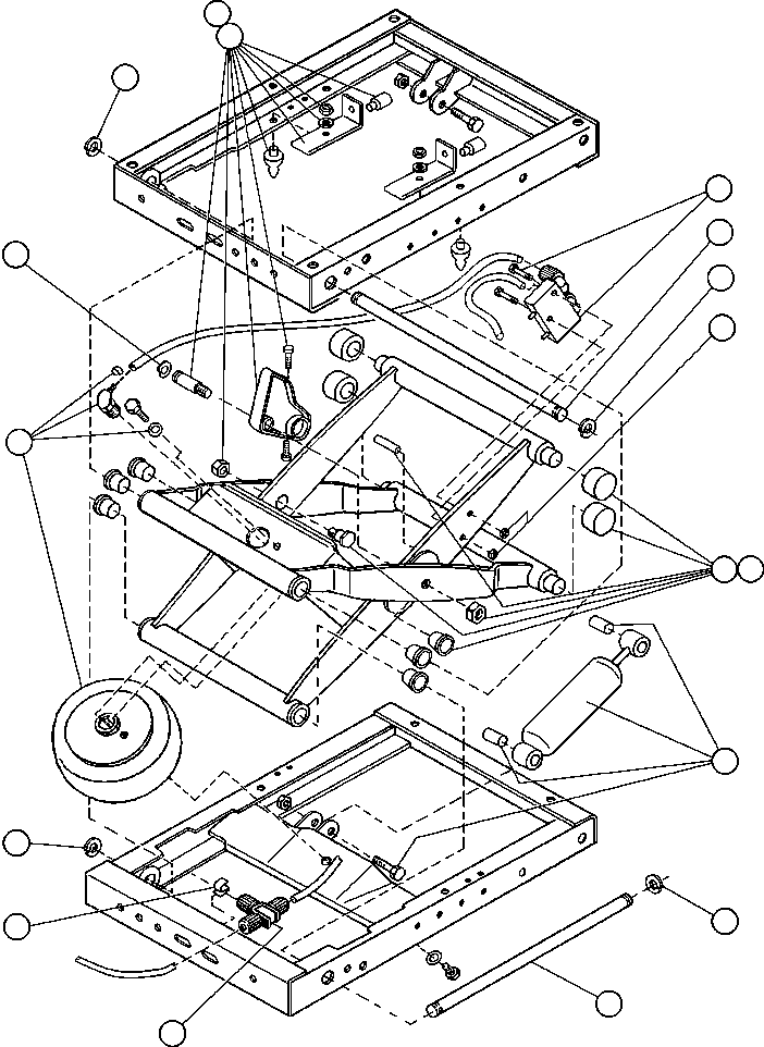
| ? | VE6655 | SUSPENSION | 1 | ||||
| ? | VE4578 | • KIT, HARDWARE SUSPENSION | 1 | ||||
| ? | VE8738 | • KIT, SUSPENSION VALVE | 1 | ||||
| ? | VE4580 | • KIT, AIR SPRING | 1 | ||||
| ? | VE4581 | • KIT, SHOCK ABSORBER | 1 | ||||
| ? | VE8741 | • KIT, AXLE | 1 | ||||
| ? | VE4583 | • AXLE | 2 | ||||
| ? | VE6663 | • FITTING, TEE | 1 | ||||
| ? | VE6664 | • FITTING, CAP | 3 |