k-part
Номер на схеме Каталожный номер Название Количество Детали
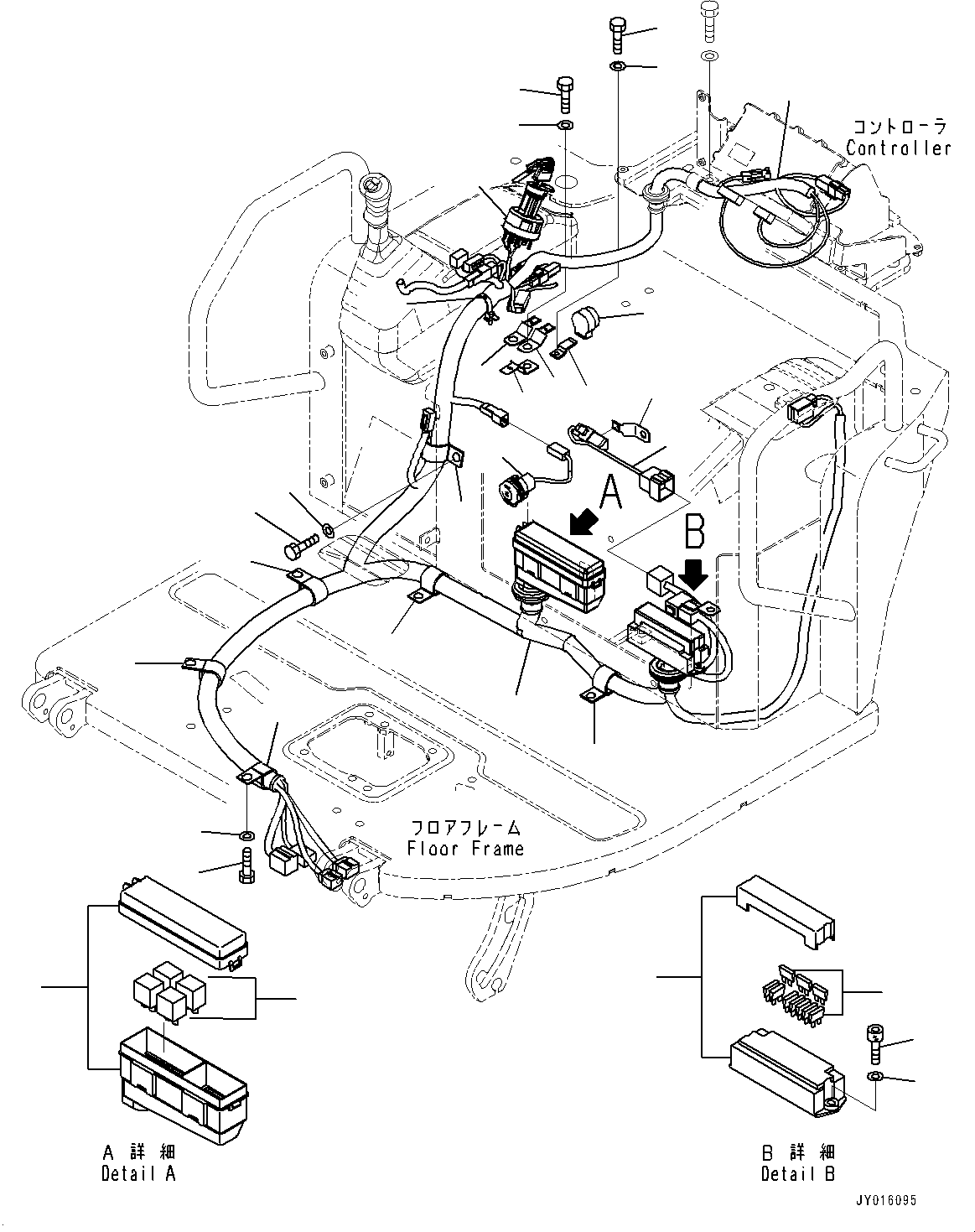
? 22F-06-33114 Wiring Harness 1
SN: 33737-
KIT-FLAG: _-
SCC:
SERIALNO: 33737-
? 22M-06-24260 • Box, Relay 1
SN: 33737-
KIT-FLAG: _-
SCC:
SERIALNO: 33737-
? 20U-06-42520 • Relay, 5-Terminal 4
SN: 33737-
KIT-FLAG: _-
SCC:
SERIALNO: 33737-
? 08044-01000 • Box Assembly, Fuse 1
SN: 33737-
KIT-FLAG: _-
SCC:
SERIALNO: 33737-
? 08041-01000 • Fuse, 10Amp. 8
SN: 33737-
KIT-FLAG: _-
SCC:
SERIALNO: 33737-
? 08041-01500 • Fuse, 15Amp. 1
SN: 33737-
KIT-FLAG: _-
SCC:
SERIALNO: 33737-
? 08041-03000 • Fuse, 30Amp. 2
SN: 33737-
KIT-FLAG: _-
SCC:
SERIALNO: 33737-
? 04434-52712 Clip 7
SN: 33737-
KIT-FLAG: _-
SCC:
SERIALNO: 33737-
? 01010-81020 Bolt 6
SN: 33737-
KIT-FLAG: _-
SCC:
SERIALNO: 33737-
? 01643-31032 Washer 6
SN: 33737-
KIT-FLAG: _-
SCC:
SERIALNO: 33737-
? 08193-21012 Clip 1
SN: 33737-
KIT-FLAG: _-
SCC:
SERIALNO: 33737-
? 08053-01512 Clip 1
SN: 33737-
KIT-FLAG: _-
SCC:
SERIALNO: 33737-
? 01010-81020 Bolt 2
SN: 33737-
KIT-FLAG: _-
SCC:
SERIALNO: 33737-
? 01643-31032 Washer 2
SN: 33737-
KIT-FLAG: _-
SCC:
SERIALNO: 33737-
? 21Y-06-11260 Buzzer 1
SN: 33737-
KIT-FLAG: _-
SCC:
SERIALNO: 33737-
? 21Y-06-11270 Plate 1
SN: 33737-
KIT-FLAG: _-
SCC:
SERIALNO: 33737-
? 01010-80612 Bolt 1
SN: 33737-
KIT-FLAG: _-
SCC:
SERIALNO: 33737-
? 01643-30623 Washer 1
SN: 33737-
KIT-FLAG: _-
SCC:
SERIALNO: 33737-
? 01252-80620 Bolt 2
SN: 33737-
KIT-FLAG: _-
SCC:
SERIALNO: 33737-
? 01643-70623 Washer 2
SN: 33737-
KIT-FLAG: _-
SCC:
SERIALNO: 33737-
? 20S-06-31130 Switch, Starting 1
SN: 33737-
KIT-FLAG: _-
SCC:
SERIALNO: 33737-
? 08034-40521 Band 2
SN: 33737-
KIT-FLAG: _-
SCC:
SERIALNO: 33737-
? 08193-21012 Clip 1
SN: 33737-
KIT-FLAG: _-
SCC:
SERIALNO: 33737-
? 01010-81020 Bolt 1
SN: 33737-
KIT-FLAG: _-
SCC:
SERIALNO: 33737-
? 01643-31032 Washer 1
SN: 33737-
KIT-FLAG: _-
SCC:
SERIALNO: 33737-
? 22F-06-31431 Socket 1
SN: 33737-
KIT-FLAG: _-
SCC:
SERIALNO: 33737-

Excavators Komatsu / PC30MR-3 S/N 32725-UP (EU Spec.)(0000466c) / Floor Frame, Wiring Harness (1/2) (#33737-)(K050015 : K1110-039015)
?
?
?
?
?
?
?
?
?
?
?
?
?
?
?
?
?
?
?
?
?
?
?
?
?
?
?
?
?
?