| Номер на схеме | Каталожный номер | Название | Количество | Детали | |||
|---|---|---|---|---|---|---|---|
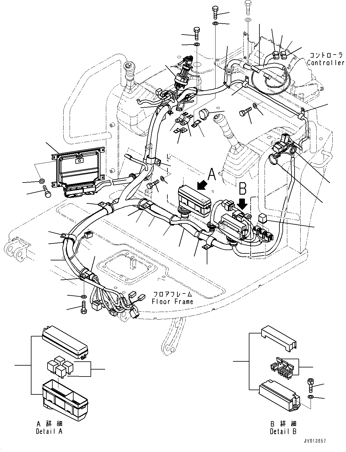
| ? | 22F-06-32660 | Wiring Harness | 1 | SN: 32725-33500 KIT-FLAG: _- SCC: SERIALNO: 32725-33500 |
|||
| ? | 22M-06-24260 | • Box, Relay | 1 | SN: 32725-33500 KIT-FLAG: _- SCC: SERIALNO: 32725-33500 |
|||
| ? | 20U-06-42520 | • Relay, 5-Terminal | 4 | SN: 32725-33500 KIT-FLAG: _- SCC: SERIALNO: 32725-33500 |
|||
| ? | 08044-01000 | • Box Assembly, Fuse | 1 | SN: 32725-33500 KIT-FLAG: _- SCC: SERIALNO: 32725-33500 |
|||
| ? | 08041-01000 | • Fuse, 10Amp. | 9 | SN: 32725-33500 KIT-FLAG: _- SCC: SERIALNO: 32725-33500 |
|||
| ? | 08041-03000 | • Fuse, 30Amp. | 2 | SN: 32725-33500 KIT-FLAG: _- SCC: SERIALNO: 32725-33500 |
|||
| ? | 21X-06-31530 | • Diode | 1 | SN: 32725-33500 KIT-FLAG: _- SCC: SERIALNO: 32725-33500 |
|||
| ? | 19M-06-31720 | • Resistor | 1 | SN: 32725-33500 KIT-FLAG: _- SCC: SERIALNO: 32725-33500 |
|||
| ? | 04434-52712 | Clip | 7 | SN: 32725-33500 KIT-FLAG: _- SCC: SERIALNO: 32725-33500 |
|||
| ? | 01010-81020 | Bolt | 6 | SN: 32725-33500 KIT-FLAG: _- SCC: SERIALNO: 32725-33500 |
|||
| ? | 01643-31032 | Washer | 6 | SN: 32725-33500 KIT-FLAG: _- SCC: SERIALNO: 32725-33500 |
|||
| ? | 08193-21012 | Clip | 2 | SN: 32725-33500 KIT-FLAG: _- SCC: SERIALNO: 32725-33500 |
|||
| ? | 08053-01512 | Clip | 1 | SN: 32725-33500 KIT-FLAG: _- SCC: SERIALNO: 32725-33500 |
|||
| ? | 01010-81020 | Bolt | 2 | SN: 32725-33500 KIT-FLAG: _- SCC: SERIALNO: 32725-33500 |
|||
| ? | 01643-31032 | Washer | 2 | SN: 32725-33500 KIT-FLAG: _- SCC: SERIALNO: 32725-33500 |
|||
| ? | 21Y-06-11260 | Buzzer | 1 | SN: 32725-33500 KIT-FLAG: _- SCC: SERIALNO: 32725-33500 |
|||
| ? | 21Y-06-11270 | Plate | 1 | SN: 32725-33500 KIT-FLAG: _- SCC: SERIALNO: 32725-33500 |
|||
| ? | 01010-80612 | Bolt | 1 | SN: 32725-33500 KIT-FLAG: _- SCC: SERIALNO: 32725-33500 |
|||
| ? | 01643-30623 | Washer | 1 | SN: 32725-33500 KIT-FLAG: _- SCC: SERIALNO: 32725-33500 |
|||
| ? | 01252-80620 | Bolt | 2 | SN: 32725-33500 KIT-FLAG: _- SCC: SERIALNO: 32725-33500 |
|||
| ? | 01643-70623 | Washer | 2 | SN: 32725-33500 KIT-FLAG: _- SCC: SERIALNO: 32725-33500 |
|||
| ? | 20S-06-31130 | Switch, Starting | 1 | SN: 32725-33500 KIT-FLAG: _- SCC: SERIALNO: 32725-33500 |
|||
| ? | 08034-40521 | Band | 2 | SN: 32725-33500 KIT-FLAG: _- SCC: SERIALNO: 32725-33500 |
|||
| ? | 08193-21012 | Clip | 1 | SN: 32725-33500 KIT-FLAG: _- SCC: SERIALNO: 32725-33500 |
|||
| ? | 01010-81020 | Bolt | 1 | SN: 32725-33500 KIT-FLAG: _- SCC: SERIALNO: 32725-33500 |
|||
| ? | 01643-31032 | Washer | 1 | SN: 32725-33500 KIT-FLAG: _- SCC: SERIALNO: 32725-33500 |
|||
| ? | 22F-06-32612 | Wiring Harness | 1 | SN: 32725-33500 KIT-FLAG: _- SCC: SERIALNO: 32725-33500 |
|||
| ? | 04434-51010 | Clip | 2 | SN: 32725-33500 KIT-FLAG: _- SCC: SERIALNO: 32725-33500 |
|||
| ? | 01010-D1016 | Bolt | 2 | SN: 32725-33500 KIT-FLAG: _- SCC: SERIALNO: 32725-33500 |
|||
| ? | 01643-71032 | Washer | 2 | SN: 32725-33500 KIT-FLAG: _- SCC: SERIALNO: 32725-33500 |
|||
| ? | 7825-63-3001 | Controller | 1 | SN: 32725-33500 KIT-FLAG: _- SCC: SERIALNO: 32725-33500 |
|||
| ? | 01010-80820 | Bolt | 4 | SN: 32725-33500 KIT-FLAG: _- SCC: SERIALNO: 32725-33500 |
|||
| ? | 01643-30823 | Washer | 4 | SN: 32725-33500 KIT-FLAG: _- SCC: SERIALNO: 32725-33500 |
|||
| ? | 363-06-31130 | Relay | 3 | SN: 32725-33500 KIT-FLAG: _- SCC: SERIALNO: 32725-33500 |
|||
| ? | 08034-40521 | Band | 1 | SN: 32725-33500 KIT-FLAG: _- SCC: SERIALNO: 32725-33500 |
|||
| ? | 08034-20519 | Band | 3 | SN: 32725-33500 KIT-FLAG: _- SCC: SERIALNO: 32725-33500 |
|||
| ? | 08034-20823 | Band | 10 | SN: 32725-33500 KIT-FLAG: _- SCC: SERIALNO: 32725-33500 |
|||
| ? | 08192-23100 | Connector Body | 1 | SN: 32725-33500 KIT-FLAG: _- SCC: SERIALNO: 32725-33500 |
|||
| ? | 08191-00770 | Plug, Connector | 3 | SN: 32725-33500 KIT-FLAG: _- SCC: SERIALNO: 32725-33500 |