k-part
Номер на схеме Каталожный номер Название Количество Детали
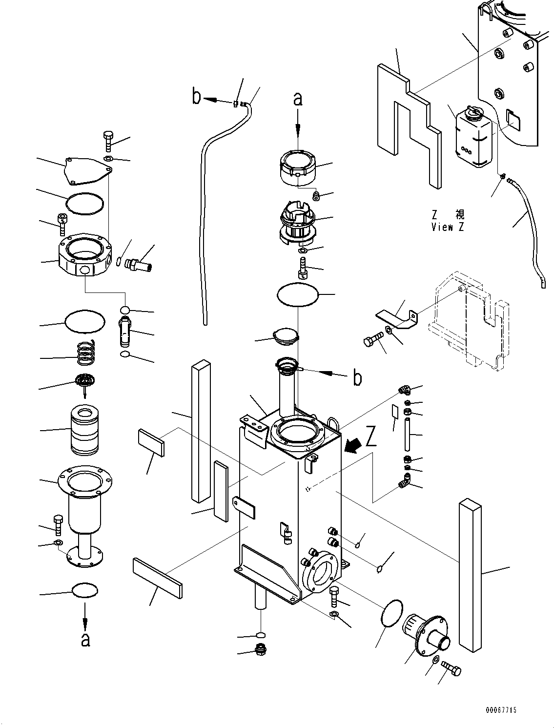
? 22F-60-31211 Tank 1
SN: 32725-33106
KIT-FLAG: _-
SCC:
SERIALNO: 32725-33106
? 07044-12412 Plug 1
SN: 32725-33106
KIT-FLAG: _-
SCC:
SERIALNO: 32725-33106
? 07002-12434 O-ring 1
SN: 32725-33106
KIT-FLAG: _-
SCC:
SERIALNO: 32725-33106
? 21U-60-32121 Strainer 1
SN: 32725-33106
KIT-FLAG: _-
SCC:
SERIALNO: 32725-33106
? 07000-12085 O-ring 1
SN: 32725-33106
KIT-FLAG: _-
SCC:
SERIALNO: 32725-33106
? 01010-81025 Bolt 4
SN: 32725-33106
KIT-FLAG: _-
SCC:
SERIALNO: 32725-33106
? 01643-31032 Washer 4
SN: 32725-33106
KIT-FLAG: _-
SCC:
SERIALNO: 32725-33106
? 22F-60-31290 Cap Assembly 1
SN: 32725-33106
KIT-FLAG: _-
SCC:
SERIALNO: 32725-33106
? 07270-00890 Tube 1
SN: 32725-33106
KIT-FLAG: _-
SCC:
SERIALNO: 32725-33106
? 07285-00095 Clip, Hose 1
SN: 32725-33106
KIT-FLAG: _-
SCC:
SERIALNO: 32725-33106
? 22L-60-22161 Tube 1
SN: 32725-33106
KIT-FLAG: _-
SCC:
SERIALNO: 32725-33106
? 203-60-31100 Elbow Assembly 2
SN: 32725-33106
KIT-FLAG: _-
SCC:
SERIALNO: 32725-33106
? • Elbow 1
SN: 32725-33106
KIT-FLAG: _-
SCC: C1
SERIALNO: 32725-33106
? • Nut 1
SN: 32725-33106
KIT-FLAG: _-
SCC: C1
SERIALNO: 32725-33106
? 203-60-31250 • Sleeve 1
SN: 32725-33106
KIT-FLAG: _-
SCC:
SERIALNO: 32725-33106
? 203-00-31120 Plate, Instruction, Instruction 1
SN: 32725-33106
KIT-FLAG: _-
SCC:
SERIALNO: 32725-33106
? 22F-60-31241 Plate 1
SN: 32725-33106
KIT-FLAG: _-
SCC:
SERIALNO: 32725-33106
? 01010-81065 Bolt 3
SN: 32725-33106
KIT-FLAG: _-
SCC:
SERIALNO: 32725-33106
? 01643-31032 Washer 3
SN: 32725-33106
KIT-FLAG: _-
SCC:
SERIALNO: 32725-33106
? 07000-12110 O-ring 1
SN: 32725-33106
KIT-FLAG: _-
SCC:
SERIALNO: 32725-33106
? 22F-60-31220 Flange 1
SN: 32725-33106
KIT-FLAG: _-
SCC:
SERIALNO: 32725-33106
? 01252-71060 Bolt, Hexagon Socket Head 3
SN: 32725-33106
KIT-FLAG: _-
SCC:
SERIALNO: 32725-33106
? 07000-12125 O-ring 1
SN: 32725-33106
KIT-FLAG: _-
SCC:
SERIALNO: 32725-33106
? 22F-60-31250 Spring 1
SN: 32725-33106
KIT-FLAG: _-
SCC:
SERIALNO: 32725-33106
? 22L-60-22130 Valve Assembly 1
SN: 32725-33106
KIT-FLAG: _-
SCC:
SERIALNO: 32725-33106
? 22L-60-22120 Element, Hydraulic Oil Filter 1
SN: 32725-33106
KIT-FLAG: _-
SCC:
SERIALNO: 32725-33106
? 22F-60-31230 Case 1
SN: 32725-33106
KIT-FLAG: _-
SCC:
SERIALNO: 32725-33106
? 07000-12125 O-ring 1
SN: 32725-33106
KIT-FLAG: _-
SCC:
SERIALNO: 32725-33106
? 8A30-60-1101 Cyclone 1
SN: 32725-33106
KIT-FLAG: _-
SCC:
SERIALNO: 32725-33106
? • Block 1
SN: 32725-33106
KIT-FLAG: _-
SCC: C1
SERIALNO: 32725-33106
? • Cyclone 1
SN: 32725-33106
KIT-FLAG: _-
SCC: C1
SERIALNO: 32725-33106
? 01252-70625 • Bolt, Hexagon Socket Head 4
SN: 32725-33106
KIT-FLAG: _-
SCC:
SERIALNO: 32725-33106
? 01643-30623 • Washer 4
SN: 32725-33106
KIT-FLAG: _-
SCC:
SERIALNO: 32725-33106
? 07043-70211 • Plug 1
SN: 32725-33106
KIT-FLAG: _-
SCC:
SERIALNO: 32725-33106
? 07000-12080 O-ring 1
SN: 32725-33106
KIT-FLAG: _-
SCC:
SERIALNO: 32725-33106
? 01010-80620 Bolt 6
SN: 32725-33106
KIT-FLAG: _-
SCC:
SERIALNO: 32725-33106
? 01643-30623 Washer 6
SN: 32725-33106
KIT-FLAG: _-
SCC:
SERIALNO: 32725-33106
? 20M-62-82271 Nipple 1
SN: 32725-33106
KIT-FLAG: _-
SCC:
SERIALNO: 32725-33106
? 07002-12434 O-ring 1
SN: 32725-33106
KIT-FLAG: _-
SCC:
SERIALNO: 32725-33106
? 02782-10524 Elbow 1
SN: 32725-33106
KIT-FLAG: _-
SCC:
SERIALNO: 32725-33106
? 07002-12434 O-ring 1
SN: 32725-33106
KIT-FLAG: _-
SCC:
SERIALNO: 32725-33106
? 02896-11015 O-ring 1
SN: 32725-33106
KIT-FLAG: _-
SCC:
SERIALNO: 32725-33106
? 02896-11008 O-ring 3
SN: 32725-33106
KIT-FLAG: _-
SCC:
SERIALNO: 32725-33106
? 02896-11009 O-ring 1
SN: 32725-33106
KIT-FLAG: _-
SCC:
SERIALNO: 32725-33106
? 22F-60-31260 Sheet 1
SN: 32725-33106
KIT-FLAG: _-
SCC:
SERIALNO: 32725-33106
? 22L-60-22180 Cushion 2
SN: 32725-33106
KIT-FLAG: _-
SCC:
SERIALNO: 32725-33106
? 22K-60-22180 Cushion 1
SN: 32725-33106
KIT-FLAG: _-
SCC:
SERIALNO: 32725-33106
? 22F-60-31271 Sheet 1
SN: 32725-33106
KIT-FLAG: _-
SCC:
SERIALNO: 32725-33106
? 22F-60-31281 Sheet 1
SN: 32725-33106
KIT-FLAG: _-
SCC:
SERIALNO: 32725-33106
? 22J-03-25270 Tank Assembly, Reservoir 1
SN: 32725-33106
KIT-FLAG: _-
SCC:
SERIALNO: 32725-33106
? 22F-03-31290 Hose 1
SN: 32725-33106
KIT-FLAG: _-
SCC:
SERIALNO: 32725-33106
? 07285-00085 Clip, Hose 1
SN: 32725-33106
KIT-FLAG: _-
SCC:
SERIALNO: 32725-33106
? 01010-81030 Bolt 4
SN: 32725-33106
KIT-FLAG: _-
SCC:
SERIALNO: 32725-33106
? 01643-31032 Washer 4
SN: 32725-33106
KIT-FLAG: _-
SCC:
SERIALNO: 32725-33106
? 22F-60-32170 Plate 1
SN: 32725-33106
KIT-FLAG: _-
SCC:
SERIALNO: 32725-33106
? 01010-80816 Bolt 1
SN: 32725-33106
KIT-FLAG: _-
SCC:
SERIALNO: 32725-33106
? 01643-30823 Washer 1
SN: 32725-33106
KIT-FLAG: _-
SCC:
SERIALNO: 32725-33106

Excavators Komatsu / PC30MR-3 S/N 32725-UP (EU Spec.)(0000466c) / Hydraulic Tank (#32725-33106)(H001001 : H0110-001001)
?
?
?
?
?
?
?
?
?
?
?
?
?
?
?
?
?
?
?
?
?
?
?
?
?
?
?
?
?
?
?
?
?
?
?
?
?
?
?
?
?
?
?
?
?
?
?
?
?
?
?
?
?
?
?
?
?
?
?
?