k-part

Номер на схеме Каталожный номер Название Количество Детали
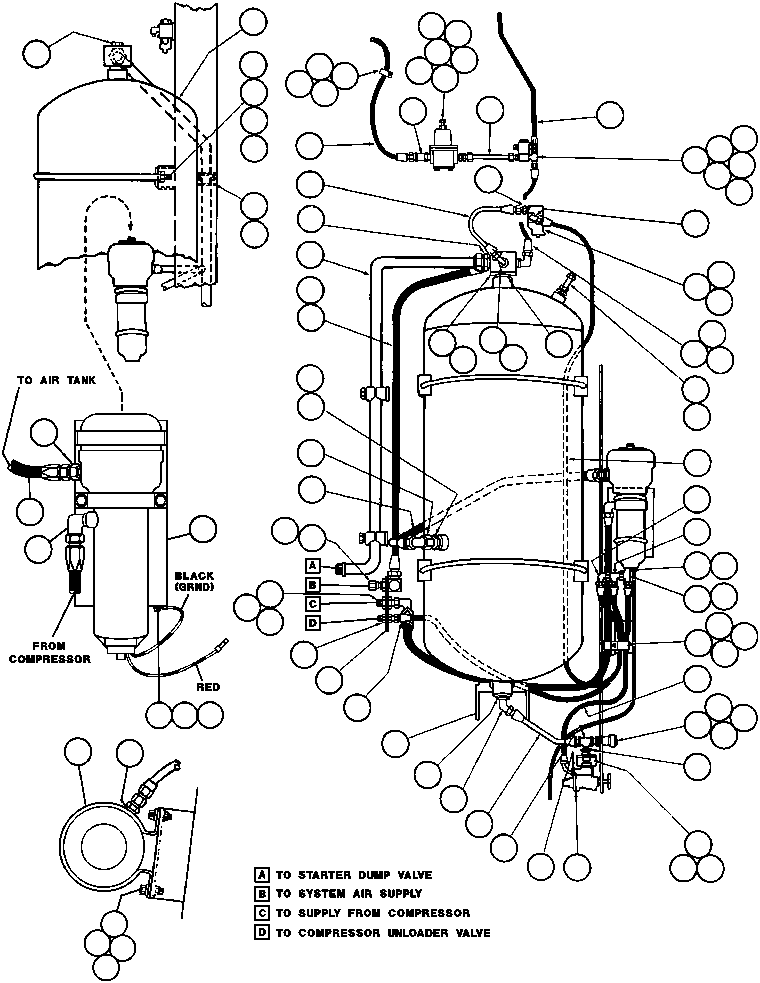
? HA0586 • HOSE 1
? DL2676 • • FITTING, TUBE 1
? SD5208 • • BUSHING, PIPE 1
? VH4145 • • FITTING, TUBE 1
? VW5504 • • GOVERNOR VALVE ASSM (SEE INDEX) 1
? SR6301 • • CAPSCREW - 1/4" - 20NC X 2 3/4" 2
? C5774 • • LOCKWASHER - 1/4" 2
? VH0596 • • FITTING, TUBE 1
? TW1026 • • BLOCK, JUNCTION 1
? ED4329 • • HOSE 1
? SV8013 • • NIPPLE, CLOSE 1
? PB8813 • • VALVE, SAFETY 1
? HD0876 • • BUSHING, PIPE 1
? HA0190 • • HOSE 1
? VY1005 • • FITTING, TUBE 1
? PB1304 • • TEE, SWIVEL 1
? VM3921 • • FITTING, TUBE 1
? TR9441 • • CLAMP 2
? WA2220 • • STUD, WELD - 1/2" - 13NC X 1" 1
? C1523 • • NUT - 1/2" - 13NC 5
? C1540 • • LOCKWASHER - 1/2" 7
? HA1131 • • HOSE 1
? E2579 • • NIPPLE, CLOSE 1
? TF6987 • • SOCKET 1
? TF6988 • • CAP 1
? WA5820 • • FITTING, TUBE 1
? VW5013 • • BRACKET 1
? C1611 • • CAPSCREW - 1/2" - 13NC X 3/4" 2
? PB4774 • • DRAIN VALVE ASSM (SEE INDEX) 1
? SV5630 • • ADAPTOR 1
? E2577 • • FITTING, PIPE 1
? HA0780 • • HOSE 1
? VH4142 • • FITTING, TUBE 1
? TD8566 • • BUSHING, PIPE 1
? TX9024 • • SUPPORT, TANK 1
? HA1146 • • HOSE 1
? VY9285 • • FITTING, BULKHEAD 1
? TX9025 • • PLATE, MOUNTING 1
? HA0158 • • HOSE 1
? WA2564 • • FITTING, BULKHEAD 1
? VN0110 • • FITTING, BULKHEAD 1
? WA2569 • • NUT, FITTING 1
? HA5371 • • HOSE 1
? TD9749 • • FITTING, TUBE 1
? TV9133 • • VALVE, CHECK 1
? HD8019 • • BUSHING, PIPE 1
? TA4405 • • HOSE 1
? TY8652 • • TUBE 1
? TD7426 • • ADAPTOR 1
? R2028 • • PLUG, PIPE 1
? TD9743 • • ADAPTOR 1
? SD5209 • • BUSHING, PIPE 3
? TX9706 • • TANK, AIR 1
? TY8651 • • STRAP 2
? DD5640 • • FLAT WASHER - 1/2" 4
? WA2770 • • CHANNEL 2
? WA4710 • • CLAMP 2
? EB9156 • • AIR AFTER COOLER ASSM 1
? PB8119 • • AIR PURIFIER ASSM (SEE INDEX) 1
? VH2589 • • RING, TERMINAL 1
? HC9043 • • DISCONNECT, KNIFE 1
? TD9749 • • FITTING, TUBE 1
? TD9722 • • ADAPTOR 1
? EB8332 • • BRACKET, MOUNT 1
? HA0383 • • HOSE 1
? TD5557 • • FITTING, TUBE 1
? VZ3502 • • SOLENOID VALVE ASSM (SEE INDEX) 1
? VF2231 • • MACHINE SCREW - #10 - 24NC X 3/8" 2
? DC3101 • • LOCKWASHER - #10 2
? VC5344 • • FLAT WASHER - #10 2
? TD9720 • • ADAPTOR 1
? WB0328 • • TEE 1
? HA4964 • • HOSE - SUPPLY TO TEE AT CAB FOR SEAT 1
? TZ3549 • • TUBE 1
? PB3215 • • REGULATOR, PRESSURE 1
? TM6380 • • BRACKET 1
? WA2853 • • SET SCREW - #12 - 24NC X 5/8" 4
? VD2047 • • LOCKWASHER - #12 4
? PB6042 • • VALVE, CHECK 1
? HA4840 • • HOSE - TO VENT ON SURGE TANK 1
? TF6925 • • CLAMP 3
? VC2195 • • WELD STUD - 3/8" - 16NC X 1" 1
? C1521 • • NUT - 3/8" - 16NC 4
? C0312 • • LOCKWASHER - 3/8" 4
? PB7463 • • VALVE, CHECK 1
? VN0090 • • FITTING 1
? C1603 • • CAPSCREW - 3/8" - 14NC X 1 1/4" 4
? C1547 • • FLAT WASHER - 3/8" 4
? C3145 • • CAPSCREW - 1/4" - 20NC X 5/8" 1
? CC6807 • • LOCKWASHER - 1/4" (INTERNAL TOOTH) 1
? C5780 • • NUT - 1/4" - 20NC 1
? CD9705 • • CLAMP 1
? SV7053 • • ADAPTOR 1

Dump Trucks Komatsu / AFE32-EF 830E  S/N 32663               ZALDIVAR(AFE32-EF) / AIR SYSTEM PIPING & INSTL(324 : 40608)
?
?
?
?
?
?
?
?
?
?
?
?
?
?
?
?
?
?
?
?
?
?
?
?
?
?
?
?
?
?
?
?
?
?
?
?
?
?
?
?
?
?
?
?
?
?
?
?
?
?
?
?
?
?
?
?
?
?
?
?
?
?
?
?
?
?
?
?
?
?
?
?
?
?
?
?
?
?
?
?
?
?
?
?
?
?
?
?
?
?
?
?
?
?
?
?
?
?
?
?