k-part
Номер на схеме Каталожный номер Название Количество Детали
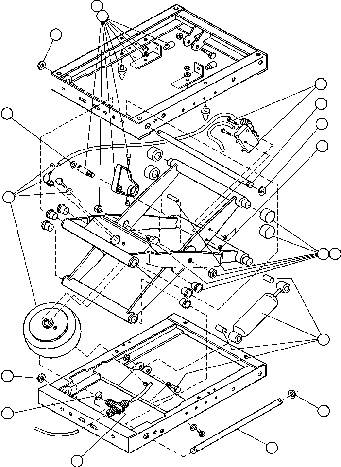
? VE6655 SUSPENSION 1
? VE4578 • KIT, HARDWARE SUSPENSION 1
? VE8738 KIT, SUSPENSION VALVE 1
? VE4580 KIT, AIR SPRING 1
? VE4581 KIT, SHOCK ABSORBER 1
? VE8741 KIT, AXLE 1
? VE4583 AXLE 2
? VE6663 FITTING, TEE 1
? VE6664 FITTING, CAP 3

Dump Trucks Komatsu / AFE32-DS 830E S/N 32546 & 32553-32557  R.W. MILLER(AFE32-DS) / DRIVER
?
?
?
?
?
?
?
?
?
?
?
?
?
?
?
?
?