k-part
Наименование Страница Код страницы
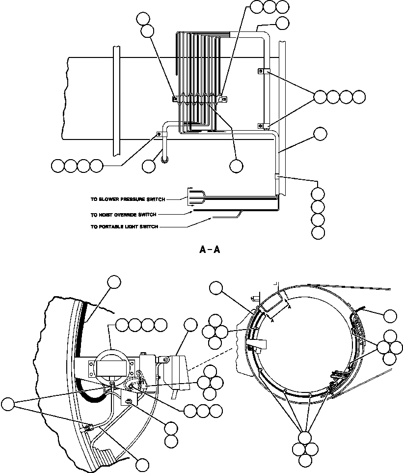
AXLE HOUSING PORTABLE LIGHT (TY1408) 356 40052

Номер на схеме Каталожный номер Название Количество Детали
? TZ0883 HARNESS 1
? VN9907 CLAMP 4
? VH9969 STUD, WELD - 3/8" - 16NC X 3/4" 12
? C0312 LOCKWASHER - 3/8" 12
? C1521 NUT - 3/8" - 16NC 12
? TF6924 CLAMP 4
? VN9908 CLAMP 2
? EF8538 HARNESS - RIGHT FRAME RAIL 1
? EB2622 HARNESS - REAR LIGHTS & BACK-UP HORN 1
? VF2231 MACHINE SCREW - #10 - 24NC X 3/8" 2
? DC3101 LOCKWASHER - #10 2
? VS8192 BOARD, TERMINAL 1
? WA6678 STRIP, CIRCUIT IDENTIFICATION 1
? VM2951 SET SCREW - #6 - 32NC X 5/16" 2
? TA0603 FITTING, NYLON 2
? PB4673 SWITCH, BLOWER PRESSURE 1
? C3145 CAPSCREW - 1/4" - 20NC X 5/8" 4
? C5774 LOCKWASHER - 1/4" 4
? C5780 NUT - 1/4" - 20NC 4
? TY1408 PORTABLE LIGHT ASSM (SEE INDEX) 1 40052
? 720462 CLAMP 1
? SR8325 SWITCH, TOGGLE (PORTABLE LIGHT) 1
? PB3324 BOOT, TOGGLE SWITCH 1
? SP6153 LOCKWASHER - 3/8" (EXTERNAL/INTERNAL TOOTH) 1
? TG8745 SWITCH, TOGGLE (HOIST OVERRIDE) 1
? TZ2373 BRACKET 1
? TK7603 TUBE, NYLON 1
? TG2562 CLAMP 1
? WA3367 NUT ASSM 12

Dump Trucks Komatsu / AFE32-DS 830E S/N 32546 & 32553-32557  R.W. MILLER(AFE32-DS) / AXLE HOUSING ELECTRICAL GROUP(354 : 40153)
?
?
?
?
?
?
?
?
?
?
?
?
?
?
?
?
?
?
?
?
?
?
?
?
?
?
?
?
?
?
?
?
?
?
?
?
?
?
?
?
?
?
?
?
?
?
?
?
?
?
?
?