| Номер на схеме | Каталожный номер | Название | Количество | Детали | |||
|---|---|---|---|---|---|---|---|
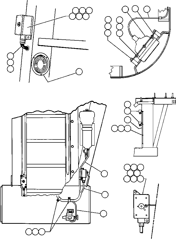
| ? | YA2578 | HARNESS (LADDER LIGHTS) | 1 | ||||
| ? | EF4787 | HARNESS (ENGINE SHUTDOWN, ENGINE SERVICE LIGHTS) | 1 | ||||
| ? | 424243 | CLAMP | 9 | ||||
| ? | TC1231 | LOCKWASHER - 3/8" | 9 | ||||
| ? | TC1233 | NUT - 3/8" - 16NC | 9 | ||||
| ? | TD1809 | CAPSCREW - 1/4" - 20NC X 3/4" | 2 | ||||
| ? | DC3584 | LOCKWASHER - 1/4" | 6 | ||||
| ? | HE2467 | MACHINE SCREW - #6 - 32NC X 1/2" | 4 | ||||
| ? | PB4043 | GASKET, RUBBER | 3 | ||||
| ? | PB9075 | CONDULET, SINGLE GANG | 1 | ||||
| ? | TZ0880 | COVER | 1 | ||||
| ? | PB8735 | SWITCH, ENGINE SHUTDOWN | 1 | ||||
| ? | VZ1243 | GRIP, CORD | 1 | ||||
| ? | VA2826 | COVER | 1 | ||||
| ? | VA2828 | SWITCH | 1 | ||||
| ? | TD1809 | CAPSCREW - 1/4" - 20NC X 3/4" | 4 | ||||
| ? | PB9073 | CONDULET, SINGLE GANG | 1 | ||||
| ? | TZ2413 | LADDER LIGHT ASSM | 3 | ||||
| ? | EF4787 | HARNESS | 1 | ||||
| ? | TY7470 | PLATE, MOUNTING | 1 | ||||
| ? | AK8456 | FRONT TURN & CLEARANCE LIGHT (SEE FIG. 40995) | 1 | ||||
| ? | DC5004 | MACHINE SCREW - #12 - 24NC X 1/2" | 3 | ||||
| ? | VD2047 | LOCKWASHER - #12 | 3 | ||||
| ? | TR8580 | NUT - #12 - 24NC | 3 | ||||
| ? | VN6402 | CAPSCREW - 3/8" - 16NC X 3/8 | 4 | ||||
| ? | C0312 | LOCKWASHER - 3/8" | 4 | ||||
| ? | DF3042 | FLAT WASHER - 3/8" | 8 | ||||
| ? | AK7504 | SERVICE LIGHT ASSM | 2 | ||||
| ? | AK7552 | • HOUSING | 2 | ||||
| ? | AK7575 | • BULB - 24V/60W | 2 | ||||
| ? | AK7685 | • LENS, PLASTIC | 2 | ||||
| ? | SP6153 | LOCKWASHER - 3/8" (EXT.-INT. TOOTH) | 2 | ||||
| ? | EF4787 | HARNESS | 1 | ||||
| ? | SG0673 | GROMMET | 1 | ||||
| ? | VM5737 | GRID, CORD | 1 |