k-part
Наименование Страница Код страницы
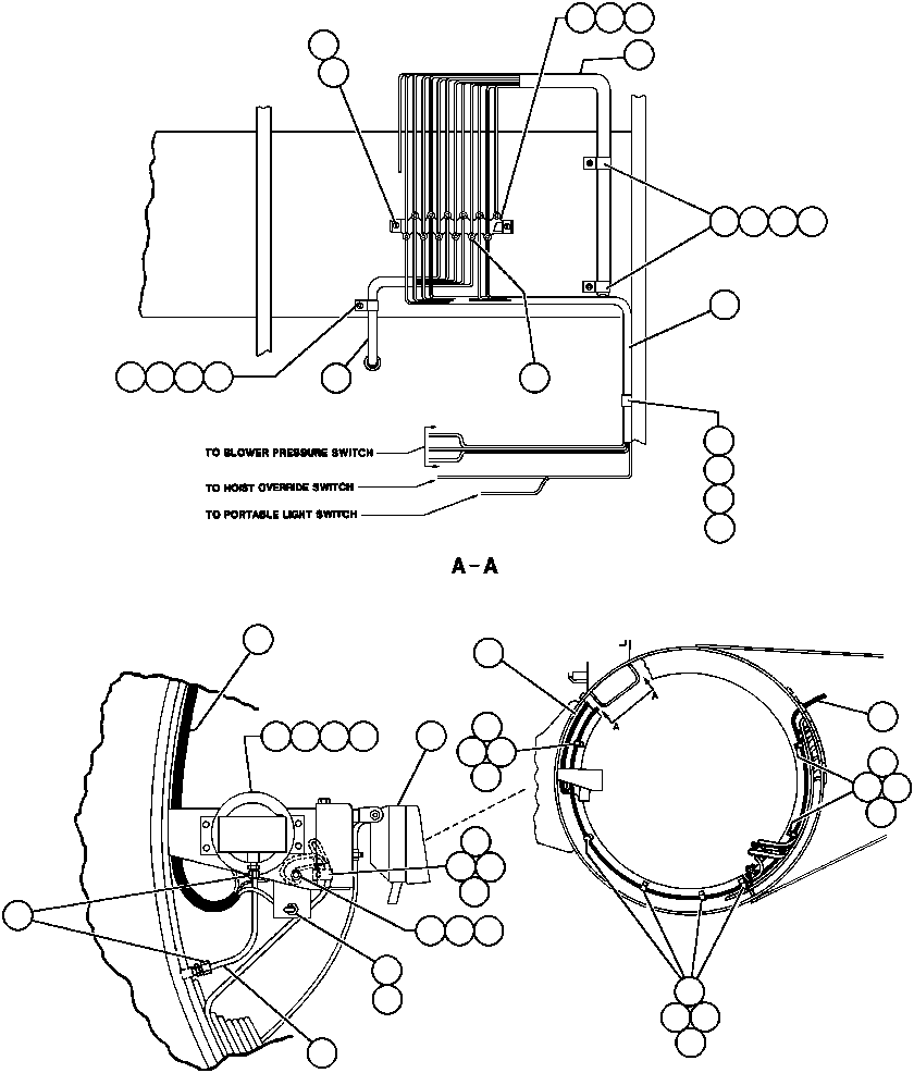
AXLE HOUSING PORTABLE LIGHT (TY1408) 374 40052

Номер на схеме Каталожный номер Название Количество Детали
? TZ0883 • HARNESS 1
? VN9908 • • CLAMP 4
? VH9969 • • WELD, STUD - 3/8" - 16NC X 3/4" 12
? C0312 • • LOCKWASHER - 3/8" 12
? C1521 • • NUT - 3/8" - 16NC 12
? TF6924 • • CLAMP 4
? VN9908 • • CLAMP 2
? EF4234 • • HARNESS - RIGHT FRAME RAIL 1
? YA2388 • • HARNESS - REAR LIGHTS & BACK-UP HORN 1
? VF2231 • • MACHINE SCREW - #10 - 24NC X 3/8" 2
? DC3101 • • LOCKWASHER - #10 2
? VS8192 • • BOARD, TERMINAL 1
? WA6678 • • STRIP, CIRCUIT IDENTIFICATION 1
? VM2951 • • SET SCREW - #6 - 32NC X 5/16" 2
? TA0603 • • FITTING, NYLON 2
? PB4673 • • SWITCH, BLOWER PRESSURE 1
? C3145 • • CAPSCREW - 1/4" - 20NC X 5/8" 4
? C5774 • • LOCKWASHER - 1/4" 4
? C5780 • • NUT - 1/4" - 20NC 4
? TY1408 • • PORTABLE LIGHT ASSM (SEE INDEX) 1
? 720462 • • CLAMP 1
? SR8325 • • SWITCH, TOGGLE (PORTABLE LIGHT) 1
? PB3324 • • BOOT, TOGGLE SWITCH 1
? SP6153 • • LOCKWASHER - 3/8" (EXTERNAL/INTERNAL TOOTH) 1
? TG8745 • • SWITCH, TOGGLE (HOIST OVERRIDE) 1
? TZ2373 • • BRACKET 1
? TK7603 • • TUBE, NYLON 1
? TG2562 • • CLAMP 1
? WA3367 • • NUT ASSM 12

Dump Trucks Komatsu / AFE32-ED 830E                 COLLAHUASI(AFE32-ED) / AXLE HOUSING ELECTRICAL GROUP(372 : 40153)
?
?
?
?
?
?
?
?
?
?
?
?
?
?
?
?
?
?
?
?
?
?
?
?
?
?
?
?
?
?
?
?
?
?
?
?
?
?
?
?
?
?
?
?
?
?
?
?
?
?
?
?