k-part
Номер на схеме Каталожный номер Название Количество Детали
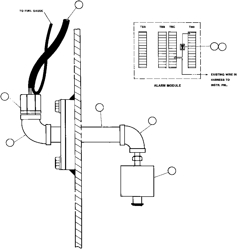
? VZ3250 • DIODE 1
? TX2482 • • HOUSING 1
? VM5736 • • GRIP, CORD 1
? SC4970 • • FITTING, PIPE 1
? VA1733 • • MOUNT 1
? TV5194 • • FITTING, PIPE 1
? VA1730 • • SWITCH 1
? • • (SEE FUEL TANK INSTL) 65535

Dump Trucks Komatsu / AFE32-ED 830E                 COLLAHUASI(AFE32-ED) / LOW FUEL LIGHT & BUZZER INSTL(358 : 35019)
?
?
?
?
?
?
?
?