k-part
Номер на схеме Каталожный номер Название Количество Детали
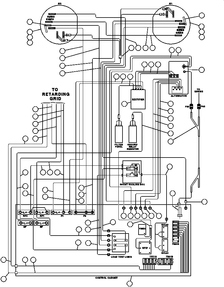
? PB9658 • ALTERNATOR/BLOWER ASSM 1
? PB9734 • • WHEEL, MOTORIZED DRIVE (787FS11) 2
? VN3270 • • CAPSCREW - 1 1/4" - 7NC X 5" 96
? WA0366 • • FLAT WASHER - 1 1/4" 96
? TK5255 • • BAR, BUS 2
? TG5720 • • CAPSCREW - 3/8" - 16NC X 1" 2
? TR1376 • • CAPSCREW - 3/8" - 16NC X 1 1/4" 2
? PB6489 • • RECTIFIER 1
? ED2338 • • CABINET, CONTROL 1
? CH2531 • • CABLE - 74AF (DRIVE WHEEL TO DRIVE WHEEL) 1
? CH2522 • • CABLE - 7J4 (MF CONTACTOR TO LEFT WHEEL MOTOR) 1
? CH2524 • • CABLE - 7J9 (S3 SHUNT TO RIGHT WHEEL MOTOR) 1
? ED3913 • • CABLE - G.E. CONDUIT 1
? CH2151 • • CABLE - 7J2 (P1 CONTACTOR TO RIGHT WHEEL MOTOR) 1
? CH2153 • • CABLE - 7J1R (CONTROL CABINET TO RIGHT WHEEL MOTOR) 1
? CH2152 • • CABLE - 7J10 (P2 CONTACTOR TO LEFT WHEEL MOTOR) 1
? CH2154 • • CABLE - 7J1L (CONTROL CABINET TO LEFT WHEEL MOTOR) 1
? CH2567 • • CABLE - 74 (ALTERNATOR TO GF CONTACTOR) 1
? CH2570 • • CABLE - 74AA (ALTERNATOR TO AFSE CONTACTOR) 1
? CH2161 • • CABLE - T1 (ALTERNATOR TO RECTIFIER) 1
? CH2162 • • CABLE - T2 (ALTERNATOR TO RECTIFIER) 1
? CH2163 • • CABLE - T3 (ALTERNATOR TO RECTIFIER) 1
? CH2571 • • CABLE - 75XX (ALTERNATOR - T15 TO MFSE PANEL) 1
? CH2569 • • CABLE - 74D (ALTERNATOR - T14 TO S6 SHUNT 1
? CH2568 • • CABLE - 71J (ALTERNATOR - T13 TO AFSE PANEL) 1
? CH2566 • • CABLE - 71G (ALTERNATOR - T16 TO S7 SHUNT) 1
? EC9217 • • HARNESS - (GRR PANEL TO GRR CONTACTOR) 1
? EF4233 • • HARNESS - (TO ALTERNATOR (ESS)/ENGINE CONTROL (DDEC)) 1
? CH2619 • • CABLE - 7J10 (P2 CONTACTOR TO BLOWN GRID) 1
? CH3130 • • CABLE - 7J2 (P1 CONTACTOR TO BLOWN GRID) 1
? CH2176 • • CABLE - 7J8 (RP1 CONTACTOR TO BLOWN GRID) 1
? CH2183 • • CABLE - 7J7 (RP2 CONTACTOR TO BLOWN GRID) 1
? EC9112 • • HARNESS - (TB21A TO BLOWN GRID) 1
? EC9911 • • HARNESS (TB21H TO BLOWN GRID) 1
? CH2157 • • CABLE - 7J1 (RP2 CONTACTOR TO LOAD TEST BOX) 1
? CH2158 • • CABLE - 7J7 (RP2 CONTACTOR TO LOAD TEST BOX) 1
? CH2159 • • CABLE - 7J8 (RP1 CONTACTOR TO CONTROL CABINET) 1
? CH2156 • • CABLE - 7J1LS (CONTROL CABINET TO LOAD TEST BOX) 1
? CH2155 • • CABLE - 7J1RS (CONTROL CABINET TO LOAD TEST BOX) 1
? CH2164 • • CABLE - 7GA1 (RECTIFIER TO P2 CONTACTOR) 1
? CH2160 • • CABLE - 7GA2 (RECTIFIER TO P1 CONTACTOR) 1
? EC9112 • • HARNESS - (3 - STEP RETARD) 1
? EC9912 • • HARNESS (4 - STEP RETARD) 1
? EC7269 • • CABLE - (SHUNT 1 & 2 TO ISOA 3 & 4) 1
? EC7734 • • CABLE - (RECTIFIER TO FILTER PANEL) 1

Dump Trucks Komatsu / AFE32-ED 830E                 COLLAHUASI(AFE32-ED) / ELECTRIC POWER COMPONENTS WIRING(210 : 40712)
?
?
?
?
?
?
?
?
?
?
?
?
?
?
?
?
?
?
?
?
?
?
?
?
?
?
?
?
?
?
?
?
?
?
?
?
?
?
?
?
?
?
?
?
?
?
?
?
?
?
?
?
?
?
?
?
?
?
?
?
?
?
?
?
?
?
?
?
?
?