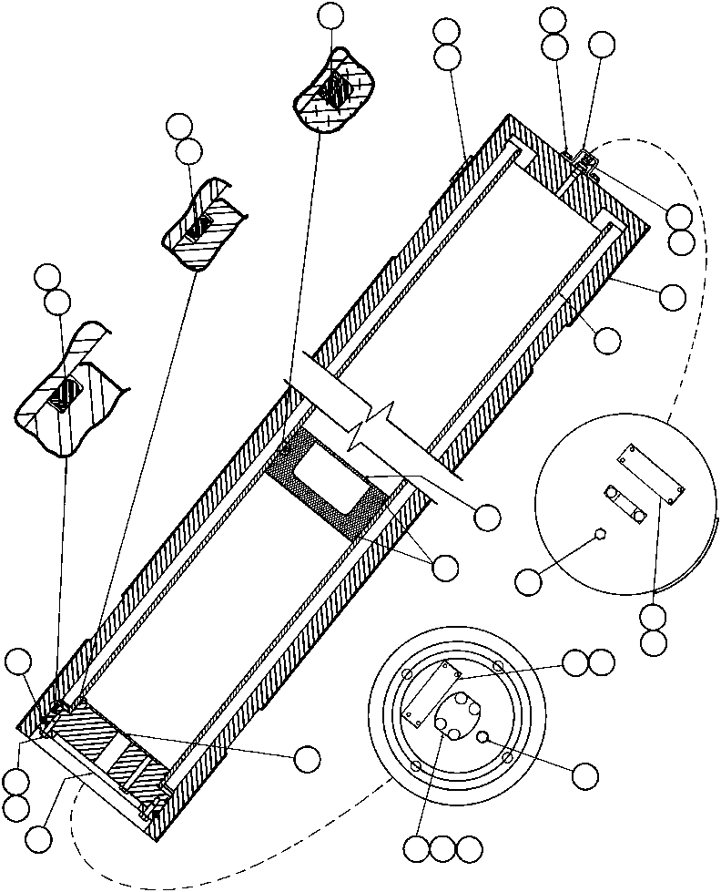
| Номер на схеме | Каталожный номер | Название | Количество | Детали | |||
|---|---|---|---|---|---|---|---|
| ? | VN9014 | • CAPSCREW - 3/8" - 16NC X 5/8" | 2 | ||||
| ? | C0312 | • • LOCKWASHER - 3/8" | 6 | ||||
| ? | TV1294 | • • GUARD | 1 | ||||
| ? | PB2194 | • • CHARGING VALVE ASSM | 1 | ||||
| ? | TD7179 | • • CORE | 1 | ||||
| ? | TR9993 | • • CAP | 1 | ||||
| ? | TF1144 | • • O-RING | 1 | ||||
| ? | WA0052 | • • O-RING | 1 | ||||
| ? | VD5076 | • • GASKET | 1 | ||||
| ? | TY3539 | • • HOUSING | 1 | ||||
| ? | TY3533 | • • TUBE, INNER | 1 | ||||
| ? | TK2082 | • • PISTON | 1 | ||||
| ? | PB6708 | • • BEARING - 8" | 2 | ||||
| ? | TY3531 | • • GLAND | 1 | ||||
| ? | PB6707 | • • SNAP RING | 1 | ||||
| ? | C1602 | • • CAPSCREW - 3/8" - 16NC X 1" | 4 | ||||
| ? | TY3530 | • • CLAMP, PLATE | 1 | ||||
| ? | WA2892 | • • PLATE, WARNING | 1 | ||||
| ? | R1073 | • • DRIVE SCREW - #6 X 3/16" | 12 | ||||
| ? | WA4793 | • • SEAL, O-RING | 1 | ||||
| ? | WA4794 | • • RING, ANTI EXTRUSION - # 377 | 1 | ||||
| ? | WA0265 | • • SEAL, O-RING | 1 | ||||
| ? | WA1265 | • • RING, BACKUP | 2 | ||||
| ? | PB6709 | • • SEAL ASSM | 1 | ||||
| ? | VM0313 | • • PLUG, O-RING | 1 | ||||
| ? | WA2988 | • • PLATE, WARNING | 2 | ||||
| ? | WA2703 | • • COVER, FLANGE HEAD | 1 | ||||
| ? | VN6410 | • • CAPSCREW - 7/16" - 14NC X 5/8" | 4 | ||||
| ? | C5775 | • • LOCKWASHER - 7/16" | 4 | ||||
| ? | VM0314 | • • PLUG | 1 |